N7205A110B00.pdf - 第72页
UL1007 24AWG BU -K322 PNF0B3 I/O Board #1 -B1210 BN BK BU F Cart Lock Release Confirmation F Dust Box Detection F Cart Setting Check -S3211 D4N-1122 31 32 13 14 OMRON -R4200 F Cart Lock -R4201 F Cart Lock Release CNCLF 1…

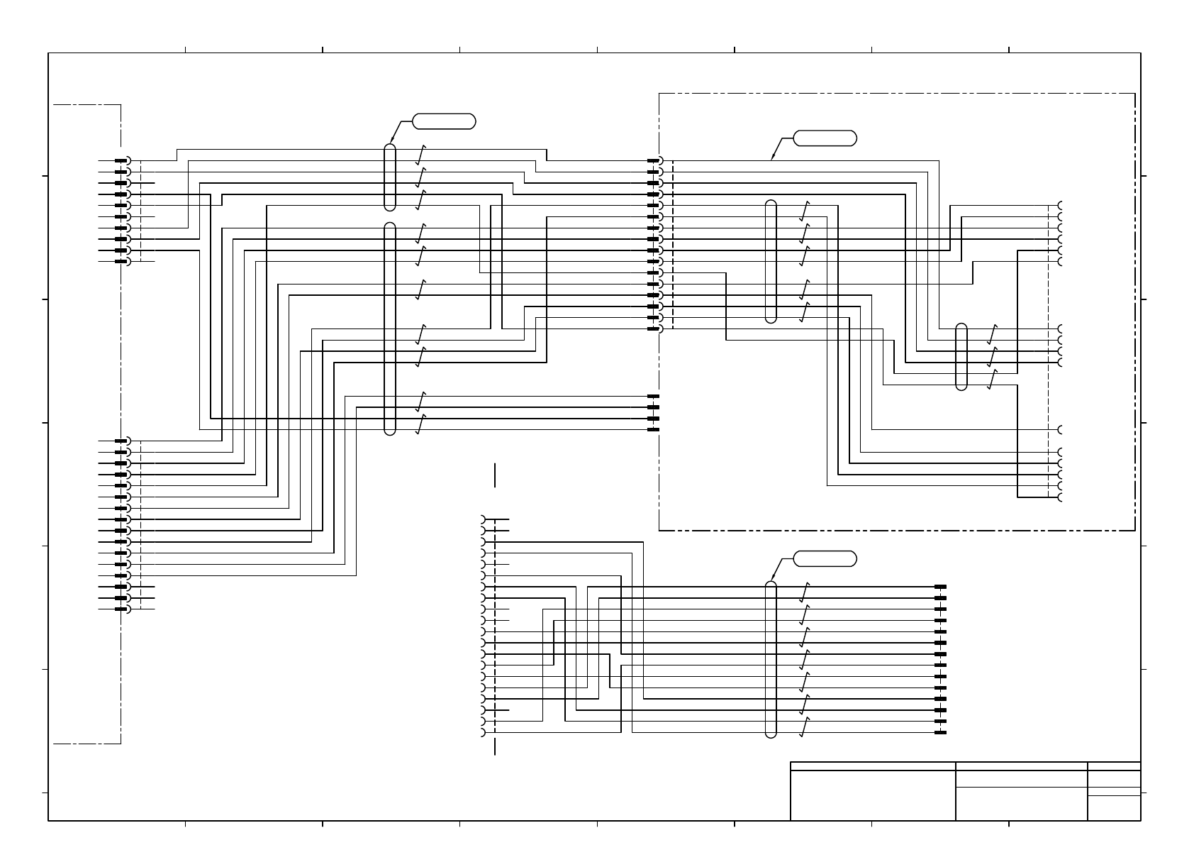
CARTR2
1
2
3
4
5
6
7
8
9
10
P24
P24
N.C.
CHECKa
F.G.
N.C.
G24
G24
CHECKb
N.C.
GN/WH
GN
BK/WH
BK
RD/WH
RD
BK
BK/WH
RD
RD/WH
GN
GN/WH
CARTR1
1
2
3
4
5
6
7
8
9
10
11
12
13
14
15
16
TXD2+
TXD2-
RXD2+
RXD2-
GND
IN111
IN045
CHECK1b
CHECK1a
CHECK2a
CHECK2b
G24
SVONSW2
N.C.
N.C.
N.C.
YE
YE/WH
BN
BN/WH
BU/WH
BU
GY
GY/WH
2464-1061/ⅡA(PF) LF 3P×20AWG
MOLEX
CARTR1A02
5557-16R-210
1
2
3
4
5
6
7
8
9
10
11
12
13
14
15
16
MOLEX
CARTR2A02
5557-10R-210
1
2
3
4
5
6
7
8
9
10
N610169562AB
MOLEX
CART4P
5559-04P-210
3
2
1
4
Note1)
Note1) Connector Pin arrangement is not sequential.
Note1)
For
Cart Unit
(-A32)
(Rear)
RXD2+
RXD2-
TXD2+
TXD2-
GND
IN111
P24
G24
P24
G24
IN045
CHECK1a
CHECK1b
CHECK2a
CHECK2b
FG
N610119362AD
MOLEX
CART1P
5559-16P-210
8
14
6
5
13
16
4
3
12
11
15
7
9
10
1
2
MOLEX
CART1R
5557-16R-210
2
1
10
9
7
15
11
12
3
4
16
13
5
6
14
8
JAE
CART.R
DM1R016PA1
8
15
7
14
6
5
9
10
1
2
13
16
12
11
4
3
2464-1061/ⅡA(PF) LF 3P×20AWG
GN/WH
GN
BK/WH
BK
RD/WH
RD
BN/WH
BN
YE/WH
YE
GN/WH
GN
BK/WH
BK
RD/WH
RD
2464-1061/ⅡA(PF) LF 5P×24AWG
Note1)
Note1)
2464-1061/ⅡA(PF) LF 7P×24AWG
-A02
Power Unit
N610163736** : 30 Slot Feeder Cart Support Unit(Rear Side):NPM-W2
MOLEX
CART2P
5559-14P-210
14
13
12
11
10
9
8
7
6
5
4
3
2
1
MOLEX
TRAY.SR
51238-2011
A1
A2
A3
A4
A5
B1
B2
B3
B4
B5
C1
C2
C3
C4
C5
D1
D2
D3
D4
D5
N.C
N.C
SVONSW
24GND
N.C
IN111
TRAY.SR01-1
TRAY.SR01-2
N.C
N.C
TXD2+
TXD2-
GND
CHECK2a
CHECK2b
RXD2+
RXD2-
N.C
CHECK1a
CHECK1b
GY/WH
GY
BU/WH
BU
BN/WH
BN
YE/WH
YE
GN/WH
GN
BK/WH
BK
RD/WH
RD
2464-1061/ⅡA(PF) LF 7P×24AWG
RXD2+
RXD2-
CHECK1a
CHECK2a
TXD2+
TXD2-
IN111
CHECK1b
CHECK2b
GND
SVONSW
TRAY.SR01-1
TRAY.SR01-2
24GND
For
Twin Tray or Single Tray
(Rear)
N610169563AA
G24
SVONSW2
CHECKa
CHECKb
2
1
1
1
1
1
Panasonic Factory Solutions Co.,Ltd. パナソニック ファクトリーソリューションズ株式会社
Name
Drawing No.
Loc. No.
F4K1020-05A
1
2 3 4 5 6 7 8
A
B
C
D
E
F
1 2 3 4 5 6 7 8
A
B
C
D
E
F
Page. No.
NPM-W2:Main Body Wiring
(Cart I/F Rear)
N610169329+026AC
P026
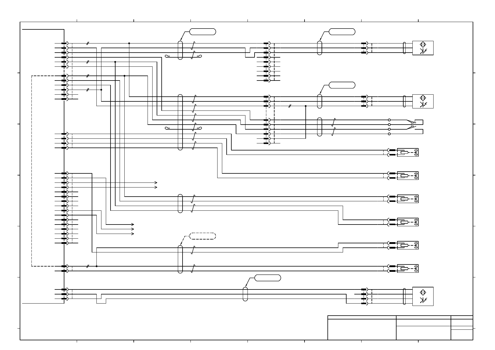
1

UL1007 24AWG BU
-K322
PNF0B3
I/O Board #1
-B1210
BN
BK
BU
F Cart Lock
Release Confirmation
F Dust Box Detection
F Cart Setting Check
-S3211
D4N-1122
31 32
13 14
OMRON
-R4200
F Cart Lock
-R4201
F Cart Lock Release
CNCLF
1
3
2
7
6
8
5
4
9
10
11
12
P24
GND
IN210
IN211
P24
G24
OUT200
OUT201
N.C
N.C
N.C
CNDUSTF
1
2
3
CNTCF
1
2
OUT202
P24
IN212
G24
-R4202
F Tape Cutter
-B1210T
BN
BK
BU
F Cart Lock
Release Confirmation 2
1
2
3
4
5
6
7
8
9
10
11
12
13
14
15
16
OUT203
OUT213
OUT222
OUT223
OUT226
OUT227
OUT233
OUT237
P24
P24
P24
P24
P24
P24
P24
P24
CNSPOT2
-R4203
F2 Tape Cutter
CNBLOW
1
2
3
4
P24
OUT230
P24
OUT234
F Blow Switch Valve
-R4230
-R4234
R Blow Switch Valve
31
N0.5-3.7
JST
32
13
14
S3211/S3217
CKD
R4202
4G-SOCKET-SET-FL388859
-
+
CKD
R4203
4G-SOCKET-SET-FL388859
-
+
CKD
R4201
4G-SOCKET-SET-FL388859
-
+
-B1212
BN
BK
WH
BU
N610169428AC
N610169559AA
N610169430AA
N610169431AB
BK/WH
BK
RD/WH
RD
AMP
CNCLFK322
177905-1
1
3
2
7
6
8
5
4
9
10
11
12
MOLEX
CNBLOW
43025-0400
4
3
2
1
MOLEX
CNSPOT2R
43025-1600
1
2
3
4
5
6
7
8
9
10
11
12
13
14
15
16
AMP
CNTCFR
177898-1
2
1
AMP
CNDUSTFR
177899-1
3
2
1
AMP
1B1210TP
177911-1
9
8
7
6
5
4
3
2
1
AMP
1B1210/1216TR
177903-1
9
8
7
6
5
4
3
2
1
AMP
B1212R
177900-1
4
3
2
1
AMP
B1212P
177908-1
4
3
2
1
CKD
R4200
4G-SOCKET-SET-FL388859
-
+
SMC
R4230
SY100-29-1
-
+
SMC
R4234
SY100-29-1
-
+
GY
OG
WH
UL2464VV1007 3CXAWG24 BK
GY
OG
WH
UL2464VV1007 3CXAWG24 BK
GY
OG
WH
UL2464VV1007 3CXAWG24 BK
BK/WH
BK
RD/WH
RD
2464-1061/ⅡA(PF) LF 2P×24AWG
BK/WH
BK
RD/WH
RD
AMP
1B1210P
177911-1
9
8
7
6
5
4
3
2
1
AMP
1B1210/1216R
177903-1
9
8
7
6
5
4
3
2
1
AMP
B1210TR
177899-1
3
2
1
AMP
B1210/1216TP
177907-1
3
2
1
AMP
B1210R
177899-1
3
2
1
AMP
B1210/1216P
177907-1
3
2
1
OUT222
P046-4B
OUT223
P046-4D
R4213-
P028-5E
P240
P046-4B
P241
P046-4D
Note1)
Note1) Connector Pin arrangement is not sequential.
2464-1061/ⅡA(PF) LF 2P×24AWG
BK/WH
BK
RD/WH
RD
2464-1061/ⅡA(PF) LF 2P×24AWG
2464-1061/ⅡA(PF) LF 6P×24AWG
BU/WH
BU
BN/WH
BN
YE/WH
YE
GN/WH
GN
BK/WH
BK
RD/WH
RD
2464-1061/ⅡA(PF) LF 2P×20AWG
BU
1
1
1
2
2
N610169536**
Panasonic Factory Solutions Co.,Ltd. パナソニック ファクトリーソリューションズ株式会社
Name
Drawing No.
Loc. No.
F4K1020-05A
1
2 3 4 5 6 7 8
A
B
C
D
E
F
1 2 3 4 5 6 7 8
A
B
C
D
E
F
Page. No.
NPM-W2:Main Body Wiring
(Cart Sensor Front)
N610169329+027AC
P027
2

-K322
PNF0B3
I/O Board #1
CNCLR
1
3
2
7
6
8
4
5
9
10
11
12
P24
GND
IN216
IN217
P24
G24
N.C.
OUT210
OUT211
IN214
IN215
CNTCR
1
2
OUT212
CNDUSTR
1
2
3
P24
IN222
G24
-R4212
R Tape Cutter
-R4213
R2 Tape Cutter
R4213- P027-2D
-B1222
BN
BK
WH
BU
R Dust Box Detection
AMP
B1222R
177900-1
4
3
2
1
AMP
B1222P
177908-1
4
3
2
1
CKD
R4213
4G-SOCKET-SET-FL388859
-
+
CKD
R4212
4G-SOCKET-SET-FL388859
-
+
AMP
CNDUSTRR
177899-1
3
2
1
AMP
CNTCRR
177898-1
2
1
AMP
CNCLRK322
177905-1
1
3
2
7
6
8
4
5
9
10
11
12
N610169540AA
GY
OG
WH
UL2464VV1007 3CXAWG24 BK
BK/WH
BK
2464-1061/ⅡA(PF) LF 2P×24AWG
RD/WH
RD
Note1)
Note1) Connector Pin arrangement is not sequential.
R Cart Setting Check
-S3217
D4N-1122
31 32
13 14
OMRON
-B1216T
BN
BK
BU
R Cart Lock
Release Confirmation 2
31
N0.5-3.7
JST
S3211/S3217
N610169431AB
BK/WH
BK
RD/WH
RD
AMP
1B1216TP
177911-1
9
8
7
6
5
4
3
2
1
AMP
1B1210/1216TR
177903-1
9
8
7
6
5
4
3
2
1
GY
OG
WH
UL2464VV1007 3CXAWG24 BK
AMP
B1216TR
177899-1
3
2
1
AMP
B1210/1216TP
177907-1
3
2
1
2464-1061/ⅡA(PF) LF 2P×20AWG
AMP
1B1216P
177911-1
9
8
7
6
5
4
3
2
1
-B1216
BN
BK
BU
R Cart Lock
Release Confirmation
N610169430AA
GY
OG
WH
UL2464VV1007 3CXAWG24 BK
AMP
1B1210/1216R
177903-1
9
8
7
6
5
4
3
2
1
AMP
B1216R
177899-1
3
2
1
AMP
B1210/1216P
177907-1
3
2
1
32
13
14
N610169429AB
BK/WH
BK
RD/WH
RD
2464-1061/ⅡA(PF) LF 2P×24AWG
YE/WH
YE
GN/WH
GN
BK/WH
BK
RD/WH
RD
-R4210
R Cart Lock
-R4211
R Cart Lock Release
CKD
R4211
4G-SOCKET-SET-FL388859
-
+
CKD
R4210
4G-SOCKET-SET-FL388859
-
+
BK/WH
BK
RD/WH
RD
2464-1061/ⅡA(PF) LF 2P×24AWG
2464-1061/ⅡA(PF) LF 5P×24AWG
BN/WH
BN
UL1007 24AWG BU BU
1
1
2
2
N610169536**
Panasonic Factory Solutions Co.,Ltd. パナソニック ファクトリーソリューションズ株式会社
Name
Drawing No.
Loc. No.
F4K1020-05A
1
2 3 4 5 6 7 8
A
B
C
D
E
F
1 2 3 4 5 6 7 8
A
B
C
D
E
F
Page. No.
NPM-W2:Main Body Wiring
(Cart Sensor Rear)
N610169329+028AC
P028
2
2