N7205A110B00.pdf - 第41页
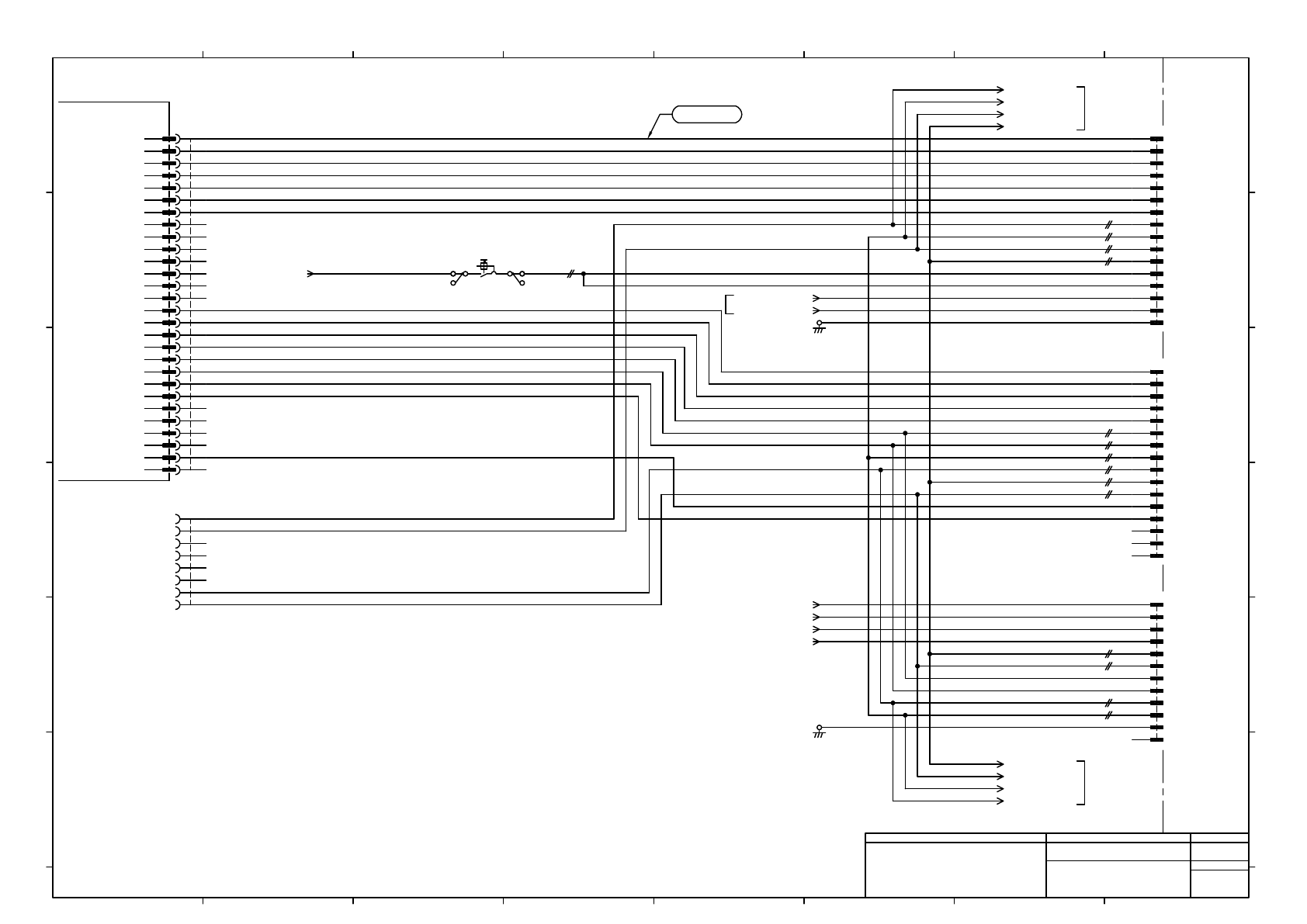
UL1007 18AWG BU UL1007 18AWG BU FK2-4 JST 1aF123 2aF123 FK2-4 JST -F123 CP31FI/10(CCC) (10A) 1 2 Fuji Electric FA Components & Systems R1.25-4 JST FGCARTR2 G24(2-1)T121 P008-6C UL1007 18AWG BU BU BU CN2K121-3 P011-4C…

UL1007 22AWG BU
To
Tray Unit
(-A51)
To
Cart Unit
(-A32)
(Rear)
To
Cart Unit
(-A31)
(Front)
From
SC2P
(P011)
-K321
PNF0B4
ILK Board
CN-CART
1
2
3
4
5
6
7
8
9
10
11
12
13
14
15
16
17
18
19
20
21
22
23
24
25
26
27
28
TXD1+
TXD1-
RXD1+
RXD1-
GND
IN110
IN044
SVONSW1
N.C.
N.C.
N.C.
N.C.
24GND
24GND
TXD2+
TXD2-
RXD2+
RXD2-
GND
IN111
IN045
SVONSW2
N.C.
N.C.
N.C.
N.C.
24GND
24GND
-F122
CP31FI/10(CCC)
(10A)
1 2 1 2
Fuji Electric FA Components & Systems
2aF122
FK2-4
JST
FK2-4
JST
1aF122
R1.25-4
JST
FGCARTF1
UL1007 18AWG BU BU
UL1007 18AWG BU
UL1015 18AWG BK BK
UL1015 14AWG BU BU
BU
P24(1)T121 P008-6C
G24(1-1)T121 P008-6C
JST
CN-CARTK321
PUDP-28V-S
1
2
3
4
5
6
7
8
9
10
11
12
13
14
15
16
17
18
19
20
21
22
23
24
25
26
27
28
MOLEX
SC2/4R
5557-08R-210
8
7
6
5
4
3
2
1
MOLEX
CARTR1
5559-16P-210
16
15
14
13
12
11
10
9
8
7
6
5
4
3
2
1
MOLEX
CARTF1
5559-16P-210
16
15
14
13
12
11
10
9
8
7
6
5
4
3
2
1
UL1007 18AWG BU BU
UL1007 18AWG BU BU
N610169454AC
MOLEX
CARTR3
5559-12P-210
11
5
10
4
12
6
9
3
8
2
7
1
UL1015 18AWG BK BK
R1.25-4
JST
FGCARTR3
UL1007 18AWG BU BU
UL1007 18AWG BU BU
UL1007 18AWG BU BU
UL1007 18AWG BU BU
G24(3-1)T121 P008-6D
2b1F123 P014-6B
CARTF1(1)
P016-5E
CARTF1(2)
P016-5E
CARTF1(3)
P016-5E
CARTF1(4)
P016-5E
CARTR3(3)
P016-5E
CARTR3(4)
P016-5E
CARTR3(1)
P016-5E
CARTR3(2)
P016-5E
G24(1-2)T121 P008-6C
2b2F123 P014-6B
G24(3-2)T121 P008-6D
To SC7
To SC7
From F123
From F123
From DX211
From DX211
From CX211
From CX211
UL1007 22AWG BU BU
UL1007 22AWG BU BU
UL1007 22AWG BU BU
UL1007 22AWG BU BU
UL1007 22AWG BU BU
UL1007 22AWG BU BU
UL1007 22AWG BU BU
UL1007 22AWG BU BU
UL1007 22AWG BU BU
UL1007 22AWG BU BU
UL1007 22AWG BU BU
UL1007 22AWG BU BU
UL1007 22AWG BU BU
UL1007 22AWG BU BU
UL1007 22AWG BU BU
UL1007 22AWG BU BU
UL1007 22AWG BU BU
UL1007 22AWG BU BU
UL1007 22AWG BU BU
UL1007 22AWG BU BU
UL1007 22AWG BU BU
UL1007 22AWG BU BU
UL1007 22AWG BU BU
UL1007 22AWG BU BU
UL1007 22AWG BU BU
UL1007 22AWG BU BU
UL1007 22AWG BU BU
UL1007 22AWG BU BU
UL1007 22AWG BU BU
UL1007 22AWG BU BU
UL1007 22AWG BU BU
UL1007 22AWG BU BU
UL1007 22AWG BU BU
UL1007 22AWG BU BU
BU
UL1007 22AWG BU BU
1 2
2
2
Panasonic Factory Solutions Co.,Ltd. パナソニック ファクトリーソリューションズ株式会社
Name
Drawing No.
Loc. No.
F4K1020-05A
1
2 3 4 5 6 7 8
A
B
C
D
E
F
1 2 3 4 5 6 7 8
A
B
C
D
E
F
Page. No.
NPM-W2:Power Unit Wiring
(Cart I/F Connection 1)
MTKA001180+013AC
P013

UL1007 18AWG BU
UL1007 18AWG BU
FK2-4
JST
1aF123 2aF123
FK2-4
JST
-F123
CP31FI/10(CCC)
(10A)
1 2
Fuji Electric FA Components & Systems
R1.25-4
JST
FGCARTR2
G24(2-1)T121 P008-6C
UL1007 18AWG BU
BU
BU
CN2K121-3 P011-4C
CN2K121-8 P011-4C
MOLEX
CARTR2
5559-10P-210
10
9
8
7
6
5
4
3
2
1
UL1007 18AWG BU BU
UL1015 18AWG BK BK
BU
2bF123
P24(2)T121 P008-6C
UL1015 14AWG BU BU
Panasonic Factory Solutions Co.,Ltd. パナソニック ファクトリーソリューションズ株式会社
Name
Drawing No.
Loc. No.
F4K1020-05A
1 2 3 4 5 6 7 8
A
B
C
D
E
F
1 2 3 4 5 6 7 8
A
B
C
D
E
F
Page. No.
NPM-W2:Power Unit Wiring
(Cart I/F Connection 2)
MTKA001180+014AA
P014
N610169454**
To
Cart Unit
(-A32)
(Rear)
G24(2-2)T121 P008-6C
2b2F123
P013-6E
2b1F123
P013-6E
From DX211
From DX211
From DX211
From K121
From K121
UL1007 22AWG BU BU
UL1007 22AWG BU BU

-K321
PNF0B4
ILK Board
CNFDCOV
1
2
3
4
5
6
7
8
24GND
IN105
24VOUT
VL013
24GND
IN106
24VOUT
VL014
From
SC3P
(P011)
To
Feeder Cover
(Front)
To
Feeder Cover
(Rear)
UL1007 22AWG BU BU
MOLEX
CNFDCVRP
5559-12P-210
12
11
10
9
8
7
6
5
4
3
2
1
JST
CNFDCOVK321
PUDP-08V-S
8
7
6
5
4
3
2
1
MOLEX
SC3R
5557-08R-210
8
7
6
5
4
3
2
1
MOLEX
CNFDCVFP
5559-12P-210
12
11
10
9
8
7
6
5
4
3
2
1
UL1007 22AWG BU BU
UL1007 20AWG BU BU
UL1007 20AWG BU BU
UL1007 22AWG BU BU
UL1007 22AWG BU BU
UL1007 22AWG BU BU
UL1007 20AWG BU BU
UL1007 20AWG BU BU
UL1007 22AWG BU BU
UL1007 22AWG BU BU
UL1007 22AWG BU BU
UL1007 20AWG BU BU
UL1007 22AWG BU BU
UL1007 22AWG BU BU
UL1007 22AWG BU BU
UL1007 20AWG BU BU
UL1007 22AWG BU BU
N610169560AA
1
1
1
1
1
1
1
Panasonic Factory Solutions Co.,Ltd. パナソニック ファクトリーソリューションズ株式会社
Name
Drawing No.
Loc. No.
F4K1020-05A
1 2 3 4 5 6 7 8
A
B
C
D
E
F
1 2 3 4 5 6 7 8
A
B
C
D
E
F
Page. No.
NPM-W2:Power Unit Wiring
(Feeder Cover Connection)
MTKA001180+015AB
P015