N7205A110B00.pdf - 第73页
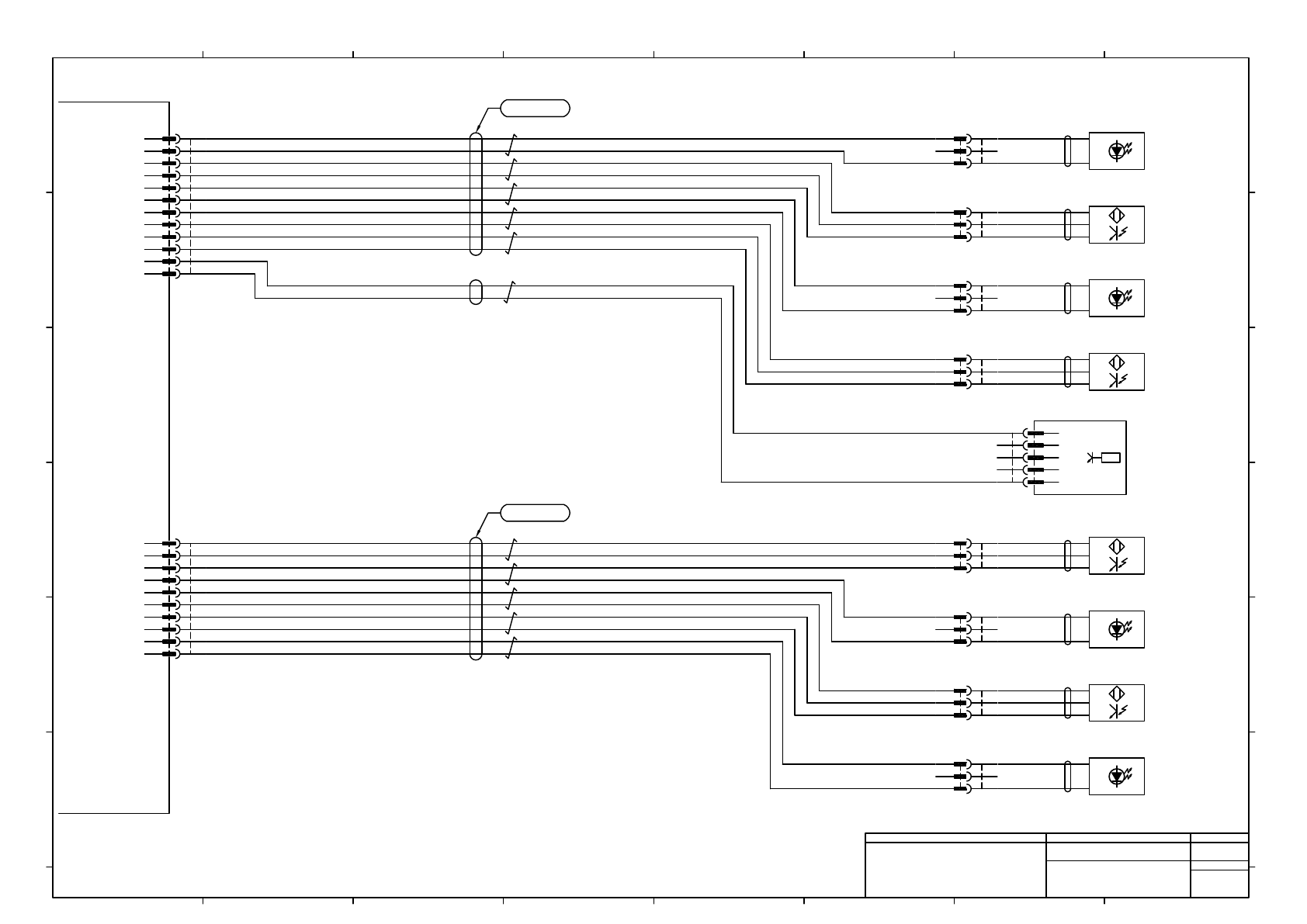
-K322 PNF0B3 I/O Board #1 CNCLR 1 3 2 7 6 8 4 5 9 10 11 12 P24 GND IN216 IN217 P24 G24 N.C. OUT210 OUT211 IN214 IN215 CNTCR 1 2 OUT212 CNDUSTR 1 2 3 P24 IN222 G24 -R4212 R Tape Cutter -R4213 R2 Tape Cutter R4213- P027-2D…

UL1007 24AWG BU
-K322
PNF0B3
I/O Board #1
-B1210
BN
BK
BU
F Cart Lock
Release Confirmation
F Dust Box Detection
F Cart Setting Check
-S3211
D4N-1122
31 32
13 14
OMRON
-R4200
F Cart Lock
-R4201
F Cart Lock Release
CNCLF
1
3
2
7
6
8
5
4
9
10
11
12
P24
GND
IN210
IN211
P24
G24
OUT200
OUT201
N.C
N.C
N.C
CNDUSTF
1
2
3
CNTCF
1
2
OUT202
P24
IN212
G24
-R4202
F Tape Cutter
-B1210T
BN
BK
BU
F Cart Lock
Release Confirmation 2
1
2
3
4
5
6
7
8
9
10
11
12
13
14
15
16
OUT203
OUT213
OUT222
OUT223
OUT226
OUT227
OUT233
OUT237
P24
P24
P24
P24
P24
P24
P24
P24
CNSPOT2
-R4203
F2 Tape Cutter
CNBLOW
1
2
3
4
P24
OUT230
P24
OUT234
F Blow Switch Valve
-R4230
-R4234
R Blow Switch Valve
31
N0.5-3.7
JST
32
13
14
S3211/S3217
CKD
R4202
4G-SOCKET-SET-FL388859
-
+
CKD
R4203
4G-SOCKET-SET-FL388859
-
+
CKD
R4201
4G-SOCKET-SET-FL388859
-
+
-B1212
BN
BK
WH
BU
N610169428AC
N610169559AA
N610169430AA
N610169431AB
BK/WH
BK
RD/WH
RD
AMP
CNCLFK322
177905-1
1
3
2
7
6
8
5
4
9
10
11
12
MOLEX
CNBLOW
43025-0400
4
3
2
1
MOLEX
CNSPOT2R
43025-1600
1
2
3
4
5
6
7
8
9
10
11
12
13
14
15
16
AMP
CNTCFR
177898-1
2
1
AMP
CNDUSTFR
177899-1
3
2
1
AMP
1B1210TP
177911-1
9
8
7
6
5
4
3
2
1
AMP
1B1210/1216TR
177903-1
9
8
7
6
5
4
3
2
1
AMP
B1212R
177900-1
4
3
2
1
AMP
B1212P
177908-1
4
3
2
1
CKD
R4200
4G-SOCKET-SET-FL388859
-
+
SMC
R4230
SY100-29-1
-
+
SMC
R4234
SY100-29-1
-
+
GY
OG
WH
UL2464VV1007 3CXAWG24 BK
GY
OG
WH
UL2464VV1007 3CXAWG24 BK
GY
OG
WH
UL2464VV1007 3CXAWG24 BK
BK/WH
BK
RD/WH
RD
2464-1061/ⅡA(PF) LF 2P×24AWG
BK/WH
BK
RD/WH
RD
AMP
1B1210P
177911-1
9
8
7
6
5
4
3
2
1
AMP
1B1210/1216R
177903-1
9
8
7
6
5
4
3
2
1
AMP
B1210TR
177899-1
3
2
1
AMP
B1210/1216TP
177907-1
3
2
1
AMP
B1210R
177899-1
3
2
1
AMP
B1210/1216P
177907-1
3
2
1
OUT222
P046-4B
OUT223
P046-4D
R4213-
P028-5E
P240
P046-4B
P241
P046-4D
Note1)
Note1) Connector Pin arrangement is not sequential.
2464-1061/ⅡA(PF) LF 2P×24AWG
BK/WH
BK
RD/WH
RD
2464-1061/ⅡA(PF) LF 2P×24AWG
2464-1061/ⅡA(PF) LF 6P×24AWG
BU/WH
BU
BN/WH
BN
YE/WH
YE
GN/WH
GN
BK/WH
BK
RD/WH
RD
2464-1061/ⅡA(PF) LF 2P×20AWG
BU
1
1
1
2
2
N610169536**
Panasonic Factory Solutions Co.,Ltd. パナソニック ファクトリーソリューションズ株式会社
Name
Drawing No.
Loc. No.
F4K1020-05A
1
2 3 4 5 6 7 8
A
B
C
D
E
F
1 2 3 4 5 6 7 8
A
B
C
D
E
F
Page. No.
NPM-W2:Main Body Wiring
(Cart Sensor Front)
N610169329+027AC
P027
2

-K322
PNF0B3
I/O Board #1
CNCLR
1
3
2
7
6
8
4
5
9
10
11
12
P24
GND
IN216
IN217
P24
G24
N.C.
OUT210
OUT211
IN214
IN215
CNTCR
1
2
OUT212
CNDUSTR
1
2
3
P24
IN222
G24
-R4212
R Tape Cutter
-R4213
R2 Tape Cutter
R4213- P027-2D
-B1222
BN
BK
WH
BU
R Dust Box Detection
AMP
B1222R
177900-1
4
3
2
1
AMP
B1222P
177908-1
4
3
2
1
CKD
R4213
4G-SOCKET-SET-FL388859
-
+
CKD
R4212
4G-SOCKET-SET-FL388859
-
+
AMP
CNDUSTRR
177899-1
3
2
1
AMP
CNTCRR
177898-1
2
1
AMP
CNCLRK322
177905-1
1
3
2
7
6
8
4
5
9
10
11
12
N610169540AA
GY
OG
WH
UL2464VV1007 3CXAWG24 BK
BK/WH
BK
2464-1061/ⅡA(PF) LF 2P×24AWG
RD/WH
RD
Note1)
Note1) Connector Pin arrangement is not sequential.
R Cart Setting Check
-S3217
D4N-1122
31 32
13 14
OMRON
-B1216T
BN
BK
BU
R Cart Lock
Release Confirmation 2
31
N0.5-3.7
JST
S3211/S3217
N610169431AB
BK/WH
BK
RD/WH
RD
AMP
1B1216TP
177911-1
9
8
7
6
5
4
3
2
1
AMP
1B1210/1216TR
177903-1
9
8
7
6
5
4
3
2
1
GY
OG
WH
UL2464VV1007 3CXAWG24 BK
AMP
B1216TR
177899-1
3
2
1
AMP
B1210/1216TP
177907-1
3
2
1
2464-1061/ⅡA(PF) LF 2P×20AWG
AMP
1B1216P
177911-1
9
8
7
6
5
4
3
2
1
-B1216
BN
BK
BU
R Cart Lock
Release Confirmation
N610169430AA
GY
OG
WH
UL2464VV1007 3CXAWG24 BK
AMP
1B1210/1216R
177903-1
9
8
7
6
5
4
3
2
1
AMP
B1216R
177899-1
3
2
1
AMP
B1210/1216P
177907-1
3
2
1
32
13
14
N610169429AB
BK/WH
BK
RD/WH
RD
2464-1061/ⅡA(PF) LF 2P×24AWG
YE/WH
YE
GN/WH
GN
BK/WH
BK
RD/WH
RD
-R4210
R Cart Lock
-R4211
R Cart Lock Release
CKD
R4211
4G-SOCKET-SET-FL388859
-
+
CKD
R4210
4G-SOCKET-SET-FL388859
-
+
BK/WH
BK
RD/WH
RD
2464-1061/ⅡA(PF) LF 2P×24AWG
2464-1061/ⅡA(PF) LF 5P×24AWG
BN/WH
BN
UL1007 24AWG BU BU
1
1
2
2
N610169536**
Panasonic Factory Solutions Co.,Ltd. パナソニック ファクトリーソリューションズ株式会社
Name
Drawing No.
Loc. No.
F4K1020-05A
1
2 3 4 5 6 7 8
A
B
C
D
E
F
1 2 3 4 5 6 7 8
A
B
C
D
E
F
Page. No.
NPM-W2:Main Body Wiring
(Cart Sensor Rear)
N610169329+028AC
P028
2
2

CN16
1
7
2
6
8
3
9
4
12
10
5
11
P24
G24
P24
IN201
G24
P24
G24
P24
IN203
G24
P24
G24
Vacuum Break
Pressure Meter
CNFOF
1
5
6
2
7
3
10
8
4
9
P24
IN200
G24
P24
G24
P24
IN202
G24
P24
G24
AMP
B1200TP
177907-1
3
2
1
AMP
B1201P
177907-1
3
2
1
AMP
B1202TP
177907-1
3
2
1
AMP
B1203P
177907-1
3
2
1
AMP
B1200P
177907-1
3
2
1
AMP
B1201TP
177907-1
3
2
1
AMP
B1202P
177907-1
3
2
1
AMP
B1203TP
177907-1
3
2
1
AMP
B1200TR
177899-1
3
2
1
AMP
B1201R
177899-1
3
2
1
AMP
B1202TR
177899-1
3
2
1
AMP
B1203R
177899-1
3
2
1
AMP
B1200R
177899-1
3
2
1
AMP
B1201TR
177899-1
3
2
1
AMP
B1202R
177899-1
3
2
1
AMP
B1203TR
177899-1
3
2
1
JST
B103X
PAP-05V-S
1
2
3
4
5
MOLEX
CN16K322
5557-12R-210
1
7
2
6
8
3
9
4
12
10
5
11
MOLEX
CNFOFK322
5557-10R-210
1
5
6
2
7
3
10
8
4
9
-K322
PNF0B3
I/O Board #1
F Feeder Opening 4
(Projection Side)
F Feeder Opening 3
(Receive Side)
F Feeder Opening 2
(Projection Side)
F Feeder Opening 1
(Receive Side)
F Feeder Opening 4
(Receive Side)
F Feeder Opening 3
(Projection Side)
F Feeder Opening 2
(Receive Side)
F Feeder Opening 1
(Projection Side)
-B1202
BN
BK
BU
-B1200T
BN
BU
-B1201T
BN
BU
-B1200
BN
BK
BU
-B1201
BN
BK
BU
-B1202T
BN
BU
-B1203
BN
BK
BU
-B1203T
BN
BU
2464-1061/ⅡA(PF) LF 5P×24AWG
BN/WH
BN
YE/WH
YE
GN/WH
GN
BK/WH
BK
RD/WH
RD
2464-1061/ⅡA(PF) LF 5P×24AWG
BN/WH
BN
YE/WH
YE
GN/WH
GN
BK/WH
BK
RD/WH
RD
BK/WH
BK
2464-1061/ⅡA(PF) LF 1P×24AWG
24V
OUT1
OUT2
N.C.
GND
p
5
4
3
2
1
SMC
ZSE30AF-C6L-N-MA1
-B103X
N610169564AA
N610169545AB
Note1)
Note1) Connector Pin arrangement is not sequential.
Note1)
1
2
2
Panasonic Factory Solutions Co.,Ltd. パナソニック ファクトリーソリューションズ株式会社
Name
Drawing No.
Loc. No.
F4K1020-05A
1
2 3 4 5 6 7 8
A
B
C
D
E
F
1 2 3 4 5 6 7 8
A
B
C
D
E
F
Page. No.
NPM-W2:Main Body Wiring
(Front Sensor Wiring)
N610169329+029AC
P029