N7205A110B00.pdf - 第76页
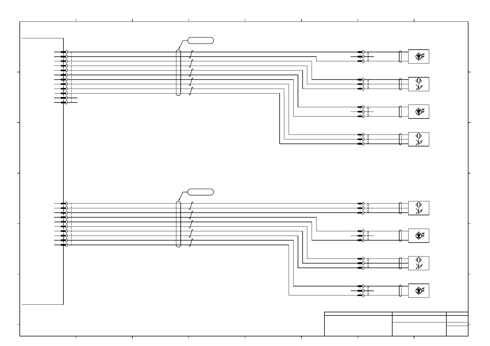
UL1007 24AWG BU UL1007 24AWG BU UL1007 24AWG BU -A02 Power Unit CNFDCVFP 1 2 3 4 5 6 7 8 9 10 11 12 S401 HS5D-03RNP IDEC CNFDCVRP 1 2 3 4 5 6 7 8 9 10 11 12 24GND IN105 24GND IN106 CHECK1 CHECK2 CHECK3 CHECK4 CHECK1 CHEC…

CN15
1
7
2
6
8
3
9
4
12
10
5
11
P24
G24
P24
IN205
G24
P24
G24
P24
IN207
G24
P24
G24
CNFOR
1
5
6
2
7
3
10
8
4
9
P24
IN204
G24
P24
G24
P24
IN206
G24
P24
G24
2464-1061/ⅡA(PF) LF 5P×24AWG
BN/WH
BN
YE/WH
YE
GN/WH
GN
BK/WH
BK
RD/WH
RD
2464-1061/ⅡA(PF) LF 5P×24AWG
BN/WH
BN
YE/WH
YE
GN/WH
GN
BK/WH
BK
RD/WH
RD
-K322
PNF0B3
I/O Board #1
MOLEX
CN15K322
5557-12R-210
1
7
2
6
8
3
9
4
12
10
5
11
MOLEX
CNFORK322
5557-10R-210
1
5
6
2
7
3
10
8
4
9
R Feeder Opening 4
(Projection Side)
R Feeder Opening 3
(Receive Side)
R Feeder Opening 2
(Projection Side)
R Feeder Opening 1
(Receive Side)
R Feeder Opening 4
(Receive Side)
R Feeder Opening 3
(Projection Side)
R Feeder Opening 2
(Receive Side)
R Feeder Opening 1
(Projection Side)
-B1206
BN
BK
BU
-B1204T
BN
BU
-B1205T
BN
BU
-B1204
BN
BK
BU
-B1205
BN
BK
BU
-B1206T
BN
BU
-B1207T
BN
BU
-B1207
BN
BK
BU
AMP
B1204TR
177899-1
3
2
1
AMP
B1205R
177899-1
3
2
1
AMP
B1206TR
177899-1
3
2
1
AMP
B1207R
177899-1
3
2
1
AMP
B1204R
177899-1
3
2
1
AMP
B1205TR
177899-1
3
2
1
AMP
B1206R
177899-1
3
2
1
AMP
B1207TR
177899-1
3
2
1
AMP
B1204P
177907-1
3
2
1
AMP
B1205TP
177907-1
3
2
1
AMP
B1206P
177907-1
3
2
1
AMP
B1207TP
177907-1
3
2
1
AMP
B1207P
177907-1
3
2
1
AMP
B1206TP
177907-1
3
2
1
AMP
B1205P
177907-1
3
2
1
AMP
B1204TP
177907-1
3
2
1
N610169565AA
N610169538AA
Note1)
Note1) Connector Pin arrangement is not sequential.
Note1)
1
Panasonic Factory Solutions Co.,Ltd. パナソニック ファクトリーソリューションズ株式会社
Name
Drawing No.
Loc. No.
F4K1020-05A
1
2 3 4 5 6 7 8
A
B
C
D
E
F
1 2 3 4 5 6 7 8
A
B
C
D
E
F
Page. No.
NPM-W2:Main Body Wiring
(Rear Sensor Wiring)
N610169329+030AC
P030
2

UL1007 24AWG BU
UL1007 24AWG BU
UL1007 24AWG BU
-A02
Power Unit
CNFDCVFP
1
2
3
4
5
6
7
8
9
10
11
12
S401
HS5D-03RNP
IDEC
CNFDCVRP
1
2
3
4
5
6
7
8
9
10
11
12
24GND
IN105
24GND
IN106
CHECK1
CHECK2
CHECK3
CHECK4
CHECK1
CHECK3
CHECK2
CHECK4
2464-1061/ⅡA(PF) LF 3P×24AWG
GN/WH
GN
BK/WH
BK
RD/WH
RD
RD
RD/WH
BK
BK/WH
GN
2464-1061/ⅡA(PF) LF 3P×24AWG
2464-1061/ⅡA(PF) LF 3P×24AWG
GN/WH
GN
BK/WH
BK
RD/WH
RD
2464-1061/ⅡA(PF) LF 3P×24AWG
GN/WH
GN
RD/WH
RD
11 12
21 22
31 32
S402
HS5D-03RNP
IDEC
11 12
21 22
31 32
S403
HS5D-03RNP
IDEC
11 12
21 22
31 32
S404
HS5D-03RNP
IDEC
11 12
21 22
31 32
RD
RD/WH
BK
BK/WH
GN
GN/WH
YE
YE/WH
BN
BN/WH
BU
BU/WH
2464-1061/ⅡA(PF) LF 6P×24AWG
RD
RD/WH
BK
BK/WH
GN
GN/WH
YE
YE/WH
BN
BN/WH
BU
BU/WH
2464-1061/ⅡA(PF) LF 6P×24AWG
BK/WH
BK
GN/WH
11
N0.5-3
JST
12
21
22
31
32
11
N0.5-3
JST
12
21
22
31
32
11
N0.5-3
JST
12
21
22
31
32
11
N0.5-3
JST
12
21
22
31
32
N610169462AB
N610169461AB
N610169549AB
N610169566AA
MOLEX
FDCVRP
5559-12P-210
12
11
10
9
8
7
6
5
4
3
2
1
MOLEX
FDCVRR
5557-12R-210
1
2
3
4
5
6
7
8
9
10
11
12
MOLEX
FDCVFP
5559-12P-210
12
11
10
9
8
7
6
5
4
3
2
1
MOLEX
FDCVFR
5557-12R-210
1
2
3
4
5
6
7
8
9
10
11
12
MOLEX
CNFDCVFR
5557-12R-210
1
2
3
4
5
6
7
8
9
10
11
12
MOLEX
CNFDCVRR
5557-12R-210
1
2
3
4
5
6
7
8
9
10
11
12
Feeder Cover Front 1
Feeder Cover Front 2
Feeder Cover Rear 1
Feeder Cover Rear 2
N610127743AB
N610169283** : Feeder Table Cover Rear H:NPM-W2
N610169274** : Single Tray Feeder Support Wiring:NPM-W2
N610118843** : Twin Tray Feeder Support Wiring:NPM-W
N610169282** : Feeder Table Cover Front H:NPM-W2
S401
S402
S403
S404
UL1007 24AWG BU BU
BU
UL1007 24AWG BU BU
BU
UL1007 24AWG BU BU
BU
MOLEX
FDCVRR
5557-12R-210
1
2
3
4
5
6
7
8
9
10
11
12
1
2
2
2
2
Panasonic Factory Solutions Co.,Ltd. パナソニック ファクトリーソリューションズ株式会社
Name
Drawing No.
Loc. No.
F4K1020-05A
1
2 3 4 5 6 7 8
A
B
C
D
E
F
1 2 3 4 5 6 7 8
A
B
C
D
E
F
Page. No.
NPM-W2:Main Body Wiring
(Feeder Cover Wiring)
N610169329+031AC
P031

-K321
PNF0B4
RING OUT
CN7K302
ILK Board
-K322
PNF0B3
CN7 OPT1
RX
-A02
Power Unit
CN3K322
OPT1K321
CN11
1
4
2
5
3
6
TXD+
TXD-
RXD+
RXD-
EMG
GND
CN12
1
4
2
5
3
6
TXD+
TXD-
RXD+
RXD-
EMG
GND
I/O Board #1
CN3
TX
OPT2
TX
CN8
1
2
3
4
EMG_IN
EMG_OUT
RETURN
FAIL IN
OPT2K321 CN4
RX
P24
G24
P24
G24
N.C.
N.C.
P24
G24
P24
G24
LCVLIO
1
2
7
8
3
9
4
10
5
11
6
12
LCVL
1
2
6
7
3
8
4
5
9
10
P24
G24
P24
G24
OUT220
OUT221
OUT224
OUT225
P24VL
P24VL
N.C.
N.C.
Cart (Front)
Cart (Rear)
CN4K322
CN1
1
3
2
4
5
6
8
7
9
10
11
12
13
14
TXD1+
TXD1-
RXD1+
RXD1-
GND
TXD2+
TXD2-
RXD2+
RXD2-
GND
EMGCOM
EMG
24VOUT
24GND
T05×2-PJS-3000-A
T05×2-PJS-1300-A T05×2-PJS-1800-A
-A01
-K302
NCIO Board
RING IN
CN6K302
MOLEX
LCVLIOK324
43025-1200
1
2
7
8
3
9
4
10
5
11
6
12
MOLEX
CN11K302
43025-0600
6
3
5
2
4
1
MOLEX
CN12K302
43025-0600
6
3
5
2
4
1
MOLEX
CN8K302
43025-0400
4
3
2
1
CN6
MOLEX
CN1K321
43025-1400
14
13
12
11
10
9
7
8
6
5
4
2
3
1
CPU Box
MOLEX
LCVLIOK322
43025-1200
12
6
11
5
10
4
9
3
8
7
2
1
PNFCAC
N510040331AA
N510048093AA
N610169551AA
N510033756AA
N610169433AB
YE/WH
YE
GN/WH
GN
BK/WH
BK
RD/WH
RD
2464-1061/ⅡA(PF) LF 7P×24AWG
GN/WH
GN
BK/WH
BK
RD/WH
RD
BN/WH
BN
YE/WH
YE
GY/WH
GY
BU/WH
BU
Note1)
Note1) Connector Pin arrangement is not sequential.
Note1)
Note1)
Note1)
Note1)
Note1)
MOLEX
LCVLR
5557-10R-210
1
2
6
7
3
8
4
5
9
10
2464-1061/ⅡA(PF) LF 4P×24AWG
1
2
Panasonic Factory Solutions Co.,Ltd. パナソニック ファクトリーソリューションズ株式会社
Name
Drawing No.
Loc. No.
F4K1020-05A
1
2 3 4 5 6 7 8
A
B
C
D
E
F
1 2 3 4 5 6 7 8
A
B
C
D
E
F
Page. No.
NPM-W2:Main Body Wiring
(Board Wiring)
N610169329+032AC
P032
2