N7205A110B00.pdf - 第94页
在线预览 N7205A110B00.pdf PDF 文档。

2.
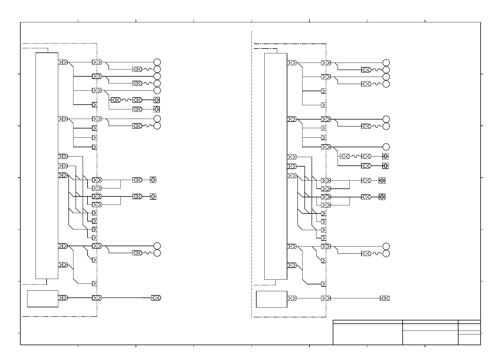
LOAD WIRING DIAGRAM
負荷配線図
2-2 SINGLE CONVEYOR WIRING
シングルコンベア配線
EJM7DB -10-202-00

-K321
CNTM1
-M604
L1 Width Adjustment ORG Detection
PNF0B4
POWER UNIT
-A02
ILK Board
1M604R
-M609 L1 Width Adjustment Axis Motor
1M609R
1M603R
-M603 L1 Mount Position1 Transfer Motor (Fixed)
PNF0B3
I/O Board #1
N610169329**:Main Body Wiring:NPM-W2
L1 Support Pin Detection (Receiver,Projector) -B1C01
-B1C02
CNTM2 -M601 L1 Left Transfer Motor (Fixed)
CNTL
1B1127R
L1 Wait for Loading(Left) PCB Detection 1,2 -B1127,-B1131
L1 Mount Position 1 PCB Detection 5,4 -B1115,-B1122
1B1120R
CNTR1
CNTR2
1M601R
CNTL
1B1223R
-B1223,-B1225
Transfer Specification
-K322
-B1227,Spare
-B1012,-B1123
-B1113,-B1136
-M608 L1 Right Transfer Motor (Movable)
-M605 L1 Left Transfer Motor (Movable)
M
M
M
M
M
-M607 L1 Mount Position1 Transfer Motor (Movable)
M
M
L1 Mount Position 2 PCB Detection 4,5
L1 Mount Position 2 PCB Detection 2,1
L1 Wait for Loading(Right) PCB Detection 2,1 -B1120,-B1121
-M602
1M602R
-M606
M
M
L1 Mount Position2 Transfer Motor (Fixed)
L1 Mount Position2 Transfer Motor (Movable)
CNEXR-M
CNEXR-S
-B1136,-B1113 L1 Mount Position 2 PCB Detection 1,2
CNEXR
1B1127R
1B1120R
1B1012R
1B1115R
1
1
1
L1 Right Transfer Motor (Fixed)
-K321
CNTM1
-M604
L1 Width Adjustment ORG Detection
PNF0B4
POWER UNIT
-A02
ILK Board
1M604R
-M609 L1 Width Adjustment Axis Motor
1M609R
1M603R
-M603 L1 Mount Position1 Transfer Motor (Fixed)
PNF0B3
I/O Board #1
N610169329**:Main Body Wiring:NPM-W2
L1 Support Pin Detection (Receiver,Projector) -B1C01
-B1C02
CNTM2
-M601 L1 Left Transfer Motor (Fixed)
CNTL
1B1127R
L1 Wait for Loading(Left) PCB Detection 1,2 -B1127,-B1131
L1 Mount Position 1 PCB Detection 5,4 -B1115,-B1122
1B1120R
CNTR1
CNTR2
1M601R
CNTL
1B1223R
-B1223,-B1225
Transfer Specification
-K322
-B1227,Spare
-B1012,-B1123
-B1113,-B1136
-M608 L1 Right Transfer Motor (Movable)
-M605 L1 Left Transfer Motor (Movable)
M
M
M
M
M
-M607 L1 Mount Position1 Transfer Motor (Movable)
M
M
L1 Mount Position 2 PCB Detection 4,5
L1 Mount Position 2 PCB Detection 2,1
L1 Wait for Loading(Right) PCB Detection 2,1 -B1120,-B1121
-M602
1M602R
-M606
M
M
L1 Mount Position2 Transfer Motor (Fixed)
L1 Mount Position2 Transfer Motor (Movable)
CNEXR-M
CNEXR-S
-B1136,-B1113 L1 Mount Position 2 PCB Detection 1,2
CNEXR
1B1127R
1B1120R
1B1012R
1B1115R
L1 Right Transfer Motor (Fixed)
Single Conveyor (Rear Reference)
Single Conveyor (Front Reference)
2
Panasonic Factory Solutions Co.,Ltd. パナソニック ファクトリーソリューションズ株式会社
Name
Drawing No.
Loc. No.
F4K1020-05A
1
2 3 4 5 6 7 8
A
B
C
D
E
F
1 2 3 4 5 6 7 8
A
B
C
D
E
F
Page. No.
NPM-W2:Single Conveyor Unit
Block Diagram
N610163963+002AC
P002