N7205A110B00.pdf - 第83页
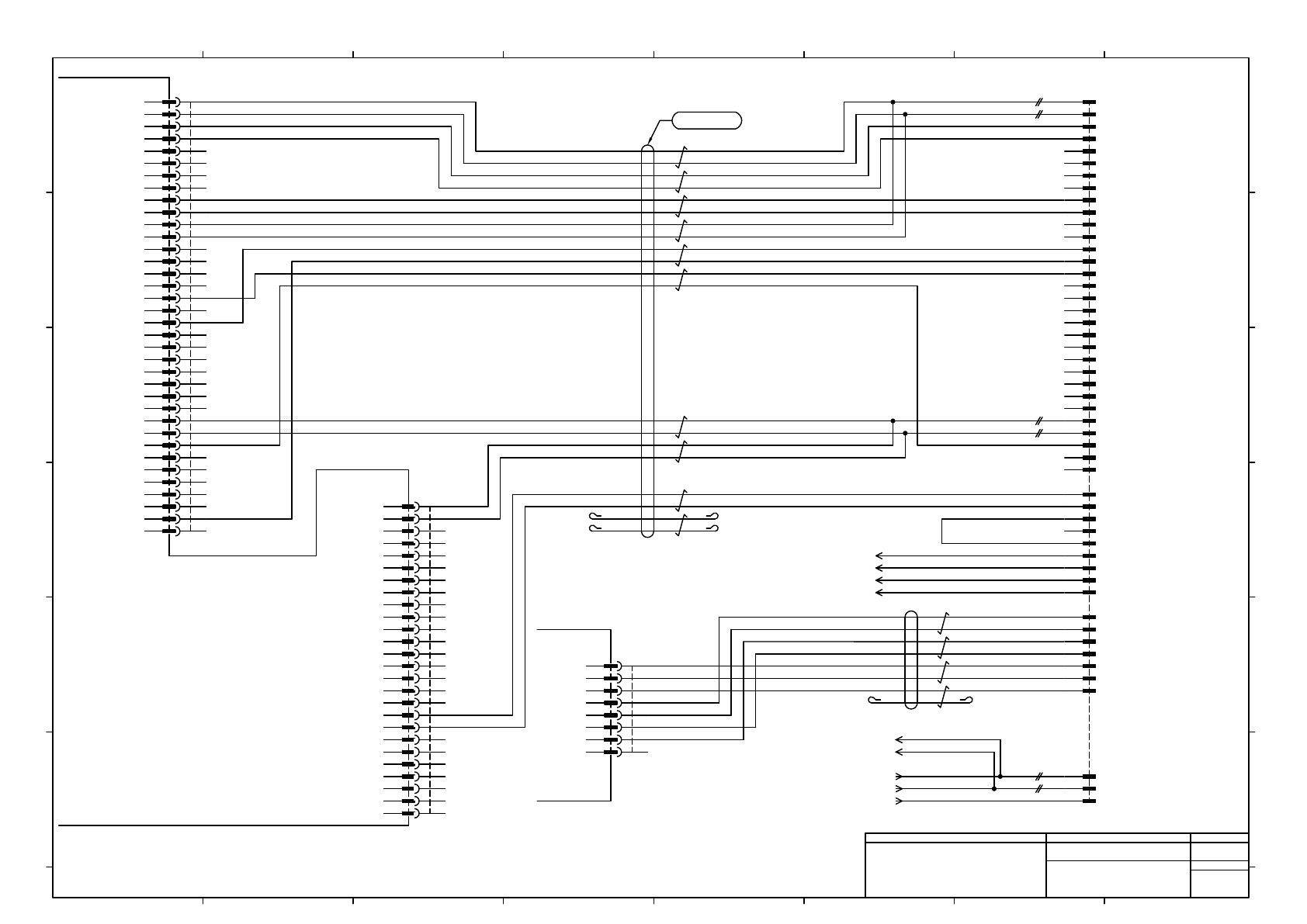
-K322 PNF0B3 I/O Board #1 CNIOA 1 2 3 4 5 6 7 8 9 10 11 12 13 14 15 16 P24 IN230 IN231 IN237 IN242 IN243 N.C G24 P24 IN232 IN213 OT214 OT215 OT216 OT217 G24 L_CONNECT0 P037-6B L_CONNECT1 P037-6B FEND-EXL P037-6C G24EXL P…

CNEXL-M
1
2
3
4
5
6
7
8
9
10
11
12
13
14
15
16
17
18
19
20
21
22
23
24
25
26
27
28
29
30
-K321
PNF0B4
V24(M)
GND(M)
V24(C)
GND(C)
M-REV21
OT122
M-SPD21
EMG11
D+Main
D-Main
V24(M)
GND(M)
V24(C)
GND(C)
+24V
GND
PH135
OUT107
V24(M)
GND(M)
S-REV21
OUT123
S-SPD21
EMG20
D+SUB
D-SUB
V24(M)
GND(M)
PH137
IN042
ILK Board
To
Extension
Conveyor
(Left Side)
To
Left Side
Transportation Opening Sensor
P24XLP
P040-3B
G24XLP P040-3B
P24XLR P040-3B
G24XLR P040-3C
OPENXL P040-3C
L_CONNECT0
P038-6B
L_CONNECT1
P038-6B
G24EXL
P038-6B
FEND-EXL
P038-6B
CNEXL-S
1
2
3
4
5
6
7
8
9
10
11
12
13
14
15
16
17
18
19
20
21
22
23
24
25
26
V24(M)
GND(M)
EMG20
COMP
D+MAIN
D-MAIN
+24V
LN004
GND
LN005
GND
OUT004
OUT005
V24(C)
GND(C)
EMG10
OUT124+
D+SUB
D-SUB
+24V
OUT107
COM00
OUT125+
COM00
NC
NC
2464-1061/ⅡA(PF) LF 4P×20AWG
RD
RD/WH
BK
BK/WH
GN
GN/WH
YE
YE/WH
CNEXL01
1
2
3
4
5
6
7
8
-A02
Power Unit
P24
G24
RL1
CHECK3
CHECK3
CHECK2
K1K2OUT
N.C.
N610169423AB
UL1007 24AWG BU BU
JST
CNEXL-MK321
PUDP-30V-S
1
2
3
4
5
6
7
8
9
10
11
12
13
14
15
16
17
18
19
20
21
22
23
24
25
26
27
28
29
30
MOLEX
CNEXL01R
5557-08R-210
8
7
6
5
4
3
2
1
MOLEX
CNEXL
51238-5011
C4
C3
A4
A3
C2
C1
E5
E6
E7
C9
C8
B9
D2
B10
A8
A7
E10
D10
D9
D8
D7
D6
D4
B7
D1
B8
C7
B6
B5
B4
B3
B2
B1
A6
A5
A2
A1
C5
C6
D5
C10
E8
E9
E1
E2
E3
E4
A9
D3
A10
JST
CNEXL-SK321
PUDP-26V-S
1
2
3
4
5
6
7
8
9
10
11
12
13
14
15
16
17
18
19
20
21
22
23
24
25
26
Note1)
Note1) Connector Pin arrangement is not sequential.
MOLEX
1M602P
5559-12P-210
12
11
10
9
8
7
6
5
4
3
2
1
2464-1061/ⅡA(PF) LF 5P×24AWG
BN/WH
BN
YE/WH
YE
GN/WH
GN
BK/WH
BK
RD/WH
RD
2464-1061/ⅡA(PF) LF 5P×24AWG
BN/WH
BN
YE/WH
YE
GN/WH
GN
BK/WH
BK
RD/WH
RD
MOLEX
1M632P
5559-12P-210
12
11
10
9
8
7
6
5
4
3
2
1
BK/WH
BK
RD/WH
RD
YE/WH
YE
GN/WH
GN
BK/WH
BK
RD/WH
RD
UL1007 24AWG BU BU
UL1007 24AWG BU BU
BN/WH
BN
2464-1061/ⅡA(PF) LF 5P×24AWG
2464-1061/ⅡA(PF) LF 3P×24AWG
GN/WH
GN
Panasonic Factory Solutions Co.,Ltd. パナソニック ファクトリーソリューションズ株式会社
Name
Drawing No.
Loc. No.
F4K1020-05A
1 2 3 4 5 6 7 8
A
B
C
D
E
F
1 2 3 4 5 6 7 8
A
B
C
D
E
F
Page. No.
NPM-W2:Main Body Wiring
(Left Extension Conveyer I/F)
N610169329+037AB
P037
1
1

-K322
PNF0B3
I/O Board #1
CNIOA
1
2
3
4
5
6
7
8
9
10
11
12
13
14
15
16
P24
IN230
IN231
IN237
IN242
IN243
N.C
G24
P24
IN232
IN213
OT214
OT215
OT216
OT217
G24
L_CONNECT0 P037-6B
L_CONNECT1 P037-6B
FEND-EXL P037-6C
G24EXL P037-6C
R_CONNECT0 P039-6D
R_CONNECT1 P039-6D
MOLEX
CNIOA
5557-16R-210
1
2
3
4
5
6
7
8
9
10
11
12
13
14
15
16
MOLEX
EXL-R
5557-08R-210
8
7
6
5
4
3
2
1
MOLEX
EXL-P
5559-08P-210
8
7
6
5
4
3
2
1
BK/WH
BK
RD/WH
RD
2464-1061/ⅡA(PF) LF 2P×24AWG
BK/WH
BK
RD/WH
RD
2464-1061/ⅡA(PF) LF 2P×24AWG
BK/WH
BK
RD/WH
RD
2464-1061/ⅡA(PF) LF 2P×24AWG
FEND-EXR P039-6D
G24EXR P039-6D
N610169424**
Panasonic Factory Solutions Co.,Ltd. パナソニック ファクトリーソリューションズ株式会社
Name
Drawing No.
Loc. No.
F4K1020-05A
1 2 3 4 5 6 7 8
A
B
C
D
E
F
1 2 3 4 5 6 7 8
A
B
C
D
E
F
Page. No.
NPM-W2:Main Body Wiring
(Identification Signal)
N610169329+038AA
P038

CNEXR-M
1
2
3
4
5
6
7
8
9
10
11
12
13
14
15
16
17
18
19
20
21
22
23
24
25
26
27
28
29
30
31
32
33
34
35
36
P24(M)
GND(M)
P24(C)
GND(C)
M-REV31
OT120
M-SPD31
EMG_OUT10
D+Main
D-Main
P24(M)
GND(M)
P24(C)
GND(C)
+24V
GND
IN114
OUT106
V24(M)
GND(M)
S-REV31
OUT121
S-SPD31
EMG20
D+SUB
D-SUB
V24(M)
GND(M)
PH116
OUT113
OT140
OT141
OT142
OT143
IN043
To
Extension
Conveyor
(Right Side)
-K321
PNF0B4
ILK board
To
Right Side
Transportation Opening Sensor
P24XRP
P040-3D
G24XRP
P040-3D
P24XRR P040-3D
G24XRR P040-3D
OPENXR P040-3E
LG/WH
LG
VT/WH
VT
OG/WH
OG
GY/WH
GY
BU/WH
BU
BN/WH
BN
YE/WH
YE
GN/WH
GN
BK/WH
BK
RD/WH
RD
R_CONNECT0
P038-6C
R_CONNECT1
P038-6C
2464-1061/ⅡA(PF) LF 4P×20AWG
RD
RD/WH
BK
BK/WH
GN
GN/WH
YE
YE/WH
Power Unit
-A02
1
2
3
4
5
6
7
8
P24
G24
RL2
CHECK4
CHECK4
K1K2OUT
A1
CNEXR01
N610169424AC
UL1007 24AWG BU BU
Note1)
Note1) Connector Pin arrangement is not sequential.
MOLEX
CNEXR01R
5557-08R-210
8
7
6
5
4
3
2
1
JST
CNEXR-MK321
PUDP-36V-S
1
2
3
4
5
6
7
8
9
10
11
12
13
14
15
16
17
18
19
20
21
22
23
24
25
26
27
28
29
30
31
32
33
34
35
36
G24EXR
P038-6C
FEND-EXR
P038-6C
MOLEX
CNEXR
51233-5011
D8
E9
E8
C10
C6
C5
C9
C8
D5
A4
A3
C4
C3
C2
C1
B9
D7
D2
B10
A8
A7
D6
D4
B7
D1
B8
C7
B6
B5
B4
B3
B2
B1
A6
A5
A2
A1
D9
D10
E10
E5
E6
E7
E1
E2
E3
E4
A9
D3
A10
2464-1061/ⅡA(PF) LF 10P×24AWG
CNEXR-S
1
2
3
4
5
6
7
8
9
10
11
12
13
14
15
16
17
18
19
20
21
22
23
24
25
26
V24(M)
GND(M)
EMG20
COMS
D+MAIN
D-MAIN
+24V
LN006
GND
LN007
GND
OUT006
OUT007
V24(C)
GND(C)
EMG10
OUT126+
D+SUB
D-SUB
+24V
OUT106
COM01
OUT127+
COM01
JST
CNEXR-SK321
PUDP-26V-S
1
2
3
4
5
6
7
8
9
10
11
12
13
14
15
16
17
18
19
20
21
22
23
24
25
26
1
1
Panasonic Factory Solutions Co.,Ltd. パナソニック ファクトリーソリューションズ株式会社
Name
Drawing No.
Loc. No.
F4K1020-05A
1
2 3 4 5 6 7 8
A
B
C
D
E
F
1 2 3 4 5 6 7 8
A
B
C
D
E
F
Page. No.
NPM-W2:Main Body Wiring
(Right Extension Conveyer I/F)
N610169329+039AC
P039
2