N7205A110B00.pdf - 第296页
-K303 PNF0AP 9 8 7 6 5 4 3 2 DEU-9SF-F0 COM1A01 JAE 1 BU BK BK/WH RD U-TKVVBS AWG24-2P Power IF Box:N610090134AB RD/WH (0.2mm2-2P) Head Communication Relay Board 1 2 3 4 5 6 7 8 9 DCD RXD TXD DTR GND DSR RTS CTS DIO COM1…

P24
P24
G24
G24
RXD+
RXD-
TXD+
TXD-
GND
Power IF Box
:N610090134AB
G24
G24
Inspection Box
F.G
1
7
2
8
3
9
5557-12R-210
RS422-R
MOLEX
5
11
4
10
6
55836-1271
1CART-P
MOLEX
A1
A2
A3
A4
B1
B2
B3
B4
C1
C2
C3
C4
S
S
S
12
RD/WH (0.5mm2-2P)
BK
BK/WH
RD
UL2464-1061/Ⅱ A(PF)LF AWG20-2P
RS422-P
1
7
2
8
3
9
5
11
4
10
6
12
YE/WH (0.2mm2-4P)
YE
GN/WH
GN
RD/WH
RD
BK/WH
BK
U-TKVVBS AWG24-4P
1
For
Safety cover
Panasonic Factory Solutions Co.,Ltd. パナソニック ファクトリーソリューションズ株式会社
Name
Drawing No.
Loc. No.
F4K1020-05A
1
2 3 4 5 6 7 8
A
B
C
D
E
F
1 2 3 4 5 6 7 8
A
B
C
D
E
F
Page. No.
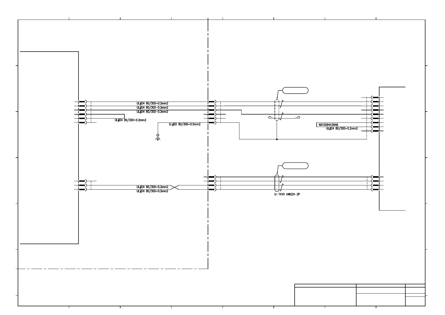
Wiring for Inspection Box:NPM
(Communication wiring 1)
N610090439+004AB
P004
N610100820AA
N610100820AA

-K303
PNF0AP
9
8
7
6
5
4
3
2
DEU-9SF-F0
COM1A01
JAE
1
BU
BK
BK/WH
RD
U-TKVVBS AWG24-2P
Power IF Box:N610090134AB
RD/WH
(0.2mm2-2P)
Head Communication
Relay Board
1
2
3
4
5
6
7
8
9
DCD
RXD
TXD
DTR
GND
DSR
RTS
CTS
DIO
COM1
PC
-A01
FC-E25/HY2CG1
NEC
1
2
3
4
DI
DICOM
DO+
DO-
PAP-04V-S
DIOA01
JST
4
3
2
1
43025-0400
DIO-R
MOLEX
4
3
2
1
RD
BK/WH
BK
RD/WH (0.2mm2-2P)
CN4
1
2
3
4
5
6
TXD
RXD
GND
RTS
CTS
F.G(2)
CN5
1
2
3
EXT+24VIN
EXT-GND
PC-STATUS(IN)
BU
43020-0400
DIO
MOLEX
1
2
3
4
BU
43025-0600
CN4K303
MOLEX
6
5
4
3
2
1
BU
3
2
1
PAP-03V-S
CN5K303
JST
BU
BU
BU
43020-0600
RS232C
MOLEX
4
5
6
1
2
3
43025-0600
RS232C-R
MOLEX
6
5
4
3
2
1
BK
TMEE1.25-4
NICHIFU
FG
Panasonic Factory Solutions Co.,Ltd. パナソニック ファクトリーソリューションズ株式会社
Name
Drawing No.
Loc. No.
F4K1020-05A
1
2 3 4 5 6 7 8
A
B
C
D
E
F
1 2 3 4 5 6 7 8
A
B
C
D
E
F
Page. No.
Wiring for Inspection Box:NPM
(Communication wiring 2)
N610090439+005AC
P005
N610094439AB
N610090455AB
1
2

-K301
PPR0AE-A
-A01
FC-E25/HY2CG1
NEC
HDR-E26MG+
CN1K301
HONDA
CN1
BN
BN
WH
BN
YE
GN
WH
BN
RD
GN
GN
WH
BU
BN
YE
GN
BN
1
14
25
12
24
11
23
10
22
9
21
8
20
7
18
5
19
6
13
26
17
4
16
3
15
2
GND/12V
GND
X0-
X0+
X1-
X1+
X2-
X2+
XCLK-
XCLK+
X3-
X3+
SERTC+
SERTC-
CC1-
CC1+
SERTFG-
SERTFG+
GND
GND/12V
CC2+
CC2-
CC3-
CC3+
CC4+
CC4-
LB
22
10
23
24
25
17
26
18
3
16
4
2
15
1
11
9
8
19
13
6
5
7
20
12
14
21
HDR-E26LPH
5
17
4
16
3
15
2
14
1
HDR-E26MG+
CAMERA-EX
HONDA
19
6
18
10
26
13
21
8
22
9
20
7
24
11
23
25
12
HDR-E26LPJ+
For
Camera I/F
Board
in Main Body
VGA
1
6
2
7
3
8
4
5
9
13
10
14
11
12
15
GRED
AGND(R)
GREEN
AGND(G)
GBLUE
AGND(B)
N.C
DGND
VP50
GHSYNC+10
DGND
GVSYNC+10
N.C
SDA-10
SCL-10
For
Display
TMEE1.25-3
NICHIFU
1
6
2
7
3
8
4
5
9
13
10
14
11
12
15 15
12
11
14
13
9
5
4
8
3
7
2
6
1
D-SUB15P/F
VGA-R
10
VGA-A01
FG
N510069219AA
1 2
N510049322AA
DAIDEN
CAML-E-1130
Taiyo Cabletec
HDDB15P-17EHD-015SAA-000 TAK
Panasonic Factory Solutions Co.,Ltd. パナソニック ファクトリーソリューションズ株式会社
Name
Drawing No.
Loc. No.
F4K1020-05A
1
2 3 4 5 6 7 8
A
B
C
D
E
F
1 2 3 4 5 6 7 8
A
B
C
D
E
F
Page. No.
Wiring for Inspection Box:NPM
(Camera link, VGA I/F)
N610090439+006AD
P006
3