N7205A110B00.pdf - 第97页
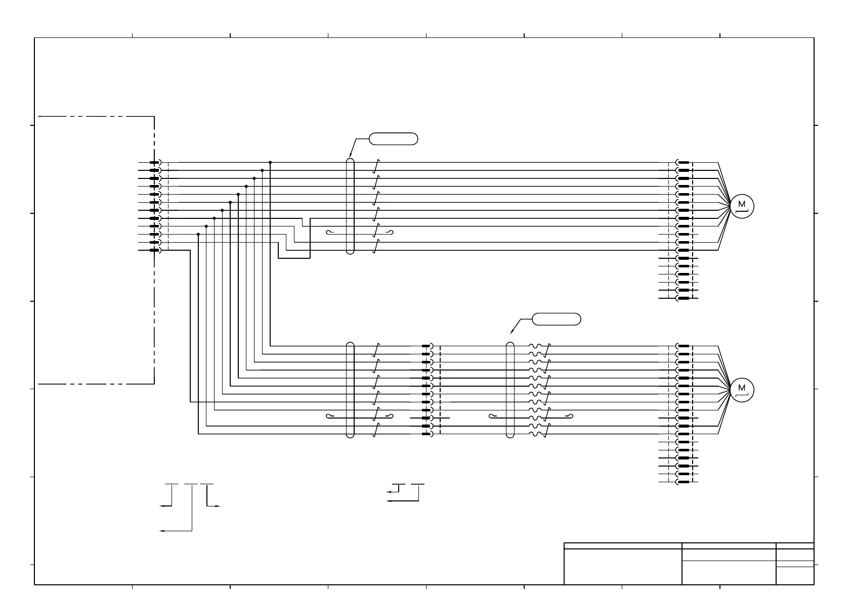
N610164160AB JST M602R/M603R(M633R) PHDR-18VS 18 17 16 15 11 10 13 12 9 8 7 5 4 6 14 3 2 1 Note1) T/2464-3599 BK LF 6P×24AWG VT PK GY BK LB BN GN OG BU RD WH YE 1 2 3 4 5 6 7 8 9 10 11 12 12 11 10 9 8 7 6 5 4 3 2 1 N6101…

Note1) Connector pin arrangement is not sequential.
+V24(M)
GND(M)
+V24(C)
GND(C)
M-REV03
OUT112
M-SPD03
EMG11
D+MAIN
D-MAIN
N.C.
GND(C)
1
2
3
14
6
4
5
7
8
9
12
13
10
11
15
16
17
18
-M601/-M604
N610163984AB
JST
M601R/M604R(M634R)
PHDR-18VS
18
17
16
15
11
10
13
12
9
8
7
5
4
6
14
3
2
1
Note1)
1
2
3
14
6
4
5
7
8
9
12
13
10
11
15
16
17
18
-M605/-M608
T/2464-3599 BK LF 6P×24AWG
VT
PK
GY
BK
LB
BN
GN
OG
BU
RD
WH
YE
1
2
3
4
5
6
7
8
9
10
11
12 12
11
10
9
8
7
6
5
4
3
2
1
N610164146AB
2464-1061/ⅡA(PF) LF 6P×24AWG
BN/WH
BN
BU/WH
BU
YE/WH
YE
GN/WH
GN
BK/WH
BK
RD/WH
RD
JST
M605R/M608R(M638R)
PHDR-18VS
18
17
16
15
11
10
13
12
9
8
7
5
4
6
14
3
2
1
AMP
1M605P/1M608P(1M638P)
177913-1
AMP
1M605R/1M608R(1M638R)
177905-1
P24(M)
GND(M)
P24(C)
GND(C)
Revers
STR/STP
SPD_H/L
EMG
DATA+
DATA-
CW/CCW
BUSY
OUT1
OUTPUT COM
NC
NC
NC
NC
P24(M)
GND(M)
P24(C)
GND(C)
Revers
STR/STP
SPD_H/L
EMG
DATA+
DATA-
CW/CCW
BUSY
OUT1
OUTPUT COM
NC
NC
NC
NC
L1 Left
L1 Left
Note1)
2464-1061/ⅡA(PF) LF 6P×24AWG
BN/WH
BN
BU/WH
BU
YE/WH
YE
GN/WH
GN
BK/WH
BK
RD/WH
RD
MOLEX
1M601R/1M604R(1M634R)
5557-12R-210
1
2
3
4
5
6
7
8
9
10
11
12
MOLEX
1M601P
5559-12P-210
12
11
10
9
8
7
6
5
4
3
2
1
1
1
1 1
1
1
N610169329**:
Transfer Motor
Transfer Motor
(Movable Side)
(Fixed Side)
1
1 2
2
・Dual Conveyor L1
・Single Conveyor (Rear Reference)
・Dual Conveyor L2
・Single Conveyor (Front Reference)
*** / *** (***)
[White Mark Tube]
[White Mark Tube]
[Yellow Mark Tube]
Note2) Relation Between Connector Name and Conveyor Specification
2
・Single Conveyor (Rear Reference)
・Single Conveyor (Front Reference)
*** / ***
Note3) Relation Between Motor No. and Conveyor Specification
2
Note2)
2
Note2)
2
Note2)
2
Note2)
2
Note2)
2
Note3)
2
Note3)
2
Panasonic Factory Solutions Co.,Ltd. パナソニック ファクトリーソリューションズ株式会社
Name
Drawing No.
Loc. No.
F4K1020-05A
1
2 3 4 5 6 7 8
A
B
C
D
E
F
1 2 3 4 5 6 7 8
A
B
C
D
E
F
Page. No.
NPM-W2:Single Conveyor Unit
Conveyor Motor 1
N610163963+003AC
P003

N610164160AB
JST
M602R/M603R(M633R)
PHDR-18VS
18
17
16
15
11
10
13
12
9
8
7
5
4
6
14
3
2
1
Note1)
T/2464-3599 BK LF 6P×24AWG
VT
PK
GY
BK
LB
BN
GN
OG
BU
RD
WH
YE
1
2
3
4
5
6
7
8
9
10
11
12 12
11
10
9
8
7
6
5
4
3
2
1
N610164166AB
2464-1061/ⅡA(PF) LF 6P×24AWG
BN/WH
BN
BU/WH
BU
YE/WH
YE
GN/WH
GN
BK/WH
BK
RD/WH
RD
JST
M606R/M607R(M637R)
PHDR-18VS
18
17
16
15
11
10
13
12
9
8
7
5
4
6
14
3
2
1
AMP
1M606P/1M607P(1M637P)
177913-1
AMP
1M606R/1M607R(1M637R)
177905-1
L1 Mount Position2
L1 Mount Position2
Note1)
Note1) Connector pin arrangement is not sequential.
+V24(M)
GND(M)
+V24(C)
GND(C)
M-REV21
OUT122
M-SPD21
EMG11
D+MAIN
D-MAIN
N.C.
GND(C)
1
2
3
14
6
4
5
7
8
9
12
13
10
11
15
16
17
18
-M606/-M607
P24(M)
GND(M)
P24(C)
GND(C)
Revers
STR/STP
SPD_H/L
EMG
DATA+
DATA-
CW/CCW
BUSY
OUT1
OUTPUT COM
NC
NC
NC
NC
1
2
3
14
6
4
5
7
8
9
12
13
10
11
15
16
17
18
-M602/-M603
P24(M)
GND(M)
P24(C)
GND(C)
Revers
STR/STP
SPD_H/L
EMG
DATA+
DATA-
CW/CCW
BUSY
OUT1
OUTPUT COM
NC
NC
NC
NC
2464-1061/ⅡA(PF) LF 6P×24AWG
BN/WH
BN
BU/WH
BU
YE/WH
YE
GN/WH
GN
BK/WH
BK
RD/WH
RD
MOLEX
1M602P
5559-12P-210
12
11
10
9
8
7
6
5
4
3
2
1
MOLEX
1M602R/1M603R(1M633R)
5557-12R-210
1
2
3
4
5
6
7
8
9
10
11
12
1
1
1 1
1
1
Main Body Wiring:NPM-W2
N610169329**:
Transfer Motor
Transfer Motor
(Movable Side)
(Fixed Side)
1
1 2
2
・Dual Conveyor L1
・Single Conveyor (Rear Reference)
・Dual Conveyor L2
・Single Conveyor (Front Reference)
*** / *** (***)
[White Mark Tube]
[White Mark Tube]
[Yellow Mark Tube]
Note2) Relation Between Connector Name and Conveyor Specification
2
・Single Conveyor (Rear Reference)
・Single Conveyor (Front Reference)
*** / ***
Note3) Relation Between Motor No. and Conveyor Specification
2
Note2)
2
Note2)
2
Note2)
2
Note2)
2
Note2)
2
Note3)
2
Note3)
2
Panasonic Factory Solutions Co.,Ltd. パナソニック ファクトリーソリューションズ株式会社
Name
Drawing No.
Loc. No.
F4K1020-05A
1
2 3 4 5 6 7 8
A
B
C
D
E
F
1 2 3 4 5 6 7 8
A
B
C
D
E
F
Page. No.
NPM-W2:Single Conveyor Unit
Conveyor Motor 2
N610163963+004AC
P004

Note1) Connector pin arrangement is not sequential.
L1 Mount Position1
L1 Mount Position1
+24V(M)
GND(M)
+24V(C)
GND(C)
M-REV02
OUT111
M-SPD02
EMG10
D+MAIN
D-MAIN
N.C.
GND(C)
1
2
3
14
6
4
5
7
8
9
12
13
10
11
15
16
17
18
-M603/-M602
P24(M)
GND(M)
P24(C)
GND(C)
Revers
STR/STP
SPD_H/L
EMG
DATA+
DATA-
CW/CCW
BUSY
OUT1
OUTPUT COM
NC
NC
NC
NC
1
2
3
14
6
4
5
7
8
9
12
13
10
11
15
16
17
18
-M607/-M606
P24(M)
GND(M)
P24(C)
GND(C)
Revers
STR/STP
SPD_H/L
EMG
DATA+
DATA-
CW/CCW
BUSY
OUT1
OUTPUT COM
NC
NC
NC
NC
N610163983AB
JST
M603R/M602R(M632R)
PHDR-18VS
18
17
16
15
11
10
13
12
9
8
7
5
4
6
14
3
2
1
Note1)
T/2464-3599 BK LF 6P×24AWG
VT
PK
GY
BK
LB
BN
GN
OG
BU
RD
WH
YE
1
2
3
4
5
6
7
8
9
10
11
12 12
11
10
9
8
7
6
5
4
3
2
1
N610164151AB
2464-1061/ⅡA(PF) LF 6P×24AWG
BN/WH
BN
BU/WH
BU
YE/WH
YE
GN/WH
GN
BK/WH
BK
RD/WH
RD
JST
M607R/M606R(M636R)
PHDR-18VS
18
17
16
15
11
10
13
12
9
8
7
5
4
6
14
3
2
1
AMP
1M607P/1M606P(1M636P)
177913-1
AMP
1M607R/1M606R(1M636R)
177905-1
Note1)
2464-1061/ⅡA(PF) LF 6P×24AWG
BN/WH
BN
BU/WH
BU
YE/WH
YE
GN/WH
GN
BK/WH
BK
RD/WH
RD
MOLEX
1M603R/1M602R(1M632R)
5557-12R-210
1
2
3
4
5
6
7
8
9
10
11
12
MOLEX
1M603P
5559-12P-210
12
11
10
9
8
7
6
5
4
3
2
1
1
1
1 1
1
1
Main Body Wiring:NPM-W2
N610169329**:
Transfer Motor
Transfer Motor
(Movable Side)
(Fixed Side)
1
1 2
2
・Dual Conveyor L1
・Single Conveyor (Rear Reference)
・Dual Conveyor L2
・Single Conveyor (Front Reference)
*** / *** (***)
[White Mark Tube]
[White Mark Tube]
[Yellow Mark Tube]
Note2) Relation Between Connector Name and Conveyor Specification
2
・Single Conveyor (Rear Reference)
・Single Conveyor (Front Reference)
*** / ***
Note3) Relation Between Motor No. and Conveyor Specification
2
Note2)
2
Note2)
2
Note2)
2
Note2)
2
Note2)
2
Note3)
2
Note3)
2
Panasonic Factory Solutions Co.,Ltd. パナソニック ファクトリーソリューションズ株式会社
Name
Drawing No.
Loc. No.
F4K1020-05A
1
2 3 4 5 6 7 8
A
B
C
D
E
F
1 2 3 4 5 6 7 8
A
B
C
D
E
F
Page. No.
NPM-W2:Single Conveyor Unit
Conveyor Motor 3
N610163963+005AC
P005