N7205A110B00.pdf - 第31页
UL1015 16AWG GN/YE UL1015 12AWG BK AI4-10GY PHOENIX CONTACT L11aX2 EhX2 To Main Air Valve L11bX2 AI1.5-10BK PHOENIX CONTACT L31bX2 L31cX2 G111 489-086-L10 SANYO DENKI GN/YE L11 P003-6C L21 P003-6C L31 P003-6D L111 P003-6…

AC INPUT
-X111
TB-X111(F002680)
PHOENIX CONTACT
L11
L11
L21
L21
L31
L31
L11
L11
L21
L21
L31
L31
L11bX1
AI1.5-10BK
PHOENIX CONTACT
L31eX1
EeX1
L11fX1
AI4-10GY
L21cX1
L31cX1
EmX1
EnX1
L21bX1
L31bX1
L21fX1
L31fX1
L11cX1
L11eX1
L21eX1
EbX1
EfX1
EhX1
AI2.5-10BU
EjX1
EkX1
AI4-10GY
PHOENIX CONTACT
L11dX1
L21dX1
L31dX1
EgX1
To
Tray Feeder
R2-4
JST
FG1TRAY.PR
UE/2501E-SBX(N)[Y/G] Black LF 3×16AWG
BK2
BK1
GN/YE
R5.5-4
JST
FGTRAY.PR
E3
P007-6F
E5
P004-3F
E1
P004-1B
E4
P004-4E
E7
P004-4D
E6
P004-3F
L11-1
P006-2B
L21-1
P006-2C
L31-1
P006-2C
E8
P004-6C
L111
P004-1B
L31
P004-1A
L21
P004-1A
L11
P004-1A
L11-2
P007-1B
L21-2
P007-1B
L31-2
P007-1B
UL1015 16AWG BK BK
UL1015 12AWG BK BK
UL1015 12AWG BK BK
UL1015 12AWG BK BK
UL1015 12AWG BK BK
UL1015 12AWG BK BK
UL1015 12AWG BK BK
UL1015 14AWG BK BK
UL1015 12AWG GN/YE GN/YE
UL1015 16AWG GN/YE GN/YE
N610169434AA
N610169483AB
N610169484AB
N610169485AB
N610169482AB
N610169486AB
N610169487AA
N610169488AA
N610169489AA
N610169500AC
N610169501AC
EaX1
L11aX1
L21aX1
L31aX1
EdX1
To K323
To K221
To B4010AC
To T121
To T123
To G111
To T122
To T122
MOLEX
TRAY.PR
51300-0414
B2
B1
A2
A1
L11-3
P007-1D
L21-3
P007-1D
L31-3
P007-1D
E10
P007-1D
5
4
FK5.5-S4
JST
6
R5.5-4
JST
From
Noise Filter
-V01
From
Earth Plate
-X001
UL1015 12AWG BK
UL1015 12AWG BK BK
BK
UL1015 12AWG BK BK
UL1015 12AWG GN/YE GN/YE
N610169481**
N610169481**
N610169442**
N610169449**
N610169496**
N610169490**
N610169491**
N610169492**
5.5-S4
JST
To K222
To X112
N610169411**
N610169410**
1
1
1
1
1
1
1
2
2
Panasonic Factory Solutions Co.,Ltd. パナソニック ファクトリーソリューションズ株式会社
Name
Drawing No.
Loc. No.
F4K1020-05A
1
2 3 4 5 6 7 8
A
B
C
D
E
F
1 2 3 4 5 6 7 8
A
B
C
D
E
F
Page. No.
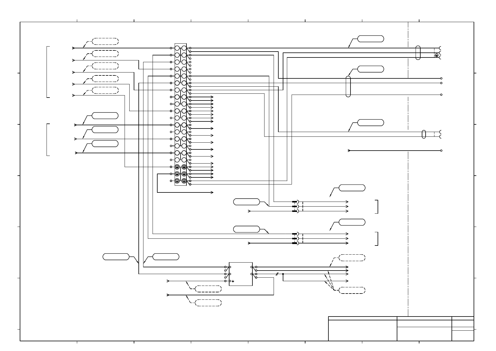
NPM-W2:Power Unit Wiring
(AC200V Input & Branch)
MTKA001180+003AD
P003
3
3

UL1015 16AWG GN/YE
UL1015 12AWG BK
AI4-10GY
PHOENIX CONTACT
L11aX2
EhX2
To
Main Air
Valve
L11bX2
AI1.5-10BK
PHOENIX CONTACT
L31bX2
L31cX2
G111
489-086-L10
SANYO DENKI
GN/YE
L11 P003-6C
L21 P003-6C
L31 P003-6D
L111 P003-6C
E1 P003-6D
L112-1 P006-7B
L212-1 P006-7C
L312-1 P006-7C
To
CPU Box
W
1
(1.0mm2-3C)
CPUAC
S8G0307
BN
BU
GN/YE
Kawasaki Electric Wire
AI2.5-10BU
L11dX2
L21jX2
E8 P003-6E
N610169493AB
N610169494AB
N610169495AB
N610169569AA
N610169437AB
N610169496AB
PHOENIX CONTACT
L312 L312 L312 L312
L312 L312 L312 L312
L212 L212 L212 L212
L212 L212 L212 L212
L112 L112 L112 L112
L112 L112 L112 L112
L111 L111 L111 L111
L111 L111 L111 L111
L31 L31 L31 L31
L31 L31 L31 L31
L31 L31 L31 L31
L21 L21 L21 L21
L21 L21 L21 L21
L21 L21 L21 L21
L11 L11 L11 L11
L11 L11 L11 L11
L11 L11 L11 L11
TB-X112(Y002681)
-X112
AI4-10GY
L21aX2
AI2.5-10BU
L21dX2
AI4-10GY
L31aX2
AI2.5-10BU
L111aX2
AI4-10GY
L112aX2
AI4-10GY
L212aX2
AI4-10GY
L312aX2
AI4-10GY
EaX2
AI1.5-10BK
EdX2
UL1015 14AWG BK BK
UL1015 14AWG BK BK
BK
UL1015 12AWG BK BK
UL1015 12AWG BK BK
R2-4
JST
G111E1
1R
AI1-6RD
PHOENIX CONTACT
2R
WH
BK
N610169436AC N610169435AC
AI1.5-10BK
L11gX2
AI1.5-10BK
L21gX2
L21eX2
AI2.5-10BU
UL1007 22AWG BU
UL1015 16AWG BK
UL1015 16AWG BK
-T122
PBA15F-24-N
(0.7A)
Cosel
AC(L)
AC(N)
+V
-V
+V
UL1007 20AWG BU BU
BU
+VaT122
P012-5A
BK
BK
FK1.25-M3
JST
AC(L)aT122
R1.25-3
ET122
AC(N)aT122
+VaT122
FK1.25-M3
JST
-VaT122
-VbT122
E5 P003-6E
L11cX2
L11eX2
L21hX2
AI1-10RD
EjX2
AI1-6RD
PHOENIX CONTACT
ER5001
UL1015 14AWG BK BK
UL1015 14AWG BK BK
L31eX2
L31fX2
L31hX2
L31jX2
EbX2
EcX2
EeX2
L111fX2
L111eX2
L112fX2
L212fX2
L312fX2
L312cX2
L212cX2
L112cX2
AI2.5-10BU
L111cX2
L111bX2
EfX2
L31eX2
P005-3A
L31fX2
P005-3B
L31hX2
P005-3C
L31jX2
P005-3E
L111bX2
P005-3A
L111cX2
P005-3B
L111eX2
P005-3C
L111fX2
P005-3E
L112cX2
P005-3B
L112fX2
P005-3D
L212cX2
P005-3B
L212fX2
P005-3D
L312cX2
P005-3B
L312fX2
P005-3D
EbX2
P005-3A
EcX2
P005-3B
EeX2
P005-3C
EfX2
P005-3D
E6 P003-6E
GN/YE
From K223
UL1007 20AWG BU BU
+VbT122
UL1007 20AWG BU BU
+VbT122
P016-5D
-Va2T122
P016-5D
-Va1T122
P011-4B
STO(A)/TC LF 3E×18AWG
AMP
T123P
1-179553-3
3
2
1
AMP
T123R
1-178128-3
3
2
1
N610169449AB
UL1015 14AWG BK BK
UL1015 14AWG GN/YE GN/YE
UL1015 14AWG BK BK
N610169450AB
AC(L)T123
P009-2B
AC(N)T123
P009-2B
E7-1
P009-2B
UL1015 14AWG GN/YE GN/YE
E7 P003-6D
AMP
T121P
1-179553-3
3
2
1
AMP
T121R
1-178128-3
3
2
1
UL1015 14AWG BK BK
UL1015 14AWG GN/YE GN/YE
UL1015 14AWG BK BK
N610169443AB
UL1015 14AWG GN/YE GN/YE
E4 P003-6D
AC(L)T121
P008-2B
AC(N)T121
P008-2B
E4-1
P008-2B
N610169499**
N610169457**
N610169486**
N610169482**
N610169485**
N610169484**
N610169483**
N610169442AC
To T121
To T123
To
Pump
Cooling Fan
From X111
From X111
From X111
To K501
To K502
To K503
To K504
To K501
To K502
To K503
To K504
To K502
To K504
To K502
To K504
To K502
To K504
To K501
To K502
To K503
To K504
To PUMP
E9
P007-6B
To X111
To X111
To X111
To CNEMGF
To SC6
To K121
To SC5
N610169501**
N610169500**
1
1
1
1
1
1
1
1
1
2
2
2
2
2
2
3
Panasonic Factory Solutions Co.,Ltd. パナソニック ファクトリーソリューションズ株式会社
Name
Drawing No.
Loc. No.
F4K1020-05A
1
2 3 4 5 6 7 8
A
B
C
D
E
F
1 2 3 4 5 6 7 8
A
B
C
D
E
F
Page. No.
NPM-W2:Power Unit Wiring
(AC Power Branch)
MTKA001180+004AD
P004

GN/YE
BK1
BK2
FG1K501
R5.5-4
JST
R1.25-4
JST
E1K501
L11K501
AI1.5-8BK
PHOENIX CONTACT
L21K501
GN/YE
BK1
BK2
FG1K503
R5.5-4
JST
UL1015 14AWG BK
BK
R2-4
JST
E1K504
R1.25-4
JST
E1K503
L11K503
AI1.5-8BK
PHOENIX CONTACT
L21K503
FG1K502
R5.5-4
JST
RD
WH
BK
GN/YE
BU
BN
FG1K504
R5.5-4
JST
RD
WH
BK
GN/YE
BU
BN
UE/2501E-SBX(N)[Y/G]Black LF 3×16AWG
UE/2501E-SBX(N)[Y/G]Black LF 3×16AWG
JST
CNP1K502
J43FSS-03V-KX
3
2
1
JST
CNP1K504
J43FSS-03V-KX
3
2
1
AMP
CNP2K504
3-178129-6
A3
A2
A1
B3
B2
B1
AMP
CNP1AK514
3-178129-6
A3
A2
A1
B3
B2
B1
UL1015 14AWG BK
BK
UL1015 14AWG BK BK
AMP
CNP1AK512
3-178129-6
A3
A2
A1
B3
B2
B1
UL1015 14AWG BK BK
UL1015 14AWG BK BK
UL1015 14AWG BK BK
AMP
CNP2K502
3-178129-6
A3
A2
A1
B3
B2
B1
R2-4
JST
E1K502
2587-1015-SB Black LF 4×15AWG+2×19AWG
2587-1015-SB Black LF 4×15AWG+2×19AWG
N610169438AB
L111bX2 P004-4B
L31eX2 P004-4B
EbX2 P004-4C
L112cX2 P004-4C
L212cX2 P004-4C
L312cX2 P004-4C
EcX2 P004-4C
L111cX2 P004-4B
L31fX2 P004-4B
L111eX2 P004-4B
L31hX2 P004-4B
EeX2 P004-4C
L112fX2 P004-4C
L212fX2 P004-4C
L312fX2 P004-4C
EfX2 P004-4D
L111fX2 P004-4B
L31jX2 P004-4B
N610169439AB
N610169440AB
N610169441AB
Note1) Connector pin arrangement is not sequential.
Note1)
Note1)
Note1)
Note1)
AWG15
AWG15
AWG15
AWG15
AWG19
AWG19
AWG15
AWG15
AWG15
AWG19
AWG19
AWG15
From X112
From X112
From X112
From X112
To
FX-Axis Motor Driver
To
FY-Axis Motor Driver
To
RX-Axis Motor Driver
To
RY-Axis Motor Driver
1
1
1
1
Panasonic Factory Solutions Co.,Ltd. パナソニック ファクトリーソリューションズ株式会社
Name
Drawing No.
Loc. No.
F4K1020-05A
1 2 3 4 5 6 7 8
A
B
C
D
E
F
1 2 3 4 5 6 7 8
A
B
C
D
E
F
Page. No.
NPM-W2:Power Unit Wiring
(Driver Power 1)
MTKA001180+005AB
P005