N7205A110B00.pdf - 第89页
UL1007 24AWG BU BU 24VOUT PH120 24GND 24VOUT PH121 OUT102 24GND 24VOUT PH115 OUT100 24GND 24VOUT PH122 OUT100 24GND 24VOUT PH113 OUT100 24GND 24VOUT PH136 OUT100 24GND 24VOUT PH130 24GND 24VOUT PH126 OUT104 24GND 24VOUT …

UL1007 24AWG BU BU
PH134
24VOUT
24GND
PH120
7
8
9
10
CNTR1
1
2
3
4
5
6
24VOUT
24GND
PH122
PH115
OUT100
PH112
11
12
24VOUT
24GND
7
8
9
10
11
12
OUT102
PH121
PH123
24VOUT
24GND
PH130
OUT104
PH131
IN012
IN107
24VOUT
24GND
N.C
N.C
N.C
N.C
CNTR2
3
4
5
6
1
2
13
14
15
16
24VOUT
24GND
PH124
PH117
OUT101
PH113
PH136
24VOUT
24GND
PH126
OUT103
PH127
PH125
24VOUT
24GND
PH132
OUT105
PH133
24VOUT
24GND
CNTL
1
2
3
4
5
6
7
8
9
10
11
12
13
14
15
16
17
18
19
20
24VOUT
PH127
24GND
24VOUT
PH131
OUT103
24GND
24VOUT
PH012
OUT100
24GND
24VOUT
PH123
OUT100
24GND
24VOUT
PH136
OUT100
24GND
24VOUT
PH113
OUT100
24GND
24VOUT
PH133
24GND
24VOUT
PH132
OUT105
24GND
24VOUT
PH134
OUT101
24GND
24VOUT
PH112
OUT101
24GND
MOLEX
CNTR1K321
43025-1200
1
2
3
4
5
6
7
8
9
10
11
12
MOLEX
CNTR2K321
43025-1600
1
2
3
4
5
6
7
8
9
10
11
12
13
14
15
16
JST
CNTLK321
PUDP-20V-S
1
2
3
4
5
6
7
8
9
10
11
12
13
14
15
16
17
18
19
20
PH124
P044-2F
PH117
P044-2F
24VOUT
P044-2E
24GND
P044-2E
PH126
P044-2D
PH125
P044-2D
24VOUT0
P044-2A
24GND0
P044-2A
PH122
P044-2B
PH115
P044-2B
PH120
P044-2A
OUT100
P044-2B
OUT102
P044-2A
PH121
P044-2A
24VOUT1
P044-2D
PH130
P044-2D
OUT104
P044-2D
IN107
P044-2E
PH136
P044-2C
PH113
P044-2C
OUT101
P044-2E
24GND1
P044-2D
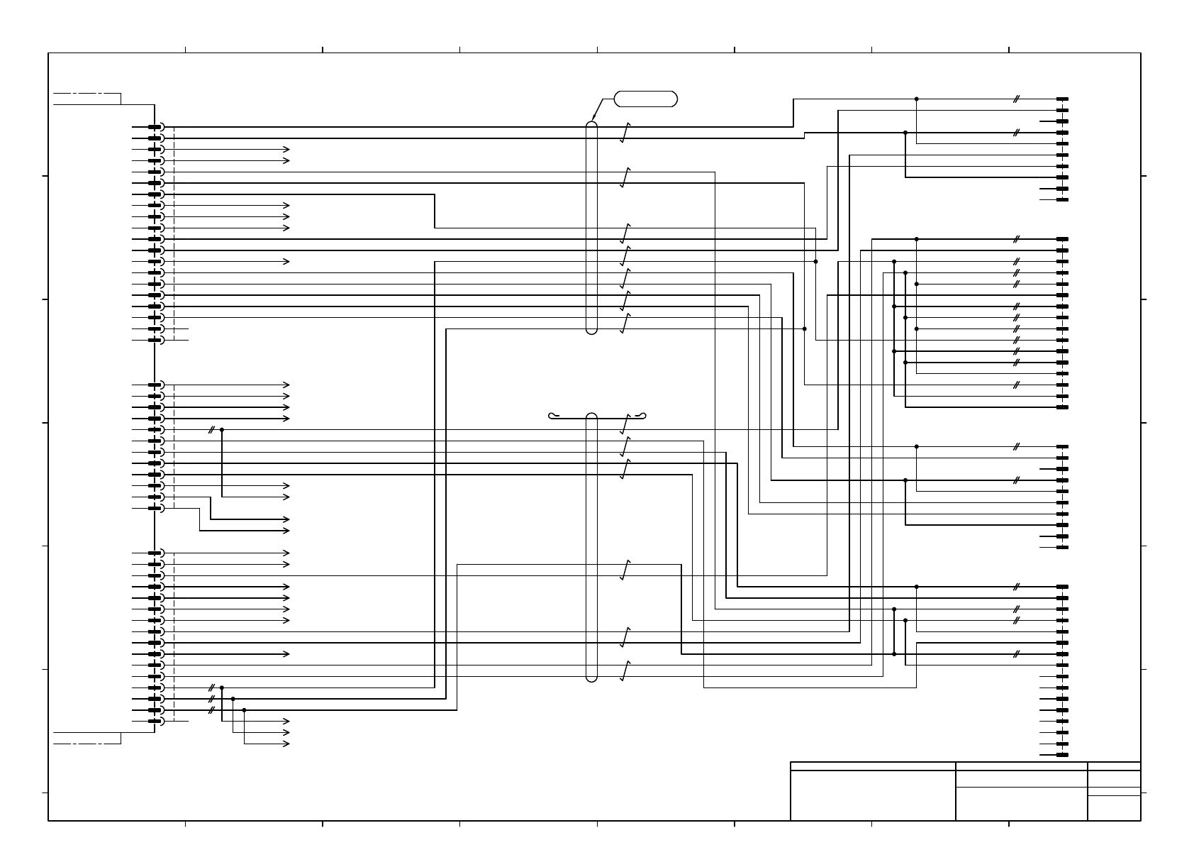
ILK Board
-K321
PNF0B4
-A02
Power Unit
GY/WH
GY
BU/WH
BU
BN/WH
BN
YE/WH
YE
GN/WH
GN
BK/WH
BK
RD/WH
RD
2464-1061/ⅡA(PF) LF 7P×24AWG
BU/WH
BU
BN/WH
BN
YE/WH
YE
GN/WH
GN
BK/WH
BK
RD/WH
RD
2464-1061/ⅡA(PF) LF 6P×24AWG
N610169427AB
MOLEX
1B1127P
5559-10P-210
10
9
8
7
6
5
4
3
2
1
MOLEX
1B1012P
5559-16P-210
16
15
14
13
12
11
10
9
8
7
6
5
4
3
2
1
MOLEX
1B1133P
5559-10P-210
10
9
8
7
6
5
4
3
2
1
MOLEX
1B1134P
5559-16P-210
16
15
14
13
12
11
10
9
8
7
6
5
4
3
2
1
UL1007 24AWG BU BU
UL1007 24AWG BU BU
UL1007 24AWG BU BU
UL1007 24AWG BU BU
UL1007 24AWG BU BU
UL1007 24AWG BU BU
UL1007 24AWG BU BU
UL1007 24AWG BU BU
UL1007 24AWG BU BU
UL1007 24AWG BU BU
UL1007 24AWG BU BU
UL1007 24AWG BU BU
UL1007 24AWG BU BU
UL1007 24AWG BU BU
UL1007 24AWG BU BU
24VOUT2
P044-2B
24GND2
P044-2B
Panasonic Factory Solutions Co.,Ltd. パナソニック ファクトリーソリューションズ株式会社
Name
Drawing No.
Loc. No.
F4K1020-05A
1 2 3 4 5 6 7 8
A
B
C
D
E
F
1 2 3 4 5 6 7 8
A
B
C
D
E
F
Page. No.
NPM-W2:Main Body Wiring
(Conveyor I/F 3)
N610169329+043AB
P043
1

UL1007 24AWG BU BU
24VOUT
PH120
24GND
24VOUT
PH121
OUT102
24GND
24VOUT
PH115
OUT100
24GND
24VOUT
PH122
OUT100
24GND
24VOUT
PH113
OUT100
24GND
24VOUT
PH136
OUT100
24GND
24VOUT
PH130
24GND
24VOUT
PH126
OUT104
24GND
24VOUT
PH125
OUT101
24GND
24VOUT
IN107
OUT101
24GND
24VOUT
PH117
OUT101
24GND
24VOUT
PH124
OUT101
24GND
N610169427**
LG/WH
LG
VT/WH
VT
OG/WH
OG
GY/WH
GY
BU/WH
BU
BN/WH
BN
YE/WH
YE
GN/WH
GN
BK/WH
BK
RD/WH
RD
LB/WH
LB
PK/WH
PK
MOLEX
1B1120P
5559-10P-210
10
9
8
7
6
5
4
3
2
1
MOLEX
1B1115P
5559-16P-210
16
15
14
13
12
11
10
9
8
7
6
5
4
3
2
1
MOLEX
1B1130P
5559-10P-210
10
9
8
7
6
5
4
3
2
1
MOLEX
1B1125P
5559-16P-210
16
15
14
13
12
11
10
9
8
7
6
5
4
3
2
1
UL1007 24AWG BU BU
UL1007 24AWG BU BU
UL1007 24AWG BU BU
UL1007 24AWG BU BU
UL1007 24AWG BU BU
UL1007 24AWG BU BU
UL1007 24AWG BU BU
UL1007 24AWG BU BU
UL1007 24AWG BU BU
UL1007 24AWG BU BU
24VOUT0 P043-2C
PH121 P043-2E
OUT102 P043-2E
PH120 P043-2D
PH115 P043-2C
PH122 P043-2C
PH113 P043-2F
PH136 P043-2F
OUT104 P043-2E
PH130 P043-2E
PH126 P043-2B
PH125 P043-2B
IN107 P043-2E
PH117 P043-2A
PH124 P043-2A
2464-1061/ⅡA(PF) LF 12P×24AWG
UL1007 24AWG BU BU
UL1007 24AWG BU BU
UL1007 24AWG BU BU
UL1007 24AWG BU BU
UL1007 24AWG BU BU
UL1007 24AWG BU BU
UL1007 24AWG BU BU
UL1007 24AWG BU BU
UL1007 24AWG BU BU
UL1007 24AWG BU BU
UL1007 24AWG BU BU
24VOUT2 P043-2D
24GND2 P043-2D
OUT100 P043-2D
24VGND0 P043-2C
24VOUT1 P043-2E
24GND1 P043-2E
24VOUT P043-2B
24GND P043-2B
OUT101 P043-2F
Panasonic Factory Solutions Co.,Ltd. パナソニック ファクトリーソリューションズ株式会社
Name
Drawing No.
Loc. No.
F4K1020-05A
1 2 3 4 5 6 7 8
A
B
C
D
E
F
1 2 3 4 5 6 7 8
A
B
C
D
E
F
Page. No.
NPM-W2:Main Body Wiring
(Conveyor I/F 4)
N610169329+044AA
P044

For
Conveyor Sensor
P24
P24
IN223
IN225
IN227
IN224
G24
G24
G24
IN226
CNCOV
1
2
3
4
5
6
7
8
9
10
MOLEX
CNCOVR
43025-1000
1
2
3
4
5
6
7
8
9
10
N610169465AB
YE/WH
YE
GN/WH
GN
BK/WH
BK
RD/WH
RD
2464-1061/ⅡA(PF) LF 4PX24AWG
I/O Board #1
MOLEX
1B1223P
5559-08P-210
8
7
6
5
4
3
2
1
-K322
PNF0B3
Panasonic Factory Solutions Co.,Ltd. パナソニック ファクトリーソリューションズ株式会社
Name
Drawing No.
Loc. No.
F4K1020-05A
1 2 3 4 5 6 7 8
A
B
C
D
E
F
1 2 3 4 5 6 7 8
A
B
C
D
E
F
Page. No.
NPM-W2:Main Body Wiring
(Conveyor I/F 5)
N610169329+045AB
P045
1