N7205A110B00.pdf - 第91页
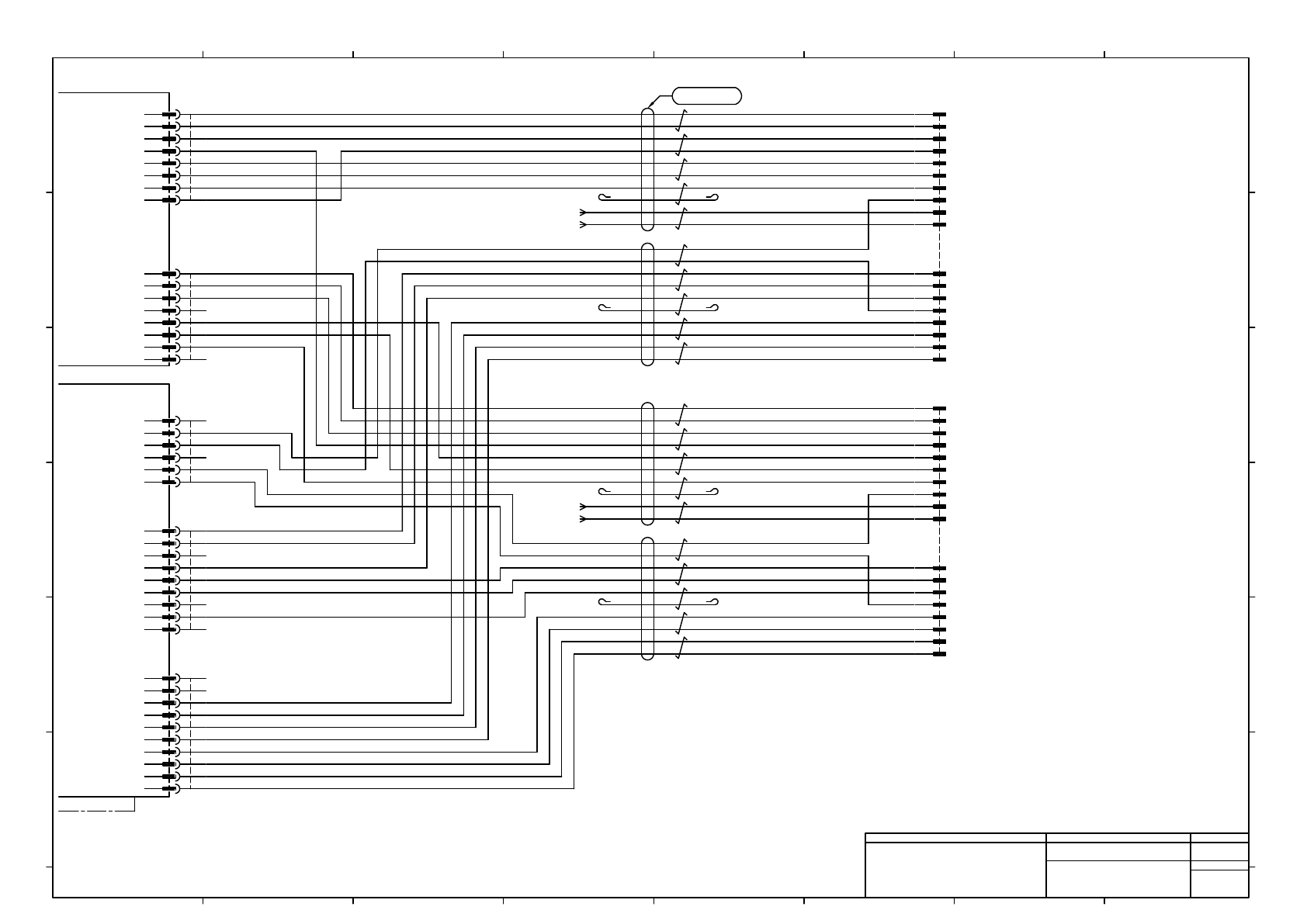
Power Unit -K321 PNF0B4 ILK Board 7 8 9 1 2 3 4 5 6 CNUP1 EX+24V VL130 EX+24V VL131 EX+24V VL132 EX+24V VL133 N.C. 7 8 1 2 3 4 5 6 CNVLB 24VOUT OUT117 24VOUT OUT134 24VOUT OUT135 24VOUT OUT136 24VOUT OUT137 9 10 -K322 PN…

For
Conveyor Sensor
P24
P24
IN223
IN225
IN227
IN224
G24
G24
G24
IN226
CNCOV
1
2
3
4
5
6
7
8
9
10
MOLEX
CNCOVR
43025-1000
1
2
3
4
5
6
7
8
9
10
N610169465AB
YE/WH
YE
GN/WH
GN
BK/WH
BK
RD/WH
RD
2464-1061/ⅡA(PF) LF 4PX24AWG
I/O Board #1
MOLEX
1B1223P
5559-08P-210
8
7
6
5
4
3
2
1
-K322
PNF0B3
Panasonic Factory Solutions Co.,Ltd. パナソニック ファクトリーソリューションズ株式会社
Name
Drawing No.
Loc. No.
F4K1020-05A
1 2 3 4 5 6 7 8
A
B
C
D
E
F
1 2 3 4 5 6 7 8
A
B
C
D
E
F
Page. No.
NPM-W2:Main Body Wiring
(Conveyor I/F 5)
N610169329+045AB
P045
1

Power Unit
-K321
PNF0B4
ILK Board
7
8
9
1
2
3
4
5
6
CNUP1
EX+24V
VL130
EX+24V
VL131
EX+24V
VL132
EX+24V
VL133
N.C.
7
8
1
2
3
4
5
6
CNVLB
24VOUT
OUT117
24VOUT
OUT134
24VOUT
OUT135
24VOUT
OUT136
24VOUT
OUT137
9
10
-K322
PNF0B3
I/O Board #1
For
Conveyor Sensor
(Under Support I/O )
CN31
1
2
3
4
5
6
7
8
P24
IN235
G24
N.C.
P24
IN236
G24
N.C.
CN30
1
2
3
4
5
6
7
8
P24
IN244
G24
IN234
P24
IN245
G24
IN233
EX+24V
PH140
24GND
EX+24V
PH141
24GND
1
2
3
4
5
6
CNUP2
For
Conveyor Sensor
(Under Support I/O )
BN/WH
BN
YE/WH
YE
GN/WH
GN
RD/WH
RD
YE/WH
YE
GN/WH
GN
BK/WH
BK
RD/WH
RD
BN/WH
BN
YE/WH
YE
GN/WH
GN
RD/WH
RD
YE/WH
YE
GN/WH
GN
BK/WH
BK
RD/WH
RD
BK/WH
BK
2464-1061/ⅡA(PF) LF 5P×24AWG
BK/WH
BK
2464-1061/ⅡA(PF) LF 5P×24AWG
BN
BN/WH
2464-1061/ⅡA(PF) LF 5P×24AWG
OUT223 P027-3D
P241 P027-2E
BN
BN/WH
2464-1061/ⅡA(PF) LF 5P×24AWG
OUT222 P027-3D
P240 P027-2E
N610169536AB
MOLEX
CN30P
43020-1800
16
15
14
13
12
11
10
9
18
17
8
7
6
5
4
3
2
1
MOLEX
CN30K322
43025-0800
8
7
6
5
4
3
2
1
JST
CNUP2K321
PAP-06V-S
6
5
4
3
2
1
JST
CNUP1K321
PAP-09V-S
9
8
7
6
5
4
3
2
1
JST
CNVLBK321
PAP-10V-S
1
2
3
4
5
6
7
8
9
10
MOLEX
CN31P
43020-1800
16
15
14
13
12
11
10
9
18
17
8
7
6
5
4
3
2
1
MOLEX
CN31K322
43025-0800
8
7
6
5
4
3
2
1
Note1) Connector Pin arrangement is not sequential.
Note1)
Note1)
1
Panasonic Factory Solutions Co.,Ltd. パナソニック ファクトリーソリューションズ株式会社
Name
Drawing No.
Loc. No.
F4K1020-05A
1
2 3 4 5 6 7 8
A
B
C
D
E
F
1 2 3 4 5 6 7 8
A
B
C
D
E
F
Page. No.
NPM-W2:Main Body Wiring
(Conveyor I/F 6)
N610169329+046AC
P046
2