00191297-02.pdf - 第197页
User Manual S-23 HM 6 Vision functions Software Vers ion SR.405.xx 05/99 Iss ue 6.5 Teach Fiducial 195 6 Fig. 6.5 - 4 ’T each fiducial’ flow chart - ’Contrast graduation’ menu ’Teach fiducial’ menu options ’Contrast grad…

6 Vision functions User Manual S-23 HM
6.5 Teach Fiducial Software Version SR.405.xx 05/99 Issue
194
6
Fig. 6.5 - 3 ’Teach fiducial’ flow chart - ’Teach fiducial’ menu’
Video image
Position camera
and change search area
Upon any modification of
the search area a teach
message is prompted.
Uniqueness values
are displayed
’Teach fiducial’ menu options
’Teach fiducial’ menu
No
Change search area
Teach
fiducial
Fiducial
loaded or
taught?
’Select fiducial’
menu
A
Yes
Standard
values
Search area
Low
resolution
Medium
resolution
High
resolution
Video image
Position
camera
Teach message
with
standard values
Output of
uniqueness
Video image
Change template
field
Upon any modification of
the search area a teach
message is prompted.
Uniqueness values
are displayed
ESC ESC ESC

User Manual S-23 HM 6 Vision functions
Software Version SR.405.xx 05/99 Issue 6.5 Teach Fiducial
195
6
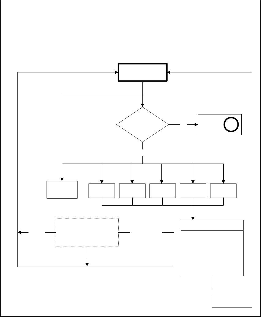
Fig. 6.5 - 4 ’Teach fiducial’ flow chart - ’Contrast graduation’ menu
’Teach fiducial’ menu options
’Contrast graduation’ menu
No
Contrast
graduation
Fiducial loaded
or taught?
’Select
fiducial’
menu
A
Yes
Program
transform 5
Table 1
Video image
Teach command with
different grey-scale
transformation
Output of
uniqueness
ESC
Table 2 Table 3 Table 4 Table 5
Fiducial
Default valuesCancel
Option box for
’Program graduation
of transform 5
(Accept
default values)
Accept (save programmed values)

6 Vision functions User Manual S-23 HM
6.5 Teach Fiducial Software Version SR.405.xx 05/99 Issue
196
6
Fig. 6.5 - 5 ’Teach fiducial’ flow chart - ’Test fiducial’ menu’
No
Positioning
Test fiducial
Fiducial
loaded or
taught?
’Select fiducial’
menu
A
Yes
Video image
Triggering
measurement
sequence
fiducial quality
output
ESC
ESC
Return
(repeat)
Move
x/y axes
PCB to
output conveyor
PCB to
processing
conveyor
Center Test
Fiducial
Video image
Define template
window
(hor./vert.)
ESC
Return
(save)
Video image
Position
camera
PCB
transport 1/2
’Teach fiducial’ menu options
’Test fiducial’ menu