si-g200bb_doc_par_nothing_xx_3rd_20091207_level01.pdf - 第223页
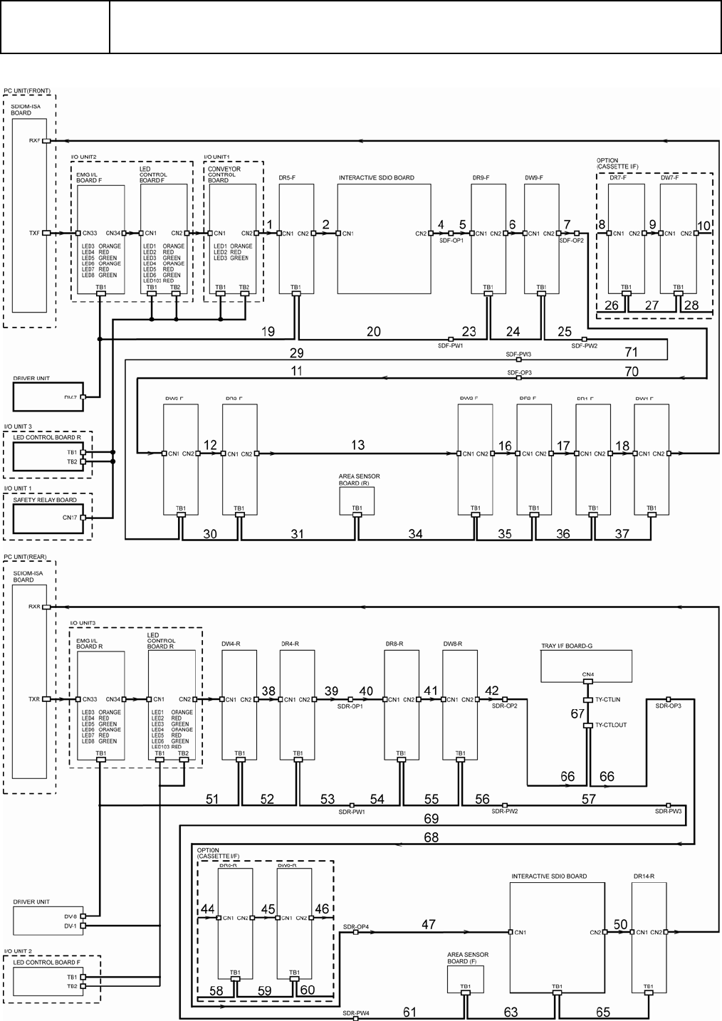
14-10-2 14-10 ケーブル シリアルDIO部 (ISB) CABLE (SERIAL DIO UNIT) (ISB) イラスト番号 Ref.No. 部品コード Parts Code 部品名 Parts Name Serial No. 個数 Q'ty 備考 Remarks 同期 Repl. 1 1-833-156-11 DIO ツウシン ケ - ブル (CC-DR5) CABLE, DIO INTELLIGENCE …

14-10-1
14-10
ケーブル シリアルDIO部 (ISB)
CABLE (SERIAL DIO UNIT) (ISB)
-

14-10-2
14-10
ケーブル シリアルDIO部 (ISB)
CABLE (SERIAL DIO UNIT) (ISB)
イラスト番号
Ref.No.
部品コード
Parts Code
部品名
Parts Name
Serial
No.
個数
Q'ty
備考
Remarks
同期
Repl.
1 1-833-156-11
DIO
ツウシン
ケ
-
ブル
(CC-DR5)
CABLE, DIO INTELLIGENCE
1
2 1-835-509-12
DIO
ツウシン
ケ
-
ブル
(DR5-ISB)
CABLE, DIO COMMUNICATION (DR5*
856- 1
*1
(7-2)
4 1-833-157-11
DIO
ツウシン
ケ
-
ブル
(ISB--OP1)
CABLE, DIO COMMUNICATION (ISB*
856- 1
*1
(7-2)
5 1-834-649-11
DIO
ツウシン
ケ
-
ブル
(OP1-DR9)
CABLE, DIO COMMUNICATION (OP1*
1
6 1-834-650-11
DIO
ツウシン
ケ
-
ブル
(DR9-DW9)
CABLE, DIO COMMUNICATION (DR9*
1
7 1-834-651-11
DIO
ツウシン
ケ
-
ブル
(DW9-OP2)
CABLE, DIO COMMUNICATION (DW9*
1
8
1
OPTION(CASSETTE I/F)
9
1
OPTION(CASSETTE I/F)
10
1
OPTION(CASSETTE I/F)
11 1-833-158-11
DIO
ツウシン
ケ
-
ブル
(OP3-DW3)
CABLE, DIO INTELLIGENCE
1
12 1-833-159-11
DIO
ツウシン
ケ
-
ブル
(DW3-DR3)
CABLE, DIO INTELLIGENCE
1
13 1-835-511-11
DIO
ツウシン
ケ
-
ブル
(DR3-DW2)
CABLE, DIO COMMUNICATION (DR3*
856- 1
*1
(7-2)
16 1-833-393-21
DIO
ツウシン
ケ
-
ブル
(DW2-DR2)
CABLE, DIO COMMUNICATION (DW2*
1
17 1-833-162-11
DIO
ツウシン
ケ
-
ブル
(DR2-DR1)
CABLE, DIO INTELLIGENCE
1
18 1-833-393-31
DIO
ツウシン
ケ
-
ブル
(DR1-DW1)
CABLE, DIO COMMUNICATION (DR1*
1
19 1-833-168-11
DIO
デンゲン
ケ
-
ブル
(ELF-DR5)
CABLE, DIO POWER (ELF-DR5)
1
20 1-835-513-11
DIO
デンゲン
ケ
-
ブル
(DR5-PW1)
CABLE, DIO POWER (DR5-PW1)
856- 1
*1
(7-2)
23 1-834-655-11
DIO
デンゲン
ケ
-
ブル
(PW1-DR9)
CABLE, DIO POWER (PW1-DR9)
1
24 1-834-656-11
DIO
デンゲン
ケ
-
ブル
(DR9-DW9)
CABLE, DIO POWER (DR9-DW9)
1
25 1-834-657-11
DIO
デンゲン
ケ
-
ブル
(DW9-PW9)
CABLE, DIO POWER (DW9-PW9)
1
26
1
OPTION(CASSETTE I/F)
27
1
OPTION(CASSETTE I/F)
28
1
OPTION(CASSETTE I/F)
29 1-833-170-11
DIO
デンゲン
ケ
-
ブル
(PW3-DW3)
CABLE, DIO POWER (PW3-DW3)
1
30 1-833-171-11
DIO
デンゲン
ケ
-
ブル
(DW3-DR3)
CABLE, DIO POWER (DW3-DR3)
1
31 1-835-514-11
DIO
デンゲン
ケ
-
ブル
(DR3-ASBR)
CABLE, DIO POWER (DR3-ASBR)
856- 1
*1
(7-2)

14-10-3
14-10
ケーブル シリアルDIO部 (ISB)
CABLE (SERIAL DIO UNIT) (ISB)
イラスト番号
Ref.No.
部品コード
Parts Code
部品名
Parts Name
Serial
No.
個数
Q'ty
備考
Remarks
同期
Repl.
34 1-835-515-12
DIO
デンゲン
ケ
-
ブル
(DW2-ASBR)
CABLE, DIO POWER (DW2-ASBR)
856- 1
*1
(7-2)
35 1-833-395-21
DIO
デンゲン
ケ
-
ブル
(DW2-DR2)
CABLE, DIO POWER (DW2-DR2)
1
36 1-833-174-11
DIO
デンゲン
ケ
-
ブル
(DR2-DR1)
CABLE, DIO POWER (DR2-DR1)
1
37 1-833-395-31
DIO
デンゲン
ケ
-
ブル
(DR1-DW1)
CABLE, DIO POWER (DR1-DW1)
1
38 1-833-392-31
DIO
ツウシン
ケ
-
ブル
(DW4-DR4)
CABLE, DIO COMMUNICATION (DW4*
1
39 1-833-165-11
DIO
ツウシン
ケ
-
ブル
(DR4-OP1)
CABLE, DIO INTELLIGENCE
1
40 1-834-652-11
DIO
ツウシン
ケ
-
ブル
(OP1-DR8)
CABLE, DIO COMMUNICATION (OP1*
1
41 1-834-653-11
DIO
ツウシン
ケ
-
ブル
(DR8-DW8)
CABLE, DIO COMMUNICATION (DR8*
1
42 1-834-654-11
DIO
ツウシン
ケ
-
ブル
(DW8-OP2)
CABLE, DIO COMMUNICATION (DW8*
1
44
1
OPTION(CASSETTE I/F)
45
1
OPTION(CASSETTE I/F)
46
1
OPTION(CASSETTE I/F)
47 1-835-516-12
DIO
ツウシン
ケ
-
ブル
(OP4-ISB)
CABLE, DIO COMMUNICATION (OP4*
856- 1
*1
(7-2)
50 1-836-029-11
DIO
ツウシン
ケ
-
ブル
(DR14-ISB)
CABLE, DIO COMMUNICATION (DR1*
856- 1
*1
(7-2)
51 1-833-175-11
DIO
デンゲン
ケ
-
ブル
(ELR-DW4)
CABLE, DIO POWER (ELR-DW4)
1
52 1-833-394-31
DIO
デンゲン
ケ
-
ブル
(DW4-DR4)
CABLE, DIO POWER (DW4-DR4)
1
53 1-833-176-11
DIO
デンゲン
ケ
-
ブル
(DR4-PW1)
CABLE, DIO POWER (DR4-PW1)
1
54 1-834-658-11
DIO
デンゲン
ケ
-
ブル
(PW1-DR8)
CABLE, DIO POWER (PW1-DR8)
1
55 1-834-659-11
DIO
デンゲン
ケ
-
ブル
(DR8-DW8)
CABLE, DIO POWER (DR8-DW8)
1
56 1-834-660-11
DIO
デンゲン
ケ
-
ブル
(DW8-PW2)
CABLE, DIO POWER (DW8-PW2)
1
57 1-833-355-11
DIO
デンゲン
ケ
-
ブル
(PW2-PW3)
CABLE, DIO POWER (PW2-PW3)
1
58
1
OPTION(CASSETTE I/F)
59
1
OPTION(CASSETTE I/F)
60
1
OPTION(CASSETTE I/F)
61 1-835-518-11
DIO
デンゲン
ケ
-
ブル
(PW4-ASBF)
CABLE, DIO POWER (PW4-ASBF)
856- 1
*1
(7-2)
63 1-835-512-11
DIO
デンゲン
ケ
-
ブル
(ASBF-ISB)
CABLE, DIO POWER (ASBF-ISB)
856- 1
*1
(7-2)