RX-8_维修手册.pdf - 第372页
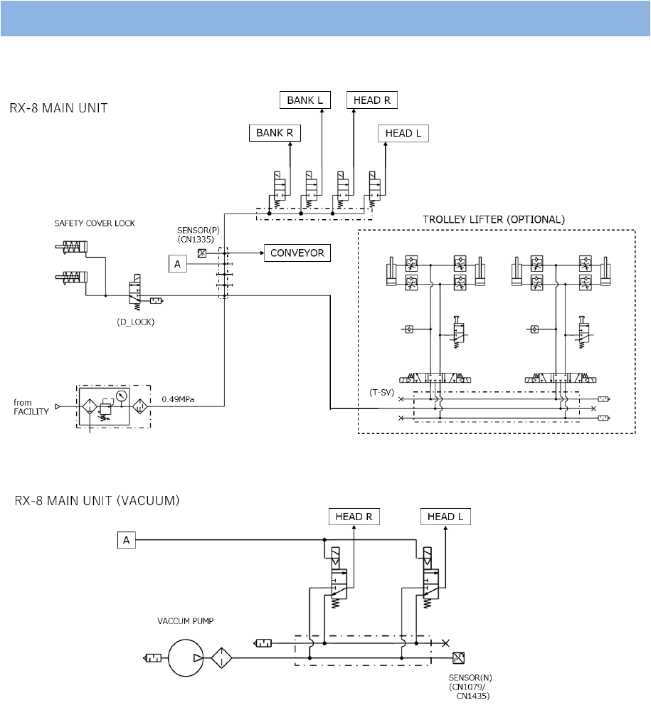
第 5 章 配管 图 5- 1. 总体配管图 2 5- 1. 总体配管图 要确认零件编号及型号 时,请参阅零件清单 。

第5章 配管图

第
5
章
配管图
5-1.
总体配管图
2
5-1.
总体配管图
要确认零件编号及型号时,请参阅零件清单。

第
5
章
配管图
5-1.
总体配管图
3
5-1-1.
X 轴・Y 轴・贴装头方面供给配管图
第 5 章 配管 图 5- 1. 总体配管图 2 5- 1. 总体配管图 要确认零件编号及型号 时,请参阅零件清单 。


