文档中心
/
RX-8_维修手册.pdf
RX-8_维修手册.pdf - 第385页
第 6 章 故障分析 6- 1. 伺服放大器 (MR - J5) 5
目录
100%
显示:宽度
宽度
1 / 414
回到旧版
旧版
?
第
6
章
故障分析
6-
1.
伺服放大器
(MR
-
J5)
4
MR
-
J5W_
-
_G
第
6
章
故障分析
6-
1.
伺服放大器
(MR
-
J5)
5
第
6
章
故障分析
6-
1.
伺服放大器
(MR
-
J5)
6
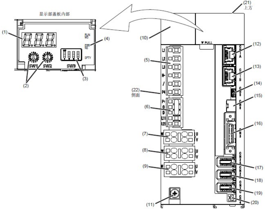
6-1-
2.
7
段显示
该页面需要启用 JavaScript 才能进行交互式预览。