RP-1-Rev00.pdf - 第118页
B1-4 I/O リンク配線図 (DC) Wiring diagram I/ O link (DC) B-8

B1-3
安全回路配線図
Safety Control wiring diagram
イラスト番号
Ref.No.
部品コード
Parts Code
部品名
Parts Name
Serial
No.
個数
Q'ty
備考
Remarks
同期
Repl.
43 EZA-1923-198-A
RY COMPL
RY COMPL
1
47 EZ1-846-553-11
EMG
ケ-ブル
(ZY1C-SS3961-EMG)
CABLE, EMG
2
48 EZ1-798-469-11
セレクタ スイツチ
(CW4K-2BE21)
SWITCH, SELECTOR (CW4K-2BE21)
1
49 EZ1-798-470-11
ドア スイツチ
(HS6E-VM7Y4B01-G)
SWITCH, DOOR (HS6E-VM7Y4B01-
G)
1
50 EZ1-492-027-12
ドア スイツチ
ASSY
SWITCH ASSY, DOOR
1
51 EZ1-969-530-11
ハ-ネス
(
ジヤンパ-
)
HARNESS
1
52 EZ1-968-962-13
ハ-ネス
(SW2)
HARNESS
1
53 EZ1-968-880-15
ハ-ネス
(SRU
チユウケイ
2)
HARNESS
1
54 EZ1-755-674-11
セ-フテイ- リレ
-
(HR1S-AF5130B)
RELAY, SAFETY (HR1S-AF5130B)
1
55 EZ1-968-872-12
ハ-ネス
(SRU
チユウケイ
1)
HARNESS
1
56 EZ1-968-873-11
ハ-ネス
(SAFETY 2)
HARNESS
1
57 EZ1-968-874-11
ハ-ネス
(SW9)
HARNESS
1
58 EZ1-968-873-21
ハ-ネス
(SAFETY 3)
HARNESS
1
59 EZ1-968-873-31
ハ-ネス
(SAFETY 4)
HARNESS
1
60 EZ1-476-540-11
コイル サ-ジ キユウシユウ ユニツト
(SZ-Z1)
ABSORPTION UNIT, COIL SURGE
1
61 EZ1-755-583-11
デンジ セツシヨクキ
(SC-03/G
コイル
DC*)
CONTACTOR, ELECTROMAGNETIC
1
B-7

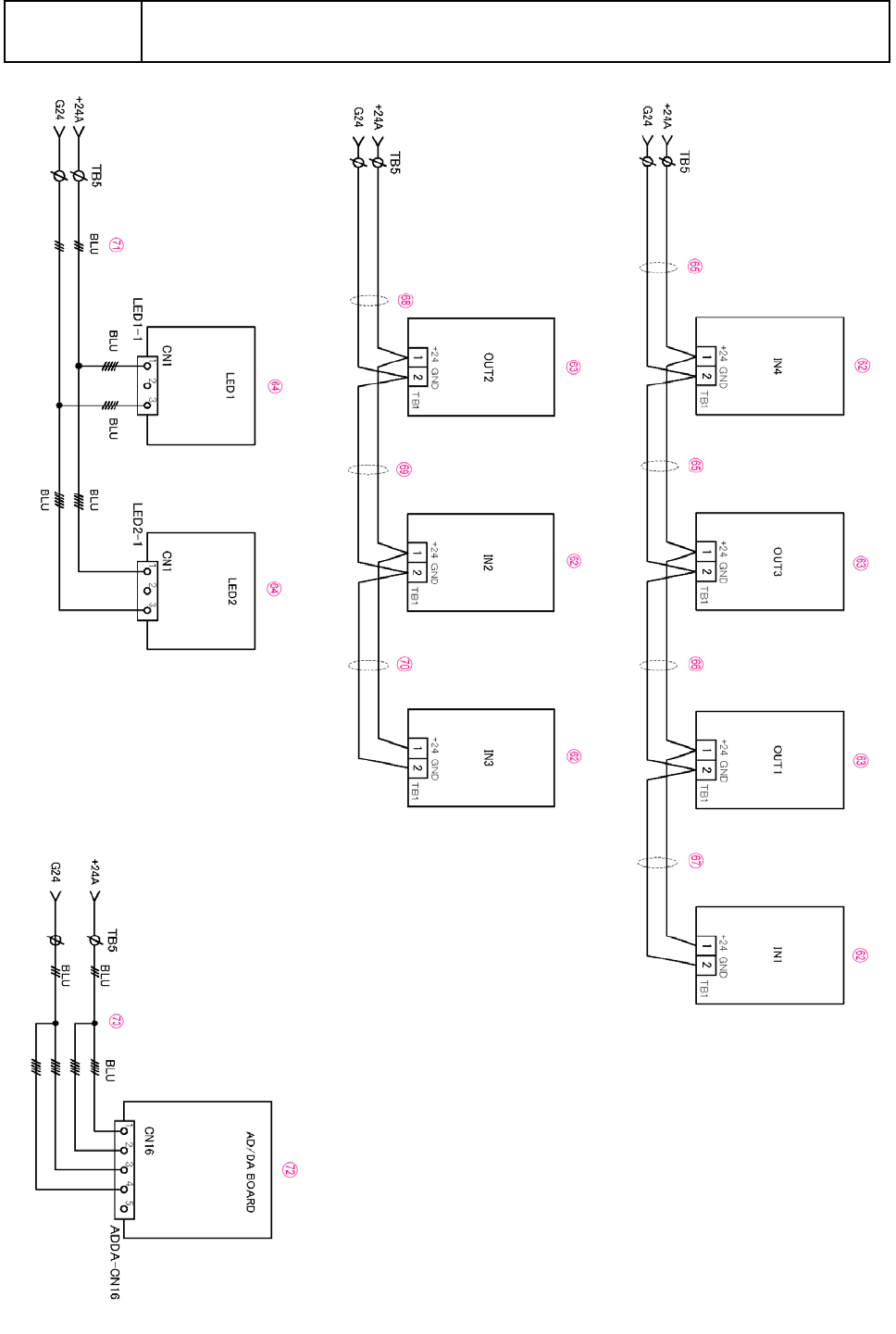
B1-4
I/O
リンク配線図
(DC)
Wiring diagram I/O link (DC)
B-8

B1-4
I/O
リンク配線図
(DC)
Wiring diagram I/O link (DC)
イラスト番号
Ref.No.
部品コード
Parts Code
部品名
Parts Name
Serial
No.
個数
Q'ty
備考
Remarks
同期
Repl.
62 EZ1-789-652-11
SDIOS-IN 16
キバン
ASSY
SDIOS-IN 16 BOARD ASSY
1
63 EZ1-789-653-11
SDIOS-OUT 16
キバン
ASSY
SDIOS-OUT 16 BOARD ASSY
1
64 EZA-1923-197-A
LED DRIVE COMPL
LED DRIVE COMPL
1
65 EZ1-968-901-11
ハ-ネス
(SDIO
デンゲン
1)
HARNESS
1
66 EZ1-968-904-12
ハ-ネス
(SDIO
ツウシン
3)
HARNESS
1
67 EZ1-968-941-22
ハ-ネス
(SDIO
デンゲン
6)
HARNESS
2
68 EZ1-968-902-11
ハ-ネス
(SDIO
デンゲン
3)
HARNESS
1
69 EZ1-968-927-12
ハ-ネス
(SDIO
ツウシン
1)
HARNESS
1
70 EZ1-968-941-12
ハ-ネス
(SDIO
デンゲン
5)
HARNESS
1
71 EZ1-968-886-11
ハ-ネス
(LED
デンゲン
)
HARNESS
72 EZA-1911-473-A
CAN ADDA COMPL
CAN ADDA COMPL
73 EZ1-968-887-11
ハ-ネス
(ADDA
デンゲン
)
HARNESS
B-9