RP-1-Rev00.pdf - 第149页
B3-6 サーボ入力系配線 図 4 W i ring diagram servo input si gnal 4 イラスト番 号 Ref.No. 部品コード Parts Code 部品名 Parts Name Serial No. 個数 Q'ty 備考 Remarks 同期 Repl. 5 EZA- 1923 - 199 -A PLS COMPL PLS COMPL 1 54 EZ1- 838 - 0 11 - 11 サ - …

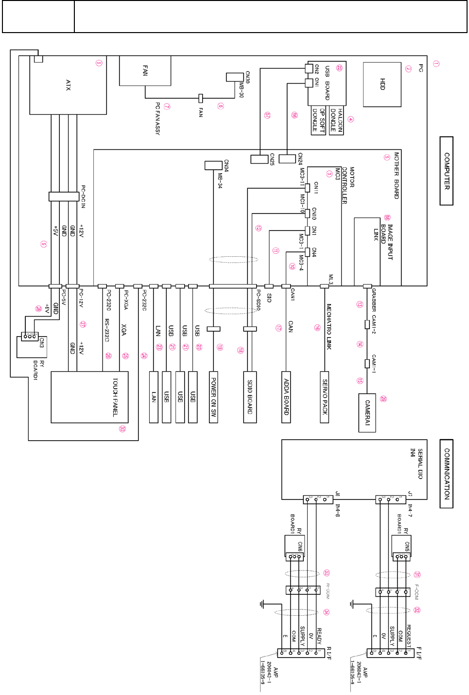
B3-6
サーボ入力系配線図
4
Wiring diagram servo input signal 4
B-37

B3-6
サーボ入力系配線図
4
Wiring diagram servo input signal 4
イラスト番号
Ref.No.
部品コード
Parts Code
部品名
Parts Name
Serial
No.
個数
Q'ty
備考
Remarks
同期
Repl.
5 EZA-1923-199-A
PLS COMPL
PLS COMPL
1
54 EZ1-838-011-11
サ-ボ ケ-ブル
(JEPMC-W6012-A2-E)
CABLE, SERVO (JEPMC-W6012-A2-
E
11
60 EZ1-968-861-13
ハ-ネス
(
サ-ボ
IO1-1)
HARNESS
1
61 EZ1-968-948-11
ハ-ネス
(
サ-ボ
IO 1-2)
HARNESS
1
62 EZ1-968-938-13
ハ-ネス
(
サ-ボ
IO1-3)
HARNESS
1
70 EZ1-968-865-11
ハ-ネス
(
サ-ボ
IO S12)
HARNESS
1
B-38

B4-1
PC
配線図
Wiring diagram PC
B-39