JTR系列说明书.pdf - 第99页
附图 J T R 系列无铅回流焊机用户手册 - 9 8 - 1 1 5

附图 JTR系列无铅回流焊机用户手册
- 97 - 115

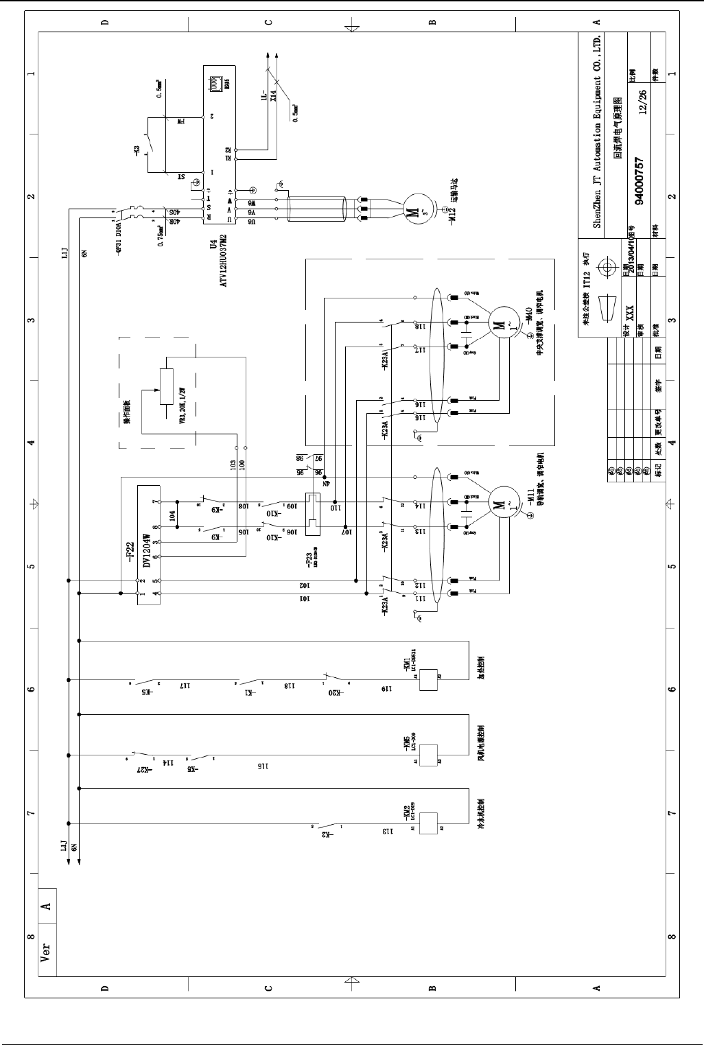
附图 JTR系列无铅回流焊机用户手册
- 98 - 115

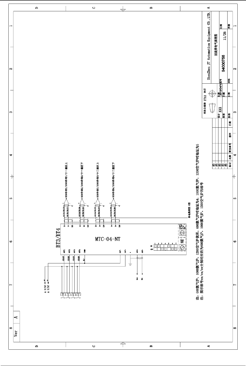
附图 JTR系列无铅回流焊机用户手册
- 99 - 115