P-0222-001.pdf - 第148页
MODEL TDM-3000E-2 0210-001 146 35 35 13 8 9 10 14 15 1 31 30 32 33 31 30 32 33 31 30 32 33 31 30 32 33 13 7 7 14 15 33 32 31 30-1 13 14 15 19 20 21 4 3 2 8 6 9 10 10 9 8 16 17 18 21 20 19 41 42 43 44 45 45 44 43 42 41 12…

145
Key No. PART No. PART NAME Q’ty REMARKS
NOTE
MODEL TDM-3000E-2
0208-001
8-16
1 630 063 2361 BRACKET 1 645H--04B-026
9 411 051 2804 SCR TRS 4X8 2 M4X8 TRS
10 630 083 5496 FUSE HOLDER 1 645FD-04D-009
10 -1 423 025 1904 FUSE 250V 1.6A 1 F109 645FD-04D-008
11 630 049 3801 TERMINAL 3 645FD-04D-006
12 630 049 3733 ACCESSORY,WIRING 1 645FD-04D-003
13 630 049 3672 BRACKET,WIRING 1 645FD-04D-005
14 630 000 1051 BRACKET,WIRING 1
21 630 099 1345 RELAY 1 SSR3 645FD-04D-001
22 411 119 2104 WASHER V 4X9X0.8 2 FW4 F
23 411 008 1706 WASHER SPR 4 2 SW4 F
24 411 042 3001 SCR PAN 4X10 2 M4X10 PAN
25 630 063 3016 BRACKET 1 645H--04B-036
25 -1 411 141 4008 WASHER V 4X9X0.8 2 FW4
25 -2 411 141 2905 WASHER SPR 4 2 SW4
25 -3 630 000 7626 BOLT,HEX-SCT 2 M4X10
27 411 119 2104 WASHER V 4X9X0.8 1 FW4 F
28 411 008 1706 WASHER SPR 4 1 SW4 F
29 411 113 1400 SCR PAN 4X6 1 M4X6 PAN
33 411 141 4107 WASHER V 5X10X1 2 FW5
34 411 141 6705 WASHER SPR 5 2 SW5
35 630 000 7749 BOLT,HEX-SCT 2 M5X10
41 630 063 3009 COVER 1 645H--04B-035
42 411 051 1708 SCR TRS 4X6 2 M4X6 TRS

MODEL TDM-3000E-2
0210-001
146
35
35
13
8
9
10
14
15
1
31
30
32
33
31
30
32
33
31
30
32
33
31
30
32
33
13
7
7
14
15
33
32
31
30-1
13
14
15
19
20
21
4
3
2
8
6
9
10
10
9
8
16
17
18
21
20
19
41
42
43
44
45
45
44
43
42
41
12
31
30-1
32
33
A
B
A
B
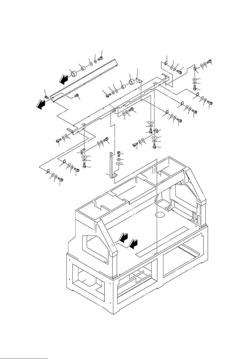
Fig.9-1
TDM-3000E-2
カバー部 COVER SECTION
Fig. 9-1 手すり Handrail

147
Key No. PART No. PART NAME Q’ty REMARKS
NOTE
MODEL TDM-3000E-2
0208-001
9-1
1 630 067 5474 STAY 1 645R--04B-027
2 630 001 0237 WASHER 2 BW6
3 411 141 3001 WASHER SPR 6 2 SW6
4 630 000 7916 BOLT,HEX-SCT 2 M6X30
6 630 058 4899 BRACKET 1 645R--04B-028
7 630 058 4844 BRACKET 2 645R--04B-024
8 411 141 4107 WASHER V 5X10X1 8 FW5
9 411 141 6705 WASHER SPR 5 8 SW5
10 630 000 7749 BOLT,HEX-SCT 8 M5X10
11 630 059 2924 COVER 1 645R--04B-026
12 630 050 7461 BRACKET 1 645R--04B-036
13 630 001 0220 WASHER 6 BW5
14 411 141 6705 WASHER SPR 5 6 SW5
15 630 000 7756 BOLT,HEX-SCT 6 M5X12
16 630 001 0220 WASHER 2 BW5
17 411 141 6705 WASHER SPR 5 2 SW5
18 630 000 7756 BOLT,HEX-SCT 2 M5X12
19 411 141 4107 WASHER V 5X10X1 3 FW5
20 411 141 6705 WASHER SPR 5 3 SW5
21 630 000 7749 BOLT,HEX-SCT 3 M5X10
30 630 030 0031 MECH PARTS(BRACKET) 4 645R--04H-008
30 -1 630 074 7447 BRACKET 2 645R--04H-050
31 411 141 4107 WASHER V 5X10X1 12 FW5
32 411 141 6705 WASHER SPR 5 12 SW5
33 630 000 7763 BOLT,HEX-SCT 12 M5X16
34 630 058 9412 COVER 1 645R--04B-025
35 411 113 9109 SCR TRS 5X10 6 M5X10 TRS
41 630 038 9698 COLLAR 2 645R--04B-023
42 630 028 9909 MECH PARTS(URETHANES) 2 645R--04H-004
43 411 141 4305 WASHER V 6X12.5X1.6 2 FW6
44 411 141 3001 WASHER SPR 6 2 SW6
45 630 000 7916 BOLT,HEX-SCT 2 M6X30