P-0222-001.pdf - 第93页
MEMO

MODEL TDM-3000E-2
0208-001
Key No. PART No. PART NAME Q’ty REMARKS
NOTE
90
51 411 119 1909 WASHER V 3X7X0.5 2 FW3 F
52 411 086 4408 WASHER SPR 3 2 SW3 F
53 411 041 8908 SCR PAN 3X6 2 M3X6 PAN
81 630 048 8821 PLATE(BELT CLIP) 1 645F--04B-019
82 630 000 7565 BOLT,HEX-SCT 4 M3X20
83 411 140 9905 NUT HEX 3 4 M3
6-1

MEMO

MODEL TDM-3000E-2
0208-001
92
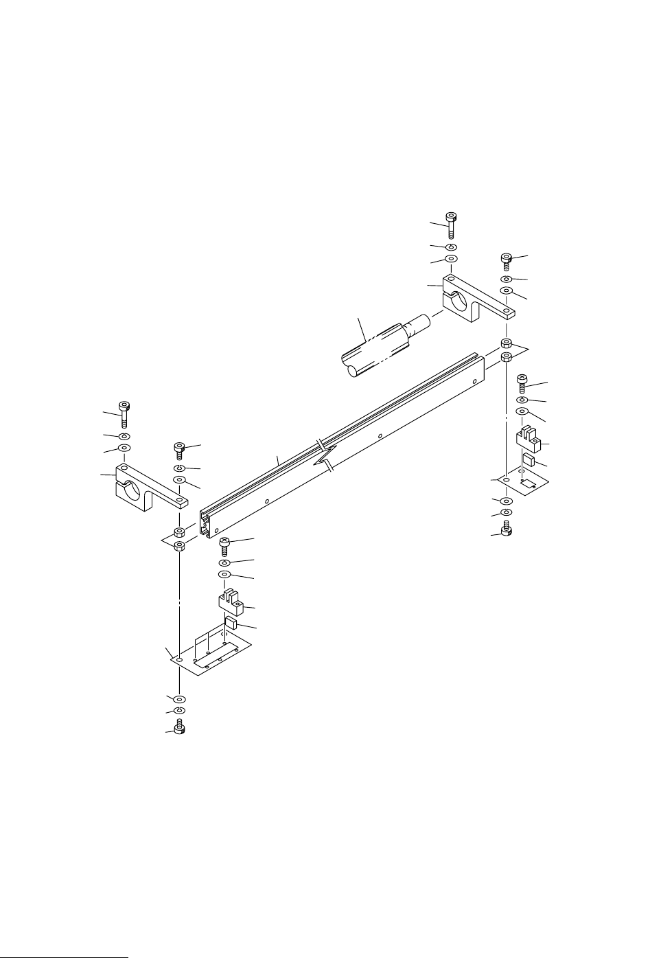
トランスファ部 TRANSFER SECTION
Fig. 6-2 送り位置検出部 Transfer Position Detector
15
16
19
18
17
1
2
3
4
5
8
7
6
9
10
11
12
13
14
15
16
19
18
17
Fig.6-2
See Fig.6-1
Key No.12
9
1
2
3
4
8
7
6
12
13
14
TDM-3000E-2