P-0222-001.pdf - 第27页
MEMO

MODEL TDM-3000E-2
0208-001
Key No. PART No. PART NAME Q’ty REMARKS
NOTE
24
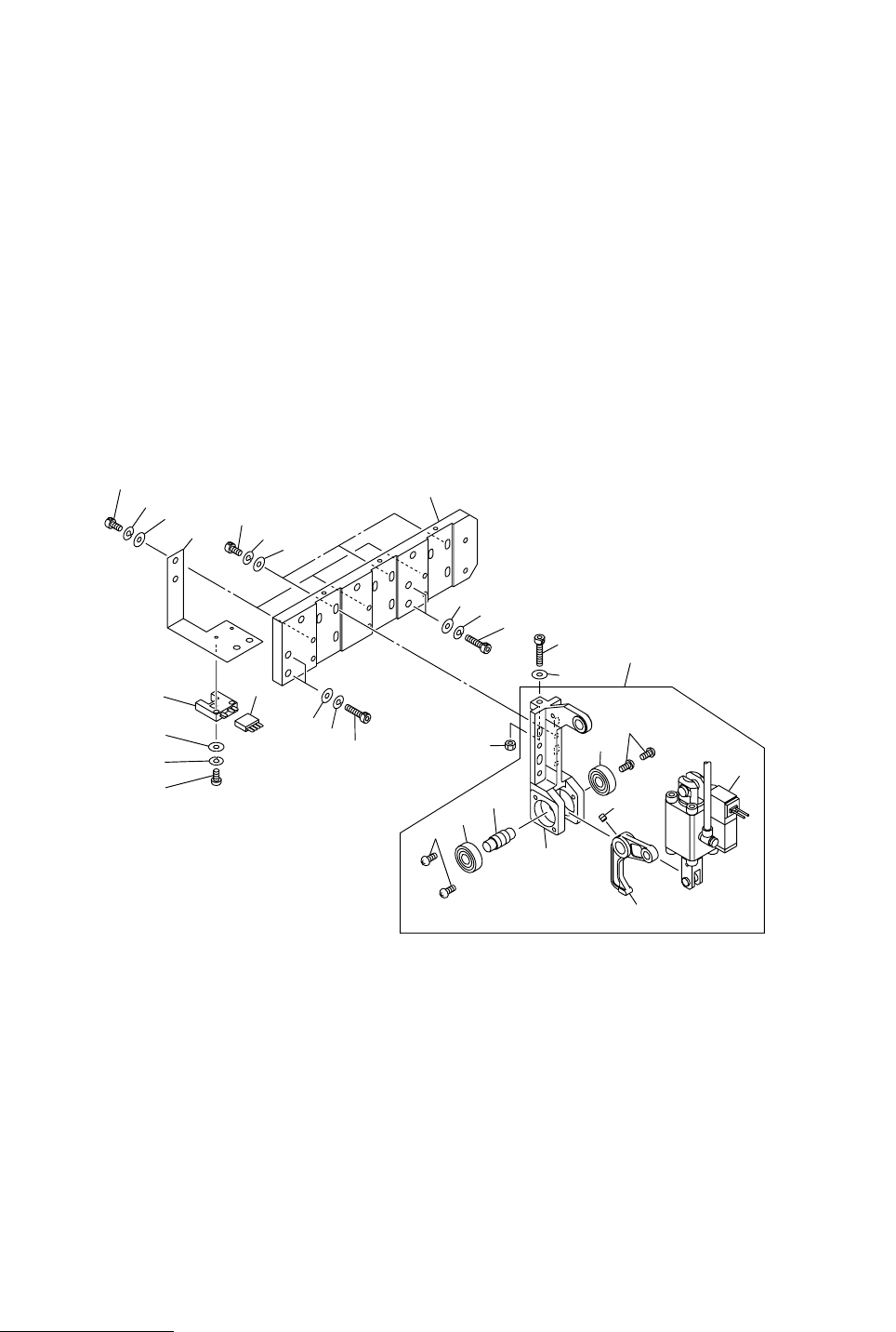
52 -2 630 048 9187 COLLAR 1 645K--04B-070
52 -3 630 001 1449 BEARING,RADIAL 2 645K--04H-038
53 630 054 8365 COLLAR 1 645K--04B-042
53 -1 630 055 2973 COLLAR 1 645K--04B-085
54 630 055 3376 SET COLLAR 2 645K--04H-039
55 630 000 8982 SET SCREW 2 M6X8 SET
56 630 034 0044 CAM FOLLOWER 6 645K--04H-037
57 411 141 4503 WASHER V 8X17X1.6 6 FW8
58 411 141 3100 WASHER SPR 8 6 SW8
59 411 141 0901 NUT HEX 8 6 M8
60 630 006 9426 BEARING,RADIAL 6 645K--04H-040
61 630 058 0839 PIN,GUIDE 3 645K--04B-047
62 630 058 0846 PIN,GUIDE 3 645K--04B-048
63 411 141 4107 WASHER V 5X10X1 6 FW5
64 411 141 6705 WASHER SPR 5 6 SW5
65 411 141 0505 NUT HEX 5 6 M5
70 630 060 2302 BRACKET 1 645K--04B-078
71 630 086 5974 UNIT,I/O 1 3F88L-162 645K--04H-026
72 411 141 4008 WASHER V 4X9X0.8 2 FW4
73 411 141 2905 WASHER SPR 4 2 SW4
74 630 000 7640 BOLT,HEX-SCT 2 M4X14
75 411 141 4107 WASHER V 5X10X1 2 FW5
76 411 141 6705 WASHER SPR 5 2 SW5
77 630 000 7749 BOLT,HEX-SCT 2 M5X10
2-3

MEMO

MODEL TDM-3000E-2
0208-001
26
ヘッド部 HEAD SECTION
Fig. 2-4 SZ 軸ストッパ SZ Axis Stopper
1
2
3
4
2
3
4
33
31
32
34
35
11
21
22
23
18
19
20
17
13
15
15
12
38
37
36
30
14
16
16
10
Fig.2-4
TDM-3000E-2