P-0222-001.pdf - 第91页
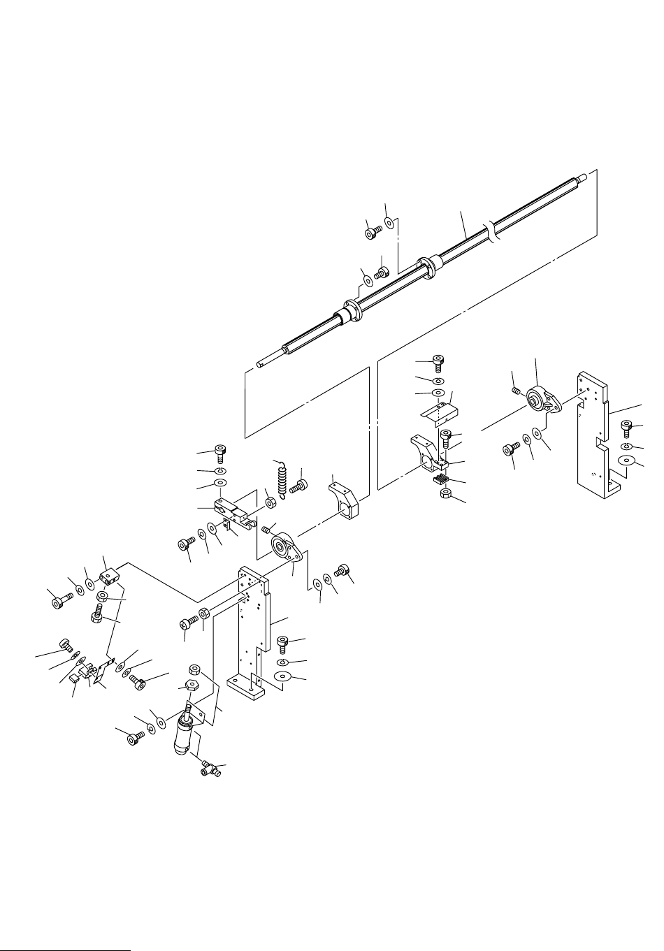
89 Key No. P AR T No. P A R T NAME Q’ty REMARKS NOTE MODEL TDM-3000E-2 0208-001 6-1 1 630 054 4916 BRACKET 1 645F--04B-001 2 630 054 4923 BRACKET 1 645F--04B-002 3 630 001 0237 WASHER 4 645F--04H-020 4 4 1 1 1 41 30 01 W…

MODEL TDM-3000E-2
0208-001
88
トランスファ部 TRANSFER SECTION
Fig. 6-1 スプライン軸 Spline Shaft
12
1
16
17
18
19
29
20
21
22
23
24
25
26
27
28
31
30
32
33
38
34
35
36
37
39
40
41
42
43
44
45
46
47
48
49
50
51
52
53
3
4
5
15
15
19
18
17
16
2
3
4
5
Fig.6-1
TDM-3000E-2
6-1
6
81
83
82
7
8
9
10
13
14
13
14

89
Key No. PART No. PART NAME Q’ty REMARKS
NOTE
MODEL TDM-3000E-2
0208-001
6-1
1 630 054 4916 BRACKET 1 645F--04B-001
2 630 054 4923 BRACKET 1 645F--04B-002
3 630 001 0237 WASHER 4 645F--04H-020
4 411 141 3001 WASHER SPR 6 4 SW6
5 630 000 7916 BOLT,HEX-SCT 4 M6X30
6 630 054 4893 HOLDER 1 645F--04B-020
6 -1 630 059 1040 HOLDER(R) 1 645F--04B-021
7 630 053 5167 PLATE(SHADE B) 1 645F--04B-026
8 411 141 4008 WASHER V 4X9X0.8 2 FW4
9 411 141 2905 WASHER SPR 4 2 SW4
10 630 000 7619 BOLT,HEX-SCT 2 M4X8
12 630 053 8489 GUIDE,LINEAR 1 645F--04H-001
13 411 141 6705 WASHER SPR 5 8 SW5
14 630 000 7763 BOLT,HEX-SCT 8 M5X16
15 630 001 1883 BEARING,UNIT 2 645F--04H-013
16 411 141 4503 WASHER V 8X17X1.6 6 FW8
17 411 141 3100 WASHER SPR 8 6 SW8
18 630 000 8036 BOLT,HEX-SCT 6 M8X30
19 630 000 8975 SET SCREW 2 M6X6 SET
20 630 048 8968 LEVER 1 645F--04B-011
21 411 141 4305 WASHER V 6X12.5X1.6 1 FW6
22 411 141 3001 WASHER SPR 6 1 SW6
23 630 000 7909 BOLT,HEX-SCT 1 M6X25
24 630 053 5150 PLATE(SHADE C) 1 645F--04B-012
25 411 141 4008 WASHER V 4X9X0.8 2 FW4
26 411 141 2905 WASHER SPR 4 2 SW4
27 630 000 7619 BOLT,HEX-SCT 2 M4X8
28 411 054 8506 NUT HEX 4 1 M4 F
29 411 113 2209 SCR PAN 4X16 1 M4X16 PAN
30 411 054 8506 NUT HEX 4 1 M4 F
31 411 003 0001 SCR PAN 4X12 1 M4X12 PAN
32 630 001 8899 SPRING,TENSION 1 645F--04H-015
33 630 003 4950 CYLINDER 1 POS1 645F--04H-017
34 630 003 5193 AIR LINE EQPT 2 645F--04H-022
35 630 048 8982 BLOCK(CYL) 1 645F--04B-015
36 411 141 4305 WASHER V 6X12.5X1.6 2 FW6
37 411 141 3001 WASHER SPR 6 2 SW6
38 630 000 7886 BOLT,HEX-SCT 2 M6X16
39 630 048 8975 BLOCK(STOPPER) 1 645F--04B-013
40 411 141 0703 NUT HEX 6 1 M6
41 630 042 2108 BOLT,HEX 1 645F--04H-028
42 411 141 4305 WASHER V 6X12.5X1.6 2 FW6
43 411 141 3001 WASHER SPR 6 2 SW6
44 630 000 7954 BOLT,HEX-SCT 2 M6X50
45 630 053 5099 BRACKET(PHOTO) 1 645F--04B-014
46 411 141 4008 WASHER V 4X9X0.8 2 FW4
47 411 141 2905 WASHER SPR 4 2 SW4
48 630 000 7602 BOLT,HEX-SCT 2 M4X6
49 630 032 5287 SENSOR,PHOTO 1 PHS6 645F--04H-003
50 630 000 0269 SENSOR,PHOTO(CONNECTOR) 1 645F--04H-025

MODEL TDM-3000E-2
0208-001
Key No. PART No. PART NAME Q’ty REMARKS
NOTE
90
51 411 119 1909 WASHER V 3X7X0.5 2 FW3 F
52 411 086 4408 WASHER SPR 3 2 SW3 F
53 411 041 8908 SCR PAN 3X6 2 M3X6 PAN
81 630 048 8821 PLATE(BELT CLIP) 1 645F--04B-019
82 630 000 7565 BOLT,HEX-SCT 4 M3X20
83 411 140 9905 NUT HEX 3 4 M3
6-1