OM-1753-001w_GS-F600.pdf - 第170页
5-14 OM-1753 1 2 3 4 5 6 7 8 A B C D E F CN1 CN3 X2 U69 STL T_FB U68 安全回路 CN100 SV -NET 【本体側】 テープフィーダ 10 レーン X30D 各リレー・ 【トラバース側】 K101 Q101 A01 CN1 CN2 A03 CN1 CN2 M01 3 M CN3 CN5 M03 U156 SW-DN X30A フルトレイ接続確認 高速 IO 安全回路電…

OM-1753
5-13
ノイズフィルタ
Z
サーボモータドライバ
A
ステッピングモータ
ドライバ
A
スピードコント
ロールパック
A
スイッチング電源
G
サーボモータ用
ブレーキ電源
G
雷サージプロテクタ
F
ユニット基板
U
ハードディスク
ドライブ
D
フロッピーディスク
ドライブ
D
A
その他ユニット
図記号は一般的にユニットを表します。
回路記号は電気部品の分類により異なり
ます。
備 考
図 記 号
名 称 記 号
インバータ
変換器
U
U
1303-001
4.1 電気回路図で使用する記号

5-14
OM-1753
1 2 3 4 5 6 7 8
A
B
C
D
E
F
CN1 CN3X2
U69
STLT_FB
U68
安全回路
CN100
SV-NET
【本体側】
テープフィーダ10レーン
X30D
各リレー・
【トラバース側】
K101
Q101
A01
CN1 CN2
A03
CN1 CN2
M01
3
M
CN3 CN5
M03
U156
SW-DN
X30A
フルトレイ接続確認
高速IO
安全回路電源(24A2)
センサ・負荷電源(24G)
フィーダ電源(24G)
非常停止検出(本体より)
TV,EV電源投入(本体より)
センサ・負荷
X1
X30A
X30A
安全スイッチ
CN3 CN5
3
M
AC200V
RS232C
X30C
X30
TV EL2
FB-SRS
U
一括コネクタ
終端抵抗
高速IO
センサ 負荷
PWR
RS-232C
PWR
【ACV:OP】
インターロック信号(本体ILBへ)
ACV IDCtr
U150
ILB-TV1
CN1
アンプ アンテナ
CN01 - 10
CN101 CN102
CN16
CN1 CN3
PWR
ILB-TV2 ILB-EL1
センサ・負荷
センサ・負荷
U151 U152
PWR PWR
高速IO
CN9CN8CN6CN1
PWR
RS232C
X2X1 X2X1
センサ 負荷 センサ 負荷
U157
SW-UP
CN1
ILB-EL2
U153
PWR
X2X1
センサ 負荷
A02
CN1 CN2
CN3 CN5
EL1
M02
3
M
ILB-SWDN
U154
PWR
X2X1
センサ 負荷
ILB-SWUP
U155
PWR
X2X1
センサ 負荷
センサ・負荷
【エレベータ側】
K201 K301
UP
T
DN
UP DN
CN2 CN1 CN3
高速IO
UP
T
DN
CN2 CN1 CN3
高速IO
UP
T
DN
CN2 CN1 CN3
高速IO
UP
T
DN
CN2 CN1 CN3
高速IO
UP
T
DN
CN2 CN1 CN3
高速IO
UP
T
DN
CN2
一括コネクタ
K505
X30D
XACV
X35
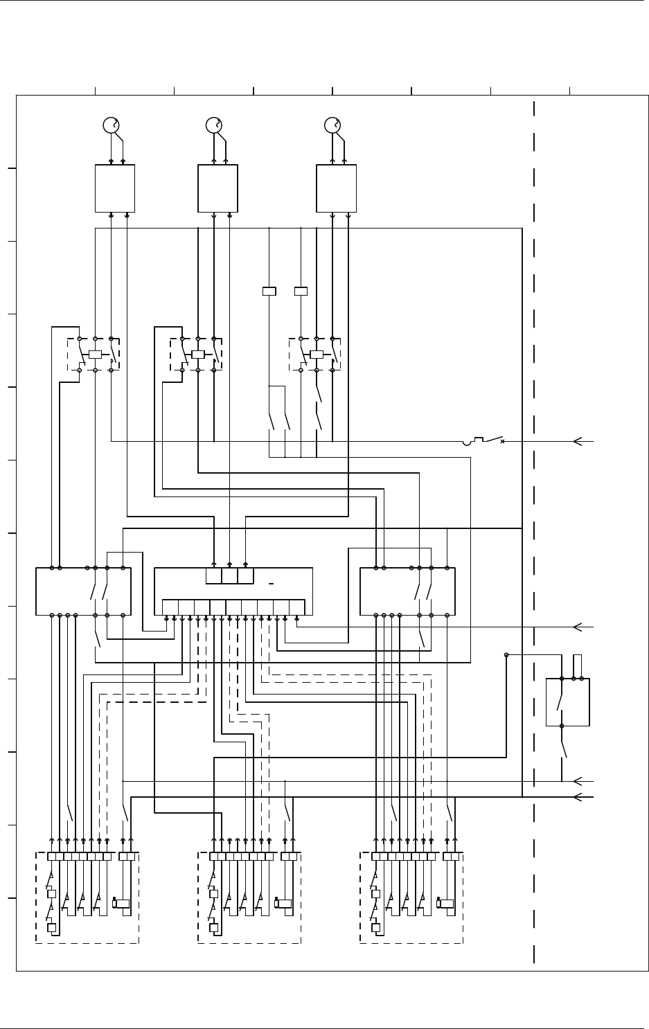
4.2 電気回路図
G5S フルトレイ ブロック図
1303-001-(1015WA---1001)
4.2 電気回路図

5-15
OM-1753
1303-001-(1015WA---1002)
G5S フルトレイ 安全回路ブロック図
1 2 3 4 5 6 7 8 9 10 11 12
A
B
C
D
E
F
G
H
S0501(下)
51
52
A1
A2
安全スイッチ
Power To Lock
ロック接点
S0503(マガジン)
11
42
21
22
51
52
A1
A2
安全スイッチ
31
32
Power To Lock
開閉接点
開閉接点
開閉接点
ロック接点
ロック接点
1241
K301
エレベータ2主電源投入
CN1
エレベータ2(上)
A03
CN3
CN5
M03
3
M
S0502(上)
51
52
A1
A2
安全スイッチ
Power To Lock
ロック接点
T11
T12
T21
T22
K201
エレベータ1主電源投入
CN1
エレベータ1(下)
A02
CN3
CN5
M02
3
M
CN1
トラバース
A01
CN3
CN5
M01
3
M
安全リレー
K002
T31
T32
2423
K508
K509
K507
溶着確認
1413
I/O基板
A1
T11
T12
T21
T22
安全リレー
K001
T31
T32
2423
1413
A1
A2
K503
K502
安全リレー
K3
44
43
T31
T32
K22
24A2
入力
入力
入力
入力
入力
入力
A2
入力
入力
10A
445
溶着確認
非常停止検出
CN7
CN7
CN7
AC200V(単相)
入力
出力
出力
出力
本体側
多段トレイ側
K101
トラバース主電源投入
11
42
21
22
31
32
開閉接点
開閉接点
開閉接点
ロック接点
1241
11
42
21
22
31
32
開閉接点
開閉接点
開閉接点
ロック接点
1241
K512
K513
K513
K513
K512
溶着確認
溶着確認
K508
K507
K504
Q101
溶着確認
UB95-1
UB95-4
�TV,EVの溶着確認は多段トレイ側で行う。
P-ON0
421
G5S フルトレイ 安全回路ブロック図