OM-1753-001w_GS-F600.pdf - 第172页
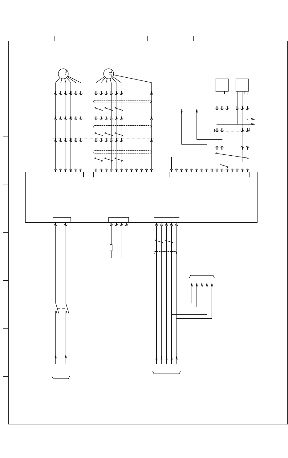
5-16 OM-1753 1303-001-(1015WB---1001) G5S フルトレイ トラバース M 1 2 3 4 5 6 7 8 A B C D E F 1 2 CN1 X0201 L150 2 5 CN2 X0202 CAN H CAN L SD 24G 10 4 1 3 CAN L CAN H SD 24V GND A3 A2 B2 A1 B1 W V (BK) U FG CN3 X0203 B3 (BK) M02 E…

5-15
OM-1753
1303-001-(1015WA---1002)
G5S フルトレイ 安全回路ブロック図
1 2 3 4 5 6 7 8 9 10 11 12
A
B
C
D
E
F
G
H
S0501(下)
51
52
A1
A2
安全スイッチ
Power To Lock
ロック接点
S0503(マガジン)
11
42
21
22
51
52
A1
A2
安全スイッチ
31
32
Power To Lock
開閉接点
開閉接点
開閉接点
ロック接点
ロック接点
1241
K301
エレベータ2主電源投入
CN1
エレベータ2(上)
A03
CN3
CN5
M03
3
M
S0502(上)
51
52
A1
A2
安全スイッチ
Power To Lock
ロック接点
T11
T12
T21
T22
K201
エレベータ1主電源投入
CN1
エレベータ1(下)
A02
CN3
CN5
M02
3
M
CN1
トラバース
A01
CN3
CN5
M01
3
M
安全リレー
K002
T31
T32
2423
K508
K509
K507
溶着確認
1413
I/O基板
A1
T11
T12
T21
T22
安全リレー
K001
T31
T32
2423
1413
A1
A2
K503
K502
安全リレー
K3
44
43
T31
T32
K22
24A2
入力
入力
入力
入力
入力
入力
A2
入力
入力
10A
445
溶着確認
非常停止検出
CN7
CN7
CN7
AC200V(単相)
入力
出力
出力
出力
本体側
多段トレイ側
K101
トラバース主電源投入
11
42
21
22
31
32
開閉接点
開閉接点
開閉接点
ロック接点
1241
11
42
21
22
31
32
開閉接点
開閉接点
開閉接点
ロック接点
1241
K512
K513
K513
K513
K512
溶着確認
溶着確認
K508
K507
K504
Q101
溶着確認
UB95-1
UB95-4
�TV,EVの溶着確認は多段トレイ側で行う。
P-ON0
421
G5S フルトレイ 安全回路ブロック図

5-16
OM-1753
1303-001-(1015WB---1001)
G5S フルトレイ トラバース M
1 2 3 4 5 6 7 8
A
B
C
D
E
F
1
2
CN1
X0201
L150
2
5
CN2
X0202
CAN H
CAN L
SD
24G
10
4
1
3
CAN L
CAN H
SD
24V
GND
A3
A2
B2
A1
B1
W
V
(BK)
U
FG
CN3
X0203
B3(BK)
M02
EV1-Axis
SSG
A2
B1
A3
A1
B2
S1
S4
R1
S2
S3
CN5
X0205
B3R2
A6
B5
NC
NC
B6
GND(SD)
M02
M02P
:A1
:B1
:A2
:B2
:A3
:B3
(MOTOR)
A5
B4
A4NC
NC
NC
:B6
3
2
5
1
4
AIN
F-PLS+
GND(COM-)
R-PLS-
CN7
X0207
6F-PLS-
8
7
AUX
GND
9
C-RST
10
12
11
F-LMT
R-LMT
13
SV-ON
15
14
ALM
INP
16
+24V(COM+)
R-PLS+
RST
(I/O)
3
M
(MAIN PWR)
(SV-NET)
A02
Servo Motor Driver
EL1
L350
X0302
A03:EL2
[B-/03/3D]
:2
:5
:4
:1
:3
1
4
CN6
X0206
2
3
RG1
DB1
RG2
DB2
:2
:5
:4
:1
:3
X0102
A01:TV
[B-/01/4D]
回生抵抗
80W 30Ω
AC200V
[B-/01/4B]
L152
K201
1 2
3 4
L352
:A1
:A2
:A3
:B1
:B2
:B3
X35
:1
:2
:3
:4
:5
:6
:13
:14
:15
:16
:17
:18
:25
XM02
:A1
:A2
:A3
:A4
:A5
:A6
XM02
:B1
:B2
:B3
:B4
:B5
:B6
:B7
オーバーラン(+)
マガジン上下接近確認
A03
X10307:3ヘ
[B-/03/7F]
U150(STLT ILB TV)
X15013(CN13):1 [B-/07/2A]
X35
:61
:65
:63
:62
:3
X10207
:2
:4
OUT
-
L
+
:2
XB0202
:3
:1
B0202
OUT
-
L
+
:2
XB0201
:3
:1
B0201
:3:1XB0302
[B-/03/7E]
X10207
:1
EL1緊急停止
G5S フルトレイ トラバース M

5-17
OM-1753
1303-001-(1015WB---1002)
G5S フルトレイ エレベータ 1( 下 )M
1 2 3 4 5 6 7 8
A
B
C
D
E
F
1
2
CN1
X0201
L150
2
5
CN2
X0202
CAN H
CAN L
SD
24G
10
4
1
3
CAN L
CAN H
SD
24V
GND
A3
A2
B2
A1
B1
W
V
(BK)
U
FG
CN3
X0203
B3(BK)
M02
EV1-Axis
SSG
A2
B1
A3
A1
B2
S1
S4
R1
S2
S3
CN5
X0205
B3R2
A6
B5
NC
NC
B6
GND(SD)
M02
M02P
:A1
:B1
:A2
:B2
:A3
:B3
(MOTOR)
A5
B4
A4NC
NC
NC
:B6
3
2
5
1
4
AIN
F-PLS+
GND(COM-)
R-PLS-
CN7
X0207
6F-PLS-
8
7
AUX
GND
9
C-RST
10
12
11
F-LMT
R-LMT
13
SV-ON
15
14
ALM
INP
16
+24V(COM+)
R-PLS+
RST
(I/O)
3
M
(MAIN PWR)
(SV-NET)
A02
Servo Motor Driver
EL1
L350
X0302
A03:EL2
[B-/03/3D]
:2
:5
:4
:1
:3
1
4
CN6
X0206
2
3
RG1
DB1
RG2
DB2
:2
:5
:4
:1
:3
X0102
A01:TV
[B-/01/4D]
回生抵抗
80W 30Ω
AC200V
[B-/01/4B]
L152
K201
1 2
3 4
L352
:A1
:A2
:A3
:B1
:B2
:B3
X35
:1
:2
:3
:4
:5
:6
:13
:14
:15
:16
:17
:18
:25
XM02
:A1
:A2
:A3
:A4
:A5
:A6
XM02
:B1
:B2
:B3
:B4
:B5
:B6
:B7
オーバーラン(+)
マガジン上下接近確認
A03
X10307:3ヘ
[B-/03/7F]
U150(STLT ILB TV)
X15013(CN13):1 [B-/07/2A]
X35
:61
:65
:63
:62
:3
X10207
:2
:4
OUT
-
L
+
:2
XB0202
:3
:1
B0202
OUT
-
L
+
:2
XB0201
:3
:1
B0201
:3:1XB0302
[B-/03/7E]
X10207
:1
EL1緊急停止
G5S フルトレイ エレベータ 1( 下 )M