OM-1753-001w_GS-F600.pdf - 第174页
5-18 OM-1753 1303-001-(1015WB---1003) G5S フルトレイ エレベータ 2( 上 )M 1 2 3 4 5 6 7 8 A B C D E F 1 2 CN1 X0301 L150 2 5 CN2 4 1 3 CAN L CAN H SD 24V GND A3 A2 B2 A1 B1 W V (BK) U FG CN3 B3 (BK) A2 B1 A3 A1 B2 S1 S4 R1 S2 S3 CN5…

5-17
OM-1753
1303-001-(1015WB---1002)
G5S フルトレイ エレベータ 1( 下 )M
1 2 3 4 5 6 7 8
A
B
C
D
E
F
1
2
CN1
X0201
L150
2
5
CN2
X0202
CAN H
CAN L
SD
24G
10
4
1
3
CAN L
CAN H
SD
24V
GND
A3
A2
B2
A1
B1
W
V
(BK)
U
FG
CN3
X0203
B3(BK)
M02
EV1-Axis
SSG
A2
B1
A3
A1
B2
S1
S4
R1
S2
S3
CN5
X0205
B3R2
A6
B5
NC
NC
B6
GND(SD)
M02
M02P
:A1
:B1
:A2
:B2
:A3
:B3
(MOTOR)
A5
B4
A4NC
NC
NC
:B6
3
2
5
1
4
AIN
F-PLS+
GND(COM-)
R-PLS-
CN7
X0207
6F-PLS-
8
7
AUX
GND
9
C-RST
10
12
11
F-LMT
R-LMT
13
SV-ON
15
14
ALM
INP
16
+24V(COM+)
R-PLS+
RST
(I/O)
3
M
(MAIN PWR)
(SV-NET)
A02
Servo Motor Driver
EL1
L350
X0302
A03:EL2
[B-/03/3D]
:2
:5
:4
:1
:3
1
4
CN6
X0206
2
3
RG1
DB1
RG2
DB2
:2
:5
:4
:1
:3
X0102
A01:TV
[B-/01/4D]
回生抵抗
80W 30Ω
AC200V
[B-/01/4B]
L152
K201
1 2
3 4
L352
:A1
:A2
:A3
:B1
:B2
:B3
X35
:1
:2
:3
:4
:5
:6
:13
:14
:15
:16
:17
:18
:25
XM02
:A1
:A2
:A3
:A4
:A5
:A6
XM02
:B1
:B2
:B3
:B4
:B5
:B6
:B7
オーバーラン(+)
マガジン上下接近確認
A03
X10307:3ヘ
[B-/03/7F]
U150(STLT ILB TV)
X15013(CN13):1 [B-/07/2A]
X35
:61
:65
:63
:62
:3
X10207
:2
:4
OUT
-
L
+
:2
XB0202
:3
:1
B0202
OUT
-
L
+
:2
XB0201
:3
:1
B0201
:3:1XB0302
[B-/03/7E]
X10207
:1
EL1緊急停止
G5S フルトレイ エレベータ 1( 下 )M

5-18
OM-1753
1303-001-(1015WB---1003)
G5S フルトレイ エレベータ 2( 上 )M
1 2 3 4 5 6 7 8
A
B
C
D
E
F
1
2
CN1
X0301
L150
2
5
CN2
4
1
3
CAN L
CAN H
SD
24V
GND
A3
A2
B2
A1
B1
W
V
(BK)
U
FG
CN3
B3(BK)
A2
B1
A3
A1
B2
S1
S4
R1
S2
S3
CN5
B3R2
A6
B5
NC
NC
B6GND(SD)
(MOTOR)
A5
B4
A4NC
NC
NC
3
2
5
1
4
AIN
F-PLS+
GND(COM-)
R-PLS-
CN7
6F-PLS-
8
7
AUX
GND
9C-RST
10
12
11
F-LMT
R-LMT
13SV-ON
15
14
ALM
INP
16
+24V(COM+)
R-PLS+
RST
(I/O)
(MAIN PWR)
(SV-NET)
A03
Servo Motor Driver
EL2
L250
1
4
CN6
X0306
2
3
RG1
DB1
RG2
DB2
回生抵抗
80W 30Ω
AC200V
[B-/01/4C]
L153
K201
1 2
3 4
L353
X0302
:2
:5
:4
:1
:3
X0202
A02:EL1
[B-/02/4E]
R03
終端抵抗
120Ω
X0303
M03
EV2-Axis
SSG
X0305
M03
M03P
:A1
:B1
:A2
:B2
:A3
:B3
:B6
X0307
3
M
A02
X10207:3より
[B-/02/7E]
X15014(CN14):1 [B-/07/2B]
:A1
:A2
:A3
:B1
:B2
:B3
X35
:7
:8
:9
:10
:11
:12
:19
:20
:21
:22
:23
:24
:36
XM03
:A1
:A2
:A3
:A4
:A5
:A6
XM03
:B1
:B2
:B3
:B4
:B5
:B6
:B7
X10307
:2
X35
:64
:3
オーバーラン(-)
OUT
-
L
+
:2
XB0302
:3
:1
B0302
+24V GND
[B-/02/7F]
U150(STLT ILB TV)
EL2緊急停止
CAN H
CAN L
SD
24G
10
G5S フルトレイ エレベータ 2( 上 )M

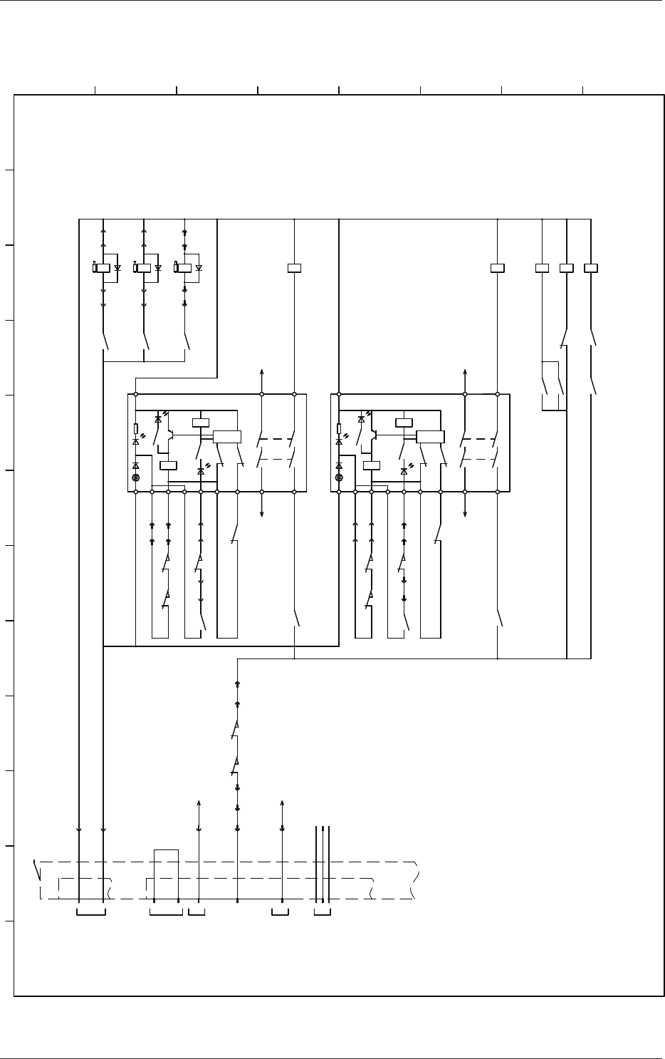
5-19
OM-1753
1303-001-(1015WB---1004)
G5S フルトレイ 電源部
1 2 3 4 5 6 7 8 9 10 11 12
A
B
C
D
E
F
G
H
外部ユニット接続一括コネクタ
X30
A module
(12Pins)
:3
:4
24
13
23
T32
T31
T22
T12
T11
T21
A1
14
A2
:5
S0501
41 42
S0503
11 12
21 22
K201
A1 A2
K503
2 6
K301
A1 A2
K504
3 7
K201
21 22
K301
21 22
K101
A1 A2
K502
1 5
安全扉ロック:下
安全扉ロック:上
安全扉ロック:マガジン
S0501
S0502
S0503
EV1主回路電源投入
EV2主回路電源投入
TV主回路電源投入
安全扉ドアスイッチ(下)
24
13
23
T32
T31
T22
T12
T11
T21
A1
14
A2
U151
X15136:2へ
U151
X15136:1へ
U151
X15137:2へ
U151
X15137:1へ
:6
U150(ILB TV)
X15043(CN43):2
[B-/05/2B]
PWRTH
K1 K2
Circuit
Control
K2
K2
K1
K1
K2
K1
K001
K002
安全扉ドアスイッチ(上)
10A
24A2
(12Pins)
非常停止検出
[B-/06/2C] [B-/06/2C]
[B-/06/2D] [B-/06/2D]
10B
10B
S0503
41 42
(マガジン)
安全扉ドアスイッチ
K509
3 4
K508
3 4
K507
3 4
:1
:3
[D-/22/4F]:(2)
フルトレイ接続確認
K513
6 5
K101
21 22
K512
8 1
K513
3 4
K513
8 1
K512
3 4
[D-/12/4E]:(1)
[D-/22/4E]:(2)
[D-/12/4F]:(1)
多段トレイ電源投入
DC負荷電源
[D-/22/8E]:(2)
[D-/12/8E]:(1)
S0501
11 12
K507
S0501
5 6
A1 A2
A1 A2
A1 A2
S0502
41 42
S0502
11 12
21 22
K508
S0502
5 6
PWRTH
K1 K2
Circuit
Control
K2
K2
K1
K1
K2
K1
X35
:55
コネクタX35
はトラバース部とエレベータ部を接続する一括コネクタです。
X35
:56
X35
:39
:40
:42
X35
:41
X35
:49
:50
:52
X35
:51
X35
:37
X35
:38
:43 :44
:53 :54
U150(ILB TV1)
X15011(CN11):1
[B-/07/2C]
:4
フィーダベースインターロック
[D-/22/8E]:(2)
[D-/12/8E]:(1)
:4
:2
XTB1
:1
:3
XTB1
:5
X1S05
:B7
X1S05
:B8
X1S05
:A3
:A4
:A6
X1S05
:A5
X1S05
:B1
:B2
:B4
X1S05
:B3
X1S05
:A1
X1S05
:A2
:A7 :A8
:B5 :B6
D module
XTB1
XTB1
XTB1
P-ON
P-ON3 P-ON4
P-ON2
P-ON1
P-ONEL1
P-ONEL2
P-ON0
450
450
:7
:8
:9
:9
:2
:3
XACV
(SG)
(SD)
(RD)
ACV IDCtr(OP)RS-232C
ACVタグアンテナ(OP)
G5S フルトレイ 電源部