OM-1753-001w_GS-F600.pdf - 第186页
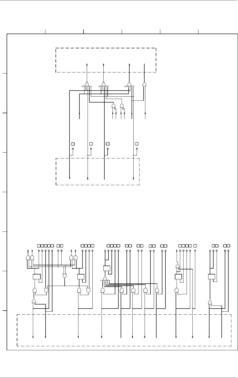
5-30 OM-1753 1303-001-(1015WB---1015) G5S フルトレイ TV ロジック回路 1 2 3 4 5 6 7 8 A B C D E F Q S R TV CHUK O/C RS O I TV CHUK O/C L T TV CHUK O/C1 RL TV CK MS A RL TV CK MS L T I I TV CK MS A RL (TV CK MS L T) I TV CK MS C RL T…

5-29
OM-1753
1303-001-(1015WB---1014)
G5S フルトレイ 位置決め落下防止
1 2 3 4 5 6 7 8
A
B
C
D
E
F
B0610
U01
IO P.C.B
フィーダ準備完了
スイッチ(後)
1
2
11
12
7
8
9
10
CN18
ID3 Di07
F READY(B1)
COM
S111B
F READY LED(B1)
ID3 Do06
BK
R
BK
R
部品一括廃棄(B1)
ID4 Do09
高速/多機能切替(B1)
-
OUT
+
+
OUT
-
+
-
X:B0911
B0910
:1
:2
:3
:3
:2
:1
:3
:2
:1
BR
BK
BL
BR
BK
BL
BR
BK
BL
+
:3
:2
:1
:4
-
BL
BR
BK
:3
:1
:2
:4
X:B0913
X0124
X:B0914
X:B0520
X10124
:1
:2
:3
B0911
B0913(OP)
B0914
B0520
OUT1
OUT2
OUT
25
26
BK
R
フィーダベース上昇(B1)
ID4 Do00
27
28
BK
R
ID4 Do01
29
30
位置決め落下防止(B1)
ID4 Do04
21
20
19
15
14
13
12
11
10
6
5
4
3
2
1
CN24
ID4 Di00
カート定位置確認(B1-1)
位置決めロック確認(B1)
位置決め上限検出(B1)
フィーダフック外れ検出(B1)
-
OUT
+
+
OUT
-
+
-
X:B0611
B0610
:1
:2
:3
:3
:2
:1
:3
:2
:1
BR
BK
BL
BR
BK
BL
BR
BK
BL
+
:3
:2
:1
:4
-
BL
BR
BK
:3
:1
:2
:4
X:B0613
X:B0614
X:B0521
X10123
:1
:2
:3
OUT1
OUT2
OUT
25
26
BK
R
27
28
BK
R
29
30
21
20
19
15
14
13
12
11
10
6
5
4
3
2
1
CN23
ID4 Di06
ID4 Di07
ID4 Di11
COM
S111F
BK
R
BK
R
10
11
12
13
カート定位置確認(B1-2)
フィーダベース下降(B1)
SP
P<
BL
BR
BK
3
2
1
15
14
5
4
ID3 Di07
ID2 Di01
ID3 Di08
フィーダベース上昇(B2)
位置決め落下防止(B2)
カート定位置確認(B2-1)
位置決めロック確認(B2)
位置決め上限検出(B2)
フィーダフック外れ検出(B2)
カート定位置確認(B2-2)
フィーダベース下降(B2)
高速/多機能切替(B2)
部品一括廃棄(B2)
F READY LED(B2)
F READY(B2)
エア圧低下検出
CN17
B0910
Y0938
Y0939
Y0932
Y0933
Y0942(OP)
Y0632
Y0633
Y0642(OP)
B0611
B0613(OP)
B0614
B0521
Y0638
Y0639
ID4 Do10
ID4 Do02
ID4 Do03
ID4 Di01
ID4 Di02
ID4 Di03
ID4 Di05
ID4 Di08
ID4 Di09
ID4 Do07
ID4 Do08
ID4 Do11
+
-
OUT
+
-
OUT
フィーダ準備完了
スイッチ(前)
4
In Port
7
17
16
18
18
17
16
XS111B
:1
:2
:3
:4
X0118
Y0938/0939
:1
:2
:3
:4
N.C
N.C
XS111F
:1
:2
:3
:4
S141
:1
:2
:3
Y0638/Y0639
:1
:2
:3
:4
:1
:2
:3
:4
Y0942
:1
:2
Y0632/Y0633
:1
:2
:3
:4
Y0642
:1
:2
5
X0123
8
X0117
24A3
10
24A3
24A3
10
24A6
10
24A6
10
24A6
10
24A6
10
24A6
10
24A6
10
24A3
24A3
24A3
10
24A6
10
24A3
24A3
24A3
10
10
24A6
10
24A6
10
24A6
10
24A6
GND
24A6
10
24A6
24A3
24A3
24A3
In Port
W
O
BL
BR
+
:3
:2
:1
:4
-
X:B0514
B0514
OUT2
OUT1
ID4 Di12
:5
吸着ミス部品検出リアル(B1)
W
BK
BL
BR
+
:3
:2
:1
:4
-
X:B0515
OUT1
OUT2
B0515
:5
ID4 Di14
吸着ミス部品検出
リアル(B2)
form U01-CN51
form U01-CN52
[D-/07/1E]
B0514OFF
B0515OFF
[D-/07/1F]
:5
:6
:7
:8
X10124
X10123
:5
:6
:7
:8
NO
-+
NO
+-
Y0932/0933
S141
Air Pressure Swich
G5S フルトレイ 位置決め落下防止

5-30
OM-1753
1303-001-(1015WB---1015)
G5S フルトレイ TV ロジック回路
1 2 3 4 5 6 7 8
A
B
C
D
E
F
QS
R
TV CHUK O/C RS
O
I
TV CHUK O/C LT
TV CHUK O/C1 RL
TV CK MS A RL
TV CK MS LT
I
I
TV CK MS A RL
(TV CK MS LT)
I
TV CK MS C RL
TV CK MS B RL
I
TV CK MS B RL
O
TV CHUK O/C ED
TV CK MS A ED
O
TV CK MS B ED
O
TV CK MS C ED
O
PLT OUT R RL
PLT OUT R RS
PLT OUT R LT
I
I
O
PLT OUT R RL
O
PLT OUT R ED
TV CK MS C RL
Q
S
R
TV CHUK O/C2 RL
PLT IL SEL EV2
O
O
PLT IL SEL EV1
(PLT IL2 EV1)
(PLT IL2 EV2)
(PLT IL1 EV2)
(PLT IL1 EV1)
EV LOCK L RL
EV LOCK R RL
EV LOCK RS
EV LOCK LT
O
I
QS
R
(EV LOCK LT)
FB CK MS RL
FB CK MS LT
I
FB CK MS ED
R
S Q
(FB IL)
FB FK RL
FB CK MS RS
O
FB CK MS RL
FB FK RL
I
TV CK MS E RL
TV CK MS E ED
O
TV CK MS D RL
TV CK MS RS
O
R
S
フィーダフック外れ検出
フィーダ吸着ミス部品検出
パレットチャック爪開閉検出(左)
パレットチャック爪開閉検出(右)
トレイ吸着ミス検出B(20mm)
トレイ吸着ミス検出A(12mm)
パレット飛出検出
エレベータユニットクランプ検出(左)
エレベータユニットクランプ検出(右)
トレイ吸着ミス検出D(30mm)
外部出力
EV1 EMG STP
EV2 EMG STP
TV EMG STP
(TV CK MS LT)
(PLT IL1 EV1)
(PLT IL1 EV2)
(PLT IL2 EV2)
(PLT IL2 EV1)
EV1 STP SG RL
EV2 STP SG RL
外部入力
(EV LOCK LT)
(FB IL)
FB ILK
SF CVR LK RL
I
SF CVR LK RL
I
EV1 STP SG RL
エレベータ2(上)インターロック信号
エレベータ1(下)インターロック信号
トラバース電源遮断検出
トラバースモータ 緊急停止
エレベータ1(下)モータ 緊急停止
エレベータ2(上)モータ 緊急停止
外部入力
トレイ吸着ミス検出C(24mm)
トレイ吸着ミス検出E(35mm)
TV CK MS E RL
I
TV CK MS D RL
TV CK MS D ED
O
(CN40)
(CN41)
(CN30)
(CN31)
(CN32)
(CN33)
(CN34)
(CN35)
(CN36)
(CN37)
(CN44)
(CN45)
(CN38)
(CN39)
(CN42)
(CN13)
(CN14)
(CN12)
(CN11)
フィーダベースインターロック
(di_1-1)
(di_0-12)
(di_1-3)
(do_1-12)
(do_1-13)
(di_0-10)
(di_0-11)
(di_1-0)
(do_1-2)
(do_1-3)
(do_1-0)
(do_1-1)
(do_1-4)
(do_1-5)
(di_0-2)
(di_1-2)
(do_1-6)
(do_1-7)
(di_0-3)
(do_1-8)
(di_0-4)
(do_1-9)
(di_0-5)
(do_1-10)
(di_0-6)
(do_1-11)
(di_0-7)
(do_0-6)
(di_1-5)
(di_0-8)
(do_0-3)
(do_0-4)
(do_0-2)
(do_0-1)
I
TV CHUK O/C1 RL
(di_0-0)
I
TV CHUK O/C2 RL
(di_0-1)
I
EV LOCK L RL
(di_0-14)
I
EV LOCK R RL
(di_0-15)
I
EV2 STP SG RL
(di_0-9)
I
O
I
Q
吸着ミスセンサラッチEDは下記の通り
(TV CK MS A ED | TV CK MS B ED | TV CK MS C ED | TV CK MS D ED | TV CK MS E ED)
入力部にノイズキャンセル回路を入れること。
入力遅延時間:300μs~450μs
EMR RL
(CN43)
非常停止検出
EMR RL
I
(di_0-13)
G5S フルトレイ TV ロジック回路

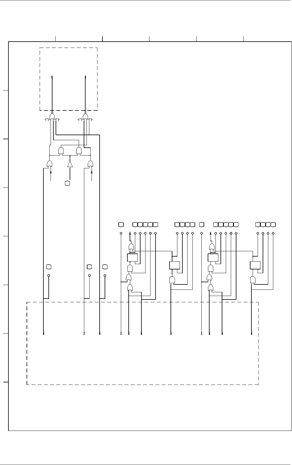
5-31
OM-1753
1303-001-(1015WB---1016)
G5S フルトレイ EL ロジック回路
1 2 3 4 5 6 7 8
A
B
C
D
E
F
LPLT OUT R1 RL
ラックシャッタ閉検出(右)
マガジン(下)
LPLT OUT F RL
ラックシャッタ閉検出(左)
(EV1 INTLK)
LPLT OUT RS
LPLT OUT LT
I
O
LPLT OUT R2 RL
マガジン(下)
O
LPLT OUT ED
作業者側ラックシャッタ開閉検出
位置決め確認
LMGN_POS RL
マガジン(下)
マガジン(下)
I
LPLT OUT F RL
UPLT OUT F RL
I
マガジン(上)
マガジン(上)
UMGN_POS RL
位置決め確認
作業者側ラックシャッタ開閉検出
UPLT OUT R ED
O
マガジン(上)
UPLT OUT R2 RL
O
I
UPLT OUT R LT
UPLT OUT R RS
ラックシャッタ閉検出(左)
UPLT OUT F RL
マガジン(上)
ラックシャッタ閉検出(右)
UPLT OUT R1 RL
S Q
R
R
QS
(EV2 INTLK)
EV1 STP SG
UMGN_POS LT
I
O
I
UMGN_POS RS
UMGN_POS RL
QS
R
UMGN_POS ED
O
R
S Q
LMGN_POS RL
LMGN_POS RS
I
O
I
LMGN_POS LT
O
LMGN_POS ED
EV2 STP SG
CNG STP
停止軸切替
O
(EV1 INTLK)
外部入力
外部出力
HIGH CVR RL
MID CVR RL
LOW CVR RL
安全扉(下)
安全扉(上)
安全扉(中)
ドアロック確認
(CN42)
ドアロック確認
ドアロック確認
(CN43)
(CN44)
(CN30)
(CN31)
(CN32)
(CN35)
(CN36)
(CN37)
(CN38)
(CN41)
(CN12)
(CN13)
(di_0-0)
(di_1-0)
(do_0-7)
(do_0-8)
(di_1-1)
(do_0-9)
(do_0-10)
(di_0-5)
(di_0-6)
(di_1-2)
(do_0-11)
(do_0-12)
(di_1-3)
(do_0-13)
(do_0-14)
(di_0-11)
(do_0-15)
(U152)
(U152)
(do_0-10)
エレベータ1(下) インターロック信号
エレベータ2(上) インターロック信号
UPLT OUT R1 RL
I
UPLT OUT R2 RL
I
(di_0-7)
(di_0-8)
LPLT OUT R1 RL
I
LPLT OUT R2 RL
I
(di_0-1)
(di_0-2)
I
LOW CVR RL
(di_0-12)
I
HIGH CVR RL
(di_0-13)
I
MID CVR RL
(di_0-14)
(do_0-11)
(EV2 INTLK)
入力部にノイズキャンセル回路を入れること。
入力遅延時間:300μs~450μs
G5S フルトレイ EL ロジック回路