IPC-SM-782A-表面贴装焊盘图形设计标准.pdf.pdf - 第169页

5.0 LAND PATTERN DIMENSIONS Figure 3 provides the land pattern dimensions for CQFP com- ponents. These numbers represent industry consensus on the best dimensions based on empirical knowledge of fabricated land patterns.…

100%1 / 228
4.0 COMPONENT DIMENSIONS
Figure 2 provides the component dimensions for CQFP components.
Component
Identifier
L (mm) S (mm) W (mm) T (mm) A (mm) B (mm)
H
(mm)
P
(mm)
min max min max min max min max min max min max max basic
CQFP-28 14.40 14.80 11.86 12.39 0.32 0.48 1.02 1.27 9.05 10.05 9.05 10.05 2.30 1.270
CQFP-36 17.15 17.39 14.61 15.04 0.20 0.33 1.02 1.27 11.69 12.70 11.69 12.70 4.92 1.270
CQFP-44 19.69 19.93 17.15 17.58 0.20 0.33 1.02 1.27 14.23 15.24 14.23 15.24 4.92 1.270
CQFP-52 22.23 22.47 19.69 20.12 0.20 0.33 1.02 1.27 16.77 17.78 16.77 17.78 4.92 1.270
CQFP-68 27.31 27.55 24.77 25.20 0.20 0.33 1.02 1.27 21.85 22.86 21.85 22.86 4.92 1.270
CQFP-84 32.39 32.63 29.85 30.28 0.20 0.33 1.02 1.27 26.93 27.94 26.93 27.94 4.92 1.270
CQFP-100 37.47 37.71 34.93 35.36 0.20 0.33 1.02 1.27 32.01 33.02 32.01 33.02 4.92 1.270
CQFP-120 30.95 31.45 28.75 29.50 0.30 0.46 0.70 1.10 26.80 27.30 26.80 27.30 4.06 0.800
CQFP-128 30.95 31.45 28.75 29.50 0.30 0.46 0.70 1.10 26.80 27.30 26.80 27.30 4.06 0.800
CQFP-132 27.28 27.58 25.08 25.72 0.15 0.38 0.70 1.10 23.75 24.38 23.75 24.38 3.55 0.635
CQFP-144 30.95 31.45 28.75 29.50 0.30 0.46 0.70 1.10 26.80 27.30 26.80 27.30 4.06 0.800
CQFP-148 33.50 34.00 30.96 31.57 0.12 0.25 1.02 1.27 28.21 28.71 28.21 28.71 3.10 0.635
CQFP-160 30.95 31.45 28.75 29.50 0.30 0.46 0.70 1.10 26.80 27.30 26.80 27.30 4.06 0.800
CQFP-164 33.50 34.00 30.96 31.57 0.12 0.25 1.02 1.27 28.80 29.30 28.80 29.30 3.35 0.635
CQFP-196 35.75 36.25 33.21 33.82 0.12 0.25 1.02 1.27 33.80 34.30 33.80 34.30 3.45 0.635
Figure 2 CQFP component dimensions
Pin #1
indicator
[1]
E
W
Before trim & form
Pin #1
indicator
A
B
After trim & form
L
ST
H
2.5
MIN
T
0.25
MIN
Lead form detail
The industry standard for the ceramic quad flat pack device family is not well defined.
The above details represent several configurations considered common but other sizes are available
IPC-782-11-4-2
IPC-SM-782
Subject
CQFP
Date
5/96
Section
11.4
Revision
A
Page2of4
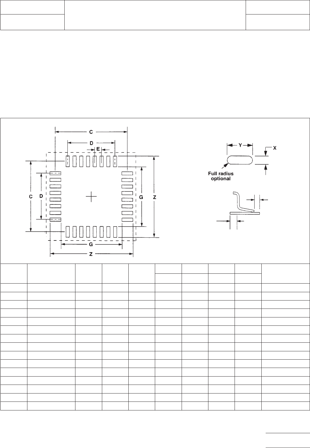
5.0 LAND PATTERN DIMENSIONS
Figure 3 provides the land pattern dimensions for CQFP com-
ponents. These numbers represent industry consensus on the
best dimensions based on empirical knowledge of fabricated
land patterns.
In the table, the dimensions shown are at maximum material
condition (MMC). The least material condition (LMC) should
not exceed the fabrication (F) allowance shown on page 4.
The LMC and the MMC provide the limits for each dimension.
The dotted line in Figure 3 shows the grid placement court-
yard which is the area required to place land patterns and
their respective components in adjacent proximity without
interference or shorting. Numbers in the table represent the
number of grid elements (each element is 0.5 by 0.5 mm) in
accordance with the international grid detailed in IEC publica-
tion 97.
RLP No.
Component
Identifier Z (mm) G (mm) X (mm)
Y (mm) C (mm) D (mm) E (mm)
Placement Grid
(No. of Grid
Elements)ref ref ref ref
750A CQFP-28 15.80 10.60 0.65 2.60 13.20 7.62 1.27 34x34
751A CQFP-36 18.60 13.80 0.65 2.40 16.20 10.16 1.27 40x40
752A CQFP-44 21.00 16.20 0.65 2.40 18.60 12.70 1.27 44x44
753A CQFP-52 23.60 18.80 0.65 2.40 21.20 15.24 1.27 50x50
754A CQFP-68 28.60 23.80 0.65 2.40 26.20 20.32 1.27 62x62
755A CQFP-84 33.80 29.00 0.65 2.40 31.40 25.40 1.27 70x70
756A CQFP-100 38.80 34.00 0.65 2.40 36.40 30.48 1.27 80x80
757A CQFP-120 32.40 28.00 0.50 2.20 30.20 23.20 0.80 68x68
758A CQFP-128 32.40 28.00 0.50 2.20 30.20 24.80 0.80 68x68
759A CQFP-132 28.60 24.20 0.40 2.20 26.40 20.32 0.64 60x60
760A CQFP-144 32.40 28.00 0.50 2.20 30.20 24.80 0.80 68x68
761A CQFP-148 35.20 30.00 0.35 2.60 32.60 22.86 0.64 72x72
762A CQFP-160 32.40 28.00 0.50 2.20 30.20 24.80 0.80 68x68
763A CQFP-164 35.20 30.00 0.35 2.60 32.60 25.40 0.64 72x72
764A CQFP-196 37.20 32.00 0.35 2.60 34.60 30.48 0.64 76x76
Figure 3 CQFP land pattern dimensions
IPC-782-11-4-3
IPC-SM-782
Subject
CQFP
Date
5/96
Section
11.4
Revision
A
Page3of4
6.0 TOLERANCE AND SOLDER JOINT ANALYSIS
Figure 4 provides an analysis of tolerance assumptions and
resultant solder joints based on the land pattern dimensions
shown in Figure 3. Tolerances for the component dimensions,
the land pattern dimensions (fabrication tolerances on the
interconnecting substrate), and the component placement
equipment accuracy are all taken into consideration.
Figure 4 provides the solder joint minimums for toe, heel, and
side fillets, as discussed in Section 3.3. The tolerances are
addressed in a statistical mode, and assume even distribution
of the tolerances for component, fabrication, and placement
accuracy.
Individual tolerances for fabrication (‘‘F’’) and component
placement equipment accuracy (‘‘P’’) are assumed to be as
given in the table. These numbers may be modified based on
user equipment capability or fabrication criteria. Component
tolerance ranges (C
L
,C
S
, and C
W
) are derived by subtracting
minimum from maximum dimensions given in Figure 2. The
user may also modify these numbers, based on experience
with their suppliers. Modification of tolerances may result in
alternate land patterns (patterns with dimensions other than
the IPC registered land pattern dimensions).
The dimensions for minimum solder fillets at the toe, heel, or
side (J
T
,J
H
,J
S
) have been determined based on industry
empirical knowledge and reliability testing. Solder joint
strength is greatly determined by solder volume. An observ-
able solder fillet is necessary for evidence of proper wetting.
Thus, the values in the table usually provide for a positive sol-
der fillet. Nevertheless, the user may increase or decrease the
minimum value based on process capability.
RLP No.
Tolerance
Assumptions (mm)
Solder Joint
Toe (mm) Heel (mm) Side (mm)
FPC
L
J
T
min J
T
max C
S
J
H
min J
H
max C
W
J
S
min J
S
max
750A 0.10 0.10 0.40 0.46 0.70 0.53 0.59 0.90 0.16 0.00 0.17
751A 0.10 0.10 0.24 0.54 0.72 0.43 0.36 0.62 0.13 0.07 0.23
752A 0.10 0.10 0.24 0.47 0.65 0.43 0.43 0.69 0.13 0.07 0.23
753A 0.10 0.10 0.24 0.50 0.68 0.43 0.40 0.66 0.13 0.07 0.23
754A 0.10 0.10 0.24 0.46 0.64 0.43 0.44 0.70 0.13 0.07 0.23
755A 0.10 0.10 0.24 0.52 0.70 0.43 0.38 0.64 0.13 0.07 0.23
756A 0.10 0.10 0.24 0.48 0.66 0.43 0.42 0.68 0.13 0.07 0.23
757A 0.10 0.10 0.50 0.47 0.73 0.76 0.37 0.75 0.16 –0.01 0.10
758A 0.10 0.10 0.50 0.47 0.73 0.76 0.37 0.75 0.16 –0.01 0.10
759A 0.10 0.10 0.30 0.49 0.66 0.64 0.43 0.76 0.23 –0.01 0.13
760A 0.10 0.10 0.50 0.47 0.73 0.76 0.37 0.75 0.16 –0.01 0.10
761A 0.10 0.10 0.50 0.59 0.85 0.61 0.47 0.79 0.13 0.02 0.12
762A 0.10 0.10 0.50 0.47 0.73 0.76 0.37 0.75 0.16 –0.01 0.10
763A 0.10 0.10 0.50 0.59 0.85 0.61 0.47 0.79 0.13 0.02 0.12
764A 0.10 0.10 0.50 0.47 0.73 0.61 0.60 0.91 0.13 0.02 0.12
Figure 4 Tolerance and solder joint analysis
Zmax
Lmin
1
/2 T
T
J
T
min
Smax
J
H
min
1
/2 T
H
Xmax
Toe Fillet
Heel Fillet
Side Fillet
J
T
max
J
H
max
J
S
min
Gmin
1
/2 T
S
J
S
max
Wmin
IPC-782-11-4-4
IPC-SM-782
Subject
CQFP
Date
5/96
Section
11.4
Revision
A
Page4of4