00196614-03_AI_Vakuumpumpe_SXDX12_de_en.pdf - 第128页
Appendix Circuit Diagram for Vacuum Pump Control (Machines Lxxx - Mxxx ( Kxxx)) 128 Vacuum Pump Vakuumpumpe Circuit diagram vacuum pump control (for machines Lxxx - Mx xx ( Kxxx)) 2 SX1/SX2 0915

Appendix
Circuit Diagram for Vacuum Pump Control (Machines Lxxx - Mxxx (Kxxx))
Vacuum Pump Vakuumpumpe 127
Vacuum pump circuit diagram SX1/SX2 0915

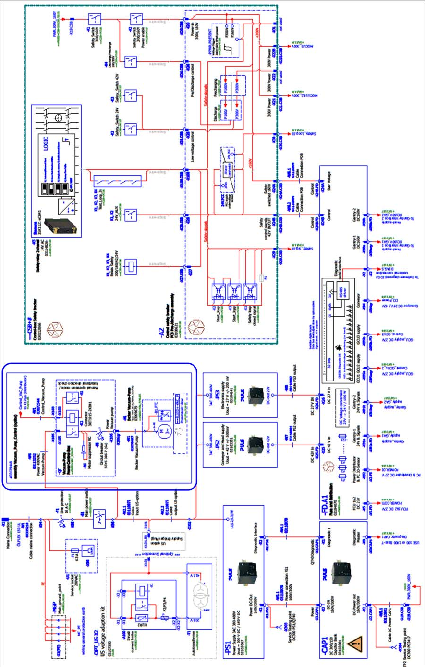
Appendix
Circuit Diagram for Vacuum Pump Control (Machines Lxxx - Mxxx (Kxxx))
128 Vacuum Pump Vakuumpumpe
Circuit diagram vacuum pump control (for machines Lxxx - Mxxx (Kxxx)) 2 SX1/SX2 0915

Appendix
Circuit Diagram with Vacuum Pump (Machines from Nxxx)
Vacuum Pump Vakuumpumpe 129
5.3
5.3 Circuit Diagram with Vacuum Pump (Machines from Nxxx)
Circuit Diagram with Vacuum Pump (Machines from Nxxx)
Circuit diagram for vacuum pump SX1/SX2 (for machines from Nxxx)