00196614-03_AI_Vakuumpumpe_SXDX12_de_en.pdf - 第129页
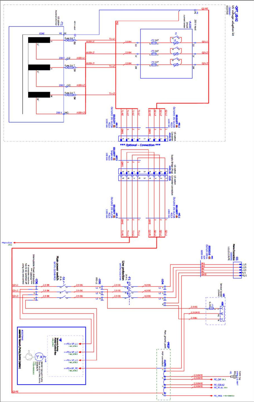
Appendix Circuit Diagram with Vacuum Pump (Machines from Nxxx) Vacuum Pump Vakuumpumpe 129 5.3 5 . 3 C ir c u it D ia g r a m w it h V a c u u m P u m p ( M a c h in e s f r o m N x x x ) Circuit Diagram with Vacuum Pump…

Appendix
Circuit Diagram for Vacuum Pump Control (Machines Lxxx - Mxxx (Kxxx))
128 Vacuum Pump Vakuumpumpe
Circuit diagram vacuum pump control (for machines Lxxx - Mxxx (Kxxx)) 2 SX1/SX2 0915

Appendix
Circuit Diagram with Vacuum Pump (Machines from Nxxx)
Vacuum Pump Vakuumpumpe 129
5.3
5.3 Circuit Diagram with Vacuum Pump (Machines from Nxxx)
Circuit Diagram with Vacuum Pump (Machines from Nxxx)
Circuit diagram for vacuum pump SX1/SX2 (for machines from Nxxx)

Appendix
Circuit Diagram with Vacuum Pump (Machines from Nxxx)
130 Vacuum Pump Vakuumpumpe
Circuit diagram with vacuum pump (for machines from Nxxx)