00196614-03_AI_Vakuumpumpe_SXDX12_de_en.pdf - 第66页
Anhang Stromlaufplan mit Vakuumpumpe (für M aschinen ab Nxxx) 66 Vacuum Pump Vakuumpumpe Stromlaufplan mit Vakuumpumpe (für Maschinen ab Nxxx)

Anhang
Stromlaufplan mit Vakuumpumpe (für Maschinen ab Nxxx)
Vacuum Pump Vakuumpumpe 65
5.3
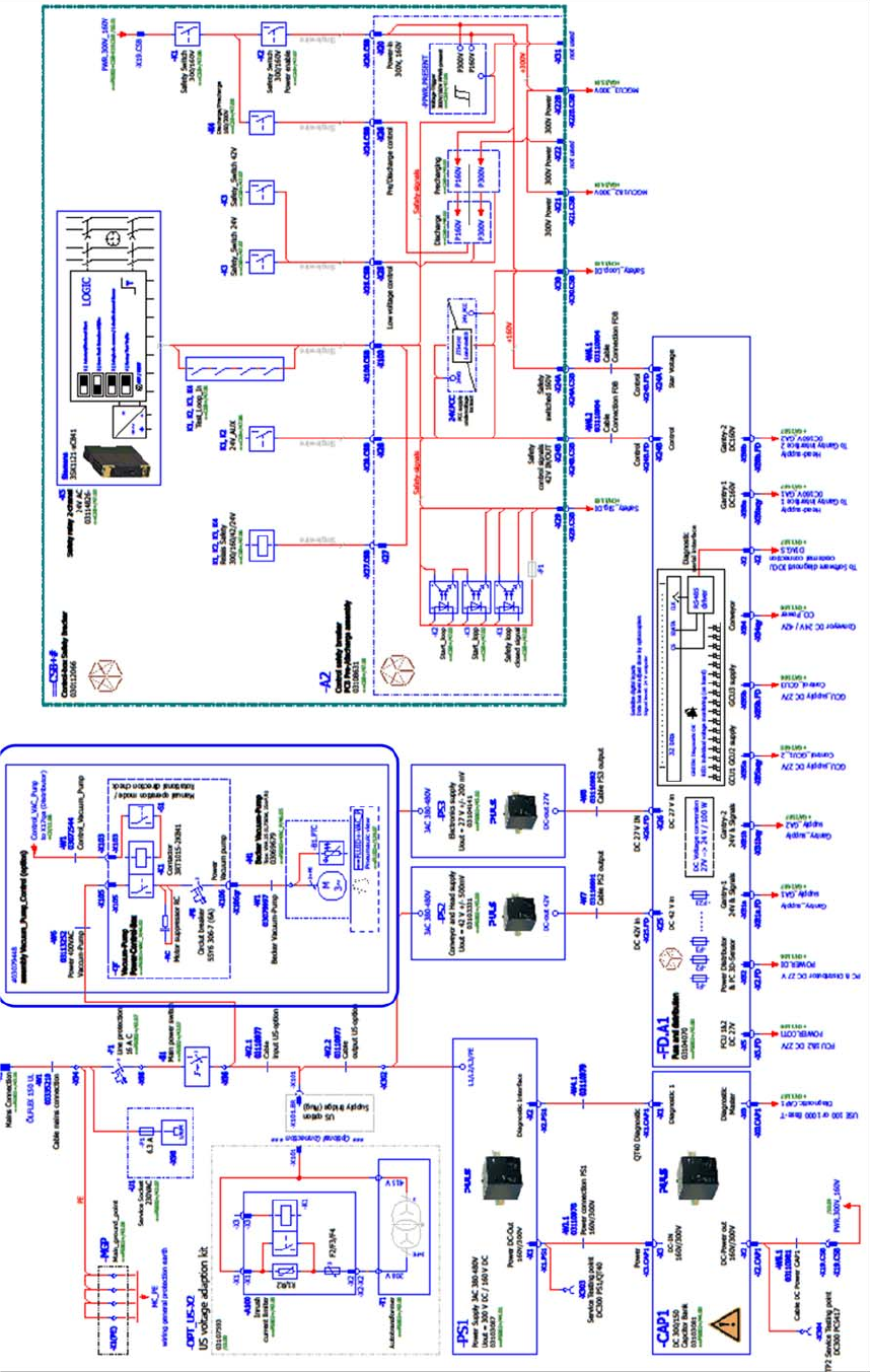
5.3 Stromlaufplan mit Vakuumpumpe (für Maschinen ab Nxxx)
Stromlaufplan mit Vakuumpumpe (für Maschinen ab Nxxx)
Vacuum Pump Stromlaufplan SX1 / SX2 (für Maschinen ab Nxxx)

Anhang
Stromlaufplan mit Vakuumpumpe (für Maschinen ab Nxxx)
66 Vacuum Pump Vakuumpumpe
Stromlaufplan mit Vakuumpumpe (für Maschinen ab Nxxx)

Anhang
Pneumatikplan SX1/SX2 ohne Vakuumpumpe (Maschinen bis Nr. Mxxx)
Vacuum Pump Vakuumpumpe 67
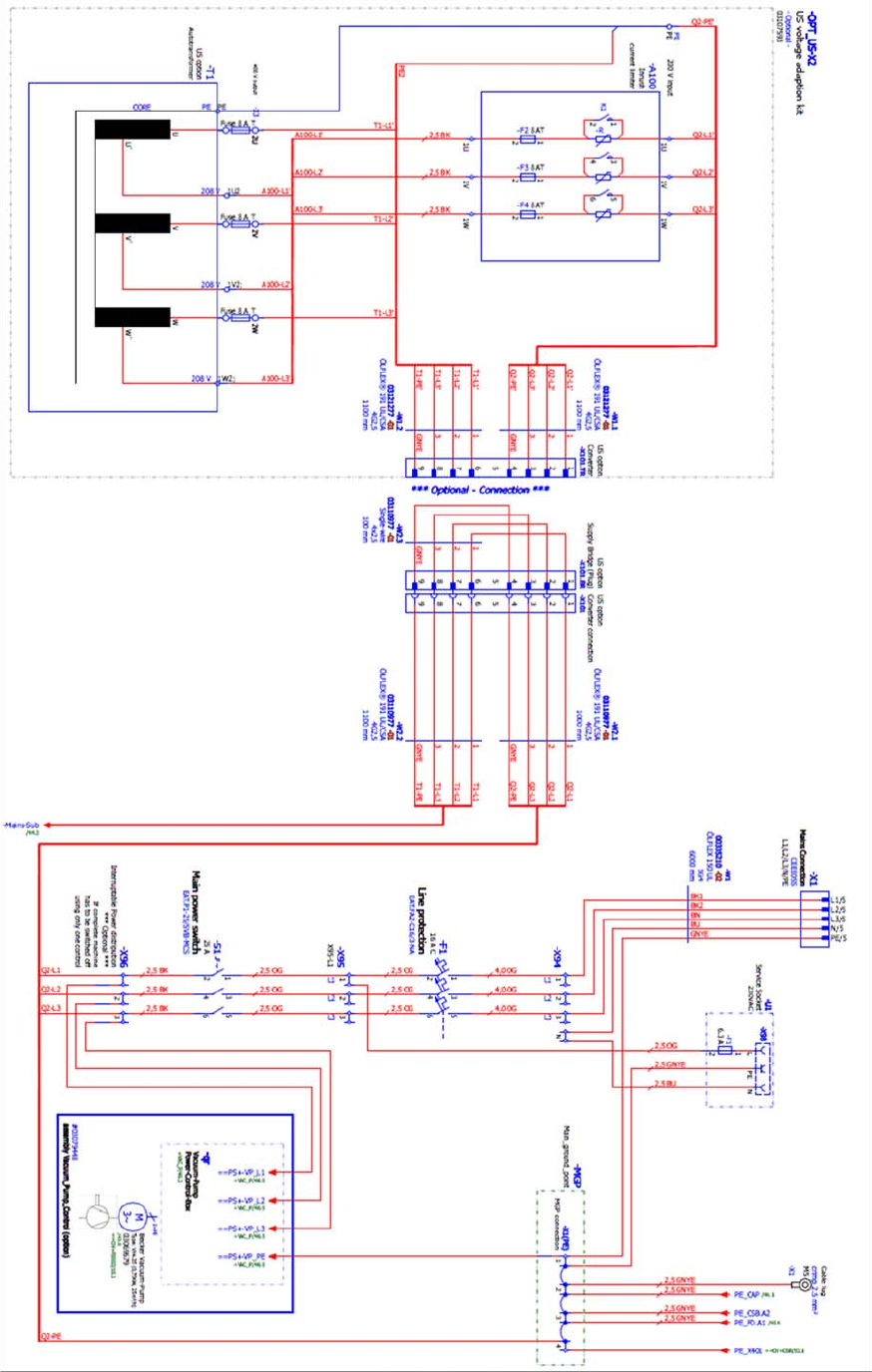
5.4
5.4 Pneumatikplan SX1/SX2 ohne Vakuumpumpe (Maschinen bis Nr. Mxxx)
Pneumatikplan SX1/SX2 ohne Vakuumpumpe (Maschinen bis
Nr. Mxxx)