DFD6361-Maintenance.pdf - 第459页
E-23 1-2-3. Adj usting the ampl ifier of blade breakage detector The cas e wher e this pr ocedure is requi red This adjustment bec ome necessary when the maximum sensitivity does not come between or equal t o 90% and 99%…

E-22
Procedures for cleaning the blade breakage detector sensor (Continued)
Step No. Do This
6
Check whether the maximum sensitivity comes between or equal
to 90% and 99%.
- When it is lower than 90%;
Clean the sapphire glass surface again.
- When it is still lower than 90% after repeating cleaning;
Adjust the amplifier of blade breakage detector.
See the section 1-2-3 of this chapter, [Adjusting the amplifier of
blade breakage detector]
- When it is 100%;
Adjust the amplifier of blade breakage detector.
See the section 1-2-3 of this chapter, [Adjusting the amplifier of
blade breakage detector]
Continued in the next section.

E-23
1-2-3. Adjusting the amplifier of blade breakage detector
The case where this procedure is required
This adjustment become necessary when the maximum sensitivity does not
come between or equal to 90% and 99%, even after cleaning the sensor section
of the blade breakage detector.
Operation flow
The procedure for adjusting the amplifier of blade breakage detector consists
of the following steps.
1-2-3-1 Moving the Y (Y1, Y2)-axis
1-2-3-2 Removing the partition (left)
1-2-3-3. Adjusting the amplifier of blade breakage detector
Before adjustment
Have on hand the following tool to adjust the blade breakage detector
amplifier.
Tool Part No.
Amplifier adjustment driver
AK81526287
-Others;
3mm Allen wrench
Phillips screwdriver

E-24
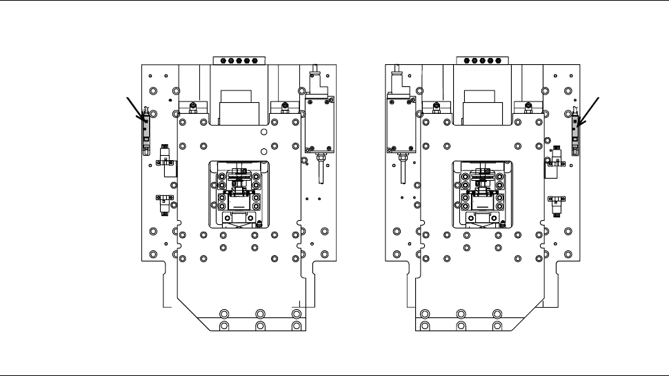
Position of the amplifier of blade breakage detector
The illustration below shows the location of the amplifier of blade breakage
detector.
Z1-axis Z2-axis
Amplifier Amplifier