文档中心
/
NXT 安装手册QD023-07.pdf
NXT 安装手册QD023-07.pdf - 第101页
QD023-07 3. 机器的安装 NXT 安装手册 91
目录
100%
显示:宽度
宽度
1 / 149
回到旧版
旧版
?
3.
机器的安装
QD023-07
90
NXT
安装手册
QD023-07
3.
机器的安装
NXT
安装手册
91
3.
机器的安装
QD023-07
92
NXT
安装手册
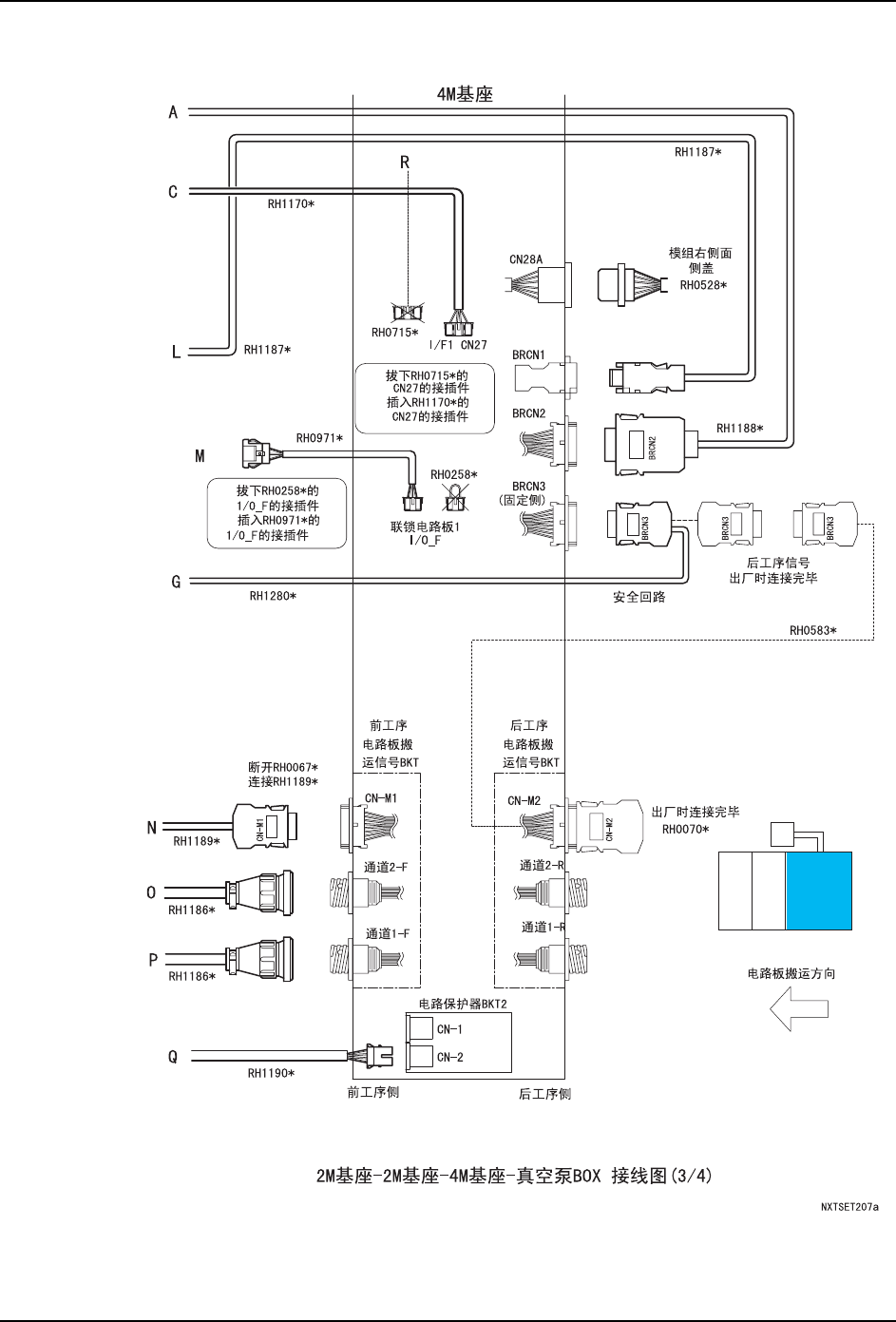
气源配管的连接
<在序列号到
294
为止的自立
4M
基座旁增设时>
该页面需要启用 JavaScript 才能进行交互式预览。