NXT 安装手册QD023-07.pdf - 第83页
QD023-07 3. 机器的安装 NXT 安装手册 73

3. 机器的安装 QD023-07
72 NXT 安装手册
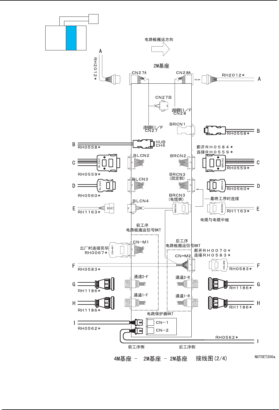
信号电缆接线图 (自立 4M 基座 - 2M 基座 - 2M 基座)
请按照下图,进行信号电缆的连接。
备注 ) 下图中,粗线的电缆表示基座连接导线 (AJ110**)。需要 2 套。

QD023-07 3. 机器的安装
NXT 安装手册 73

3. 机器的安装 QD023-07
74 NXT 安装手册
NXTSET201a