NXT 安装手册QD023-07.pdf - 第58页
3. 机器的安装 QD023-07 48 NXT 安装手册 基座 JP1 SW1 SW2 SW4 SW5 SW6 开路 开路 短路 开路 短路 短路 0 0 㧻㧺 㧝㧞㧟㧠㧡㧢㧣㧤 㧻㧺 㧝㧞㧟㧠㧡㧢㧣㧤 㧻㧺 㧝 0 0 㧻㧺 㧝㧞㧟㧠㧡㧢㧣㧤 㧻㧺 㧝㧞㧟㧠㧡㧢㧣㧤 㧻㧺 㧝

QD023-07 3. 机器的安装
NXT 安装手册 47
3.8.4 对 2M 基座增设 2M 基座 (1)
跨接开关及双列直插开关的设定
请按照以下设定基座内的接口电路板和远程控制 I/O 电路板上的跨接开关及双列直插开关。
各电路板的位置请参照 NXT 机械手册。
注意
在进行操作前,必须切断机器的电源。

3. 机器的安装 QD023-07
48 NXT 安装手册
基座 JP1 SW1 SW2 SW4 SW5 SW6
开路 开路 短路
开路 短路 短路
0 0
㧻㧺
㧝㧞㧟㧠㧡㧢㧣㧤
㧻㧺
㧝㧞㧟㧠㧡㧢㧣㧤
㧻㧺
㧝
0 0
㧻㧺
㧝㧞㧟㧠㧡㧢㧣㧤
㧻㧺
㧝㧞㧟㧠㧡㧢㧣㧤
㧻㧺
㧝

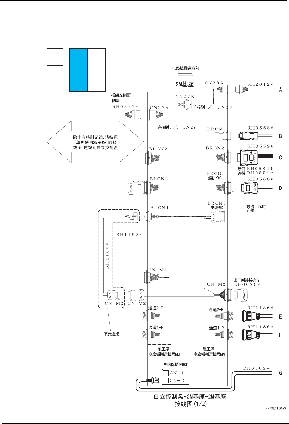
QD023-07 3. 机器的安装
NXT 安装手册 49
信号电缆接线图 (自立控制盘 - 2M 基座 - 2M 基座)
请按照下图,进行各信号电缆的连接。
备注 ) 下图中,粗线的电缆表示基座连接导线 (AJ457**)。