NXT 安装手册QD023-07.pdf - 第91页
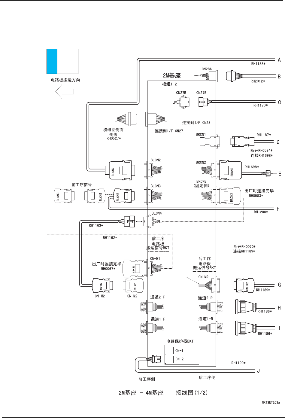
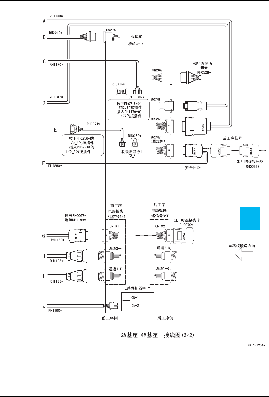
QD023-07 3. 机器的安装 NXT 安装手册 81 信号电缆接线图 (2M 基座 - 自立 4M 基座) 请按照下图,进行各信号电缆的 连接。 备注 ) 下图中,粗线的电缆表示基座连接导线 (AJ517**) 。

3. 机器的安装 QD023-07
80 NXT 安装手册
基座 JP1 SW1 SW2 SW4 SW5 SW6
开路 短路 短路
开路 开路 短路
开路 开路 短路
㧻㧺
㧝㧞㧟㧠㧡㧢㧣㧤
㧻㧺
㧝㧞㧟㧠㧡㧢㧣㧤
㧻㧺
㧝
0
㞾ゟ
0
䆒
㧻㧺
㧝㧞㧟㧠㧡㧢㧣㧤
㧻㧺
㧝㧞㧟㧠㧡㧢㧣㧤
㧻㧺
㧝
0
㞾ゟ
0
䆒
㧻㧺
㧝㧞㧟㧠㧡㧢㧣㧤
㧻㧺
㧝㧞㧟㧠㧡㧢㧣㧤
㧻㧺
㧝

QD023-07 3. 机器的安装
NXT 安装手册 81
信号电缆接线图 (2M 基座 - 自立 4M 基座)
请按照下图,进行各信号电缆的连接。
备注 ) 下图中,粗线的电缆表示基座连接导线 (AJ517**)。

3. 机器的安装 QD023-07
82 NXT 安装手册