NXT 安装手册QD023-07.pdf - 第102页
3. 机器的安装 QD023-07 92 NXT 安装手册 气源配管的连接 <在序列号到 294 为止的自立 4M 基座旁增设时>

QD023-07 3. 机器的安装
NXT 安装手册 91

3. 机器的安装 QD023-07
92 NXT 安装手册
气源配管的连接
<在序列号到 294 为止的自立 4M 基座旁增设时>

QD023-07 3. 机器的安装
NXT 安装手册 93
<在序列号为 295 以后的自立 4M 基座旁增设时>
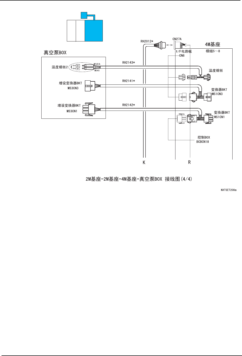
基座的连接
完成信号电缆的连接及气源管的配管后,用专用支架连接相邻基座。请参照 [3.8.13 增设的
固定 ]。