NXT 安装手册QD023-07.pdf - 第114页
3. 机器的安装 QD023-07 104 NXT 安装手册 㧾㧴 㧝㧝㧣 㧜㧖 㧯 㧺㧞㧣 㧭 㧯 㧺㧞㧤 㧭 㧾㧴㧜 㧣㧝㧡 㧖 㧾㧴㧜 㧡㧞㧤 㧖 㧮㧾㧯 㧺㧝 㧾㧴 㧝㧝㧤㧣 㧖 㧮㧾㧯 㧺㧞 㧮㧾㧯 㧺㧞 㧾㧴 㧝㧝㧤㧤 㧖 㧾㧴㧜 㧞㧡㧤 㧖 㧮㧾㧯 㧺㧟 㧮㧾㧯 㧺㧟 㧮㧾㧯 㧺㧟 㧮㧾㧯 㧺㧟 㧾㧴㧜 㧡㧤㧟 㧖 㧾㧴㧜㧥 㧣㧝 㧖 㧾㧴 㧝㧞㧤 㧜㧖 㧯 㧺 㧙㧹 㧝 㧯 㧺 㧙㧹 㧞 㧯 㧺 㧙㧹 㧝 㧯 㧺 㧙㧹 …

QD023-07 3. 机器的安装
NXT 安装手册 103
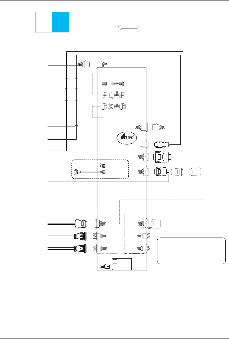
信号电缆的连接 (4M 基座 - 自立 4M 基座)
请按照下图,进行各信号电缆的连接。
真空泵部的导线 (RH2130*、RH2131*、RH2133*)请不要穿入基座内部,在外部进行配线。
备注 ) 下图中,粗线的电缆表示基座连接导线 (AJ456**)。

3. 机器的安装 QD023-07
104 NXT 安装手册
㧾㧴㧝㧝㧣㧜㧖
㧯㧺㧞㧣㧭
㧯㧺㧞㧤㧭
㧾㧴㧜㧣㧝㧡㧖
㧾㧴㧜㧡㧞㧤㧖
㧮㧾㧯㧺㧝
㧾㧴㧝㧝㧤㧣㧖
㧮㧾㧯㧺㧞
㧮㧾㧯㧺㧞
㧾㧴㧝㧝㧤㧤㧖
㧾㧴㧜㧞㧡㧤㧖
㧮㧾㧯㧺㧟
㧮㧾㧯㧺㧟
㧮㧾㧯㧺㧟
㧮㧾㧯㧺㧟
㧾㧴㧜㧡㧤㧟㧖
㧾㧴㧜㧥㧣㧝㧖
㧾㧴㧝㧞㧤㧜㧖
㧯㧺㧙㧹㧝 㧯㧺㧙㧹㧞
㧯㧺㧙㧹㧝
㧯㧺㧙㧹㧞
㧾㧴㧝㧝㧤㧥㧖
㧾㧴㧜㧜㧣㧜㧖
㧾㧴㧝㧝㧤㧢㧖
㧾㧴㧝㧝㧤㧢㧖
㧯㧺㧙㧝
㧯㧺㧙㧞
㧾㧴㧝㧝㧥㧜㧖
㧹㧿㧝㧯㧺㧟
㧹㧿㧝㧯㧺㧝
㧾㧴㧞㧝㧟㧝㧖
㧾㧴㧞㧝㧟㧜㧖
㧾㧴㧞㧝㧟㧟㧖
㧵㧛㧲
⬉䏃ᵓ
㧯㧺㧢
㧮㧯㧮㧯㧺㧝㧤
㧾㧴㧞㧜㧝㧞㧖
1;76(7D6
ᵈ㧞
⬉䏃ᵓᨀ䖤ᮍ
⏽ᑺ❨ϱ
বᤶ఼%.7
বᤶ఼%.7
ࠊ%2;
㒘েջ䴶
ջⲪ
ᅮջ
ৢᎹᑣֵো
ߎॖᯊ䖲ᅠ↩
ᅝܼಲ䏃
㘨䫕⬉䏃ᵓ
ࠡᎹᑣ
⬉䏃ᵓᨀ䖤ֵো%.7
ৢᎹᑣ
⬉䏃ᵓᨀ䖤ֵো%.7
ߎॖᯊ䖲ᅠ↩
䗮䘧)
䗮䘧)
䗮䘧5
䗮䘧5
⬉䏃ֱᡸ఼%.7
ࠡᎹᑣջ
ৢᎹᑣջ
0ᑻ0ᑻ㒓
⊼ᢨϟ5+ⱘ&1ⱘᦦӊ
ᦦܹ5+ⱘ&1ⱘᦦӊ
⊼ᢨϟ5+ⱘB)ⱘᦦӊ
ᦦܹ5+ⱘB)ⱘᦦӊ

QD023-07 3. 机器的安装
NXT 安装手册 105
气源配管的连接
<在序列号到 294 为止的自立 4M 基座旁增设时>
<在序列号为 295 以后的自立 4M 基座旁增设时>
基座的连接
完成信号电缆的连接及气源管的配管后,用专用支架连接相邻基座。请参照 [3.8.13 增设的
固定 ]。