NXT 安装手册QD023-07.pdf - 第97页
QD023-07 3. 机器的安装 NXT 安装手册 87 基座 JP1 SW1 SW2 SW4 SW5 SW6 开路 开路 短路 开路 开路 短路 开路 开路 短路 开路 短路 短路 0 㞾 ゟ 0 䆒 0 䆒 㧻㧺 㧝㧞㧟㧠㧡㧢㧣㧤 㧻㧺 㧝㧞㧟㧠㧡㧢㧣㧤 㧻㧺 㧝 0 㞾 ゟ 0 䆒 0 䆒 㧻㧺 㧝㧞㧟㧠㧡㧢㧣㧤 㧻㧺 㧝㧞㧟㧠㧡㧢㧣㧤 㧻㧺 㧝 0 㞾 ゟ 0 䆒 …

3. 机器的安装 QD023-07
86 NXT 安装手册

QD023-07 3. 机器的安装
NXT 安装手册 87
基座 JP1 SW1 SW2 SW4 SW5 SW6
开路 开路 短路
开路 开路 短路
开路 开路 短路
开路 短路 短路
0
㞾ゟ
0
䆒
0
䆒
㧻㧺
㧝㧞㧟㧠㧡㧢㧣㧤
㧻㧺
㧝㧞㧟㧠㧡㧢㧣㧤
㧻㧺
㧝
0
㞾ゟ
0
䆒
0
䆒
㧻㧺
㧝㧞㧟㧠㧡㧢㧣㧤
㧻㧺
㧝㧞㧟㧠㧡㧢㧣㧤
㧻㧺
㧝
0
㞾ゟ
0
䆒
0
䆒
㧻㧺
㧝㧞㧟㧠㧡㧢㧣㧤
㧻㧺
㧝㧞㧟㧠㧡㧢㧣㧤
㧻㧺
㧝
0
㞾ゟ
0
䆒
0
䆒
㧻㧺
㧝㧞㧟㧠㧡㧢㧣㧤
㧻㧺
㧝㧞㧟㧠㧡㧢㧣㧤
㧻㧺
㧝

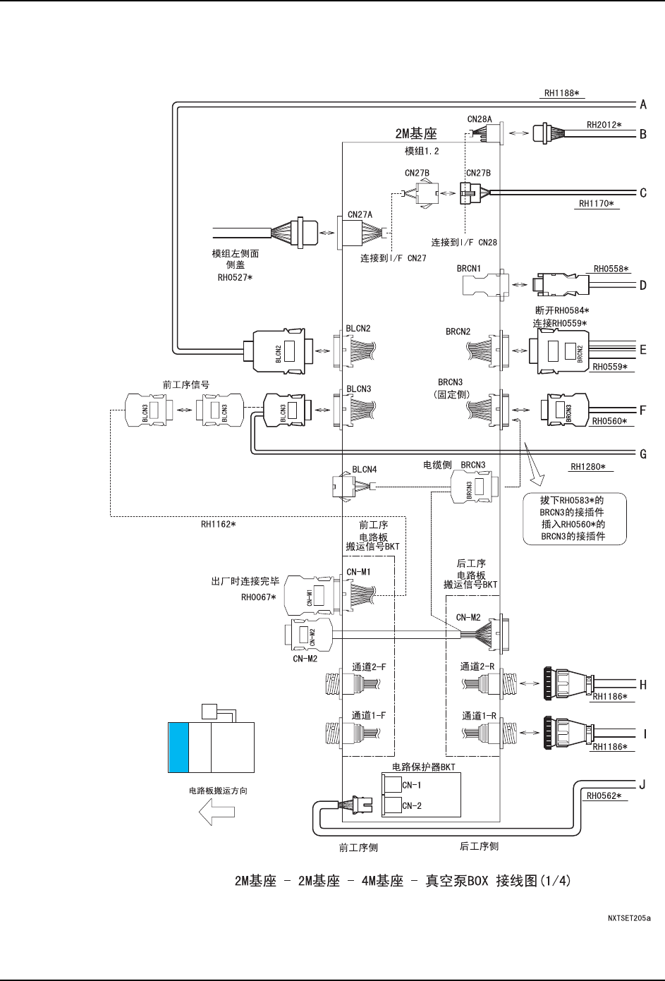
3. 机器的安装 QD023-07
88 NXT 安装手册
信号电缆接线图 (2M 基座 - 2M 基座 - 自立 4M 基座)
2M-2M 基座间的连接请使用基座连接导线 AJ457**,4M-2M 基座间的连接请使用 AJ517**。