NXT 安装手册QD023-07.pdf - 第61页
QD023-07 3. 机器的安装 NXT 安装手册 51 气源配管的连接 基座的连接 完成信号电缆的连接及气源管的 配管后, 用专用支架连接相邻基座。 请参照 [3.8.13 增设的 固定 ]。

3. 机器的安装 QD023-07
50 NXT 安装手册

QD023-07 3. 机器的安装
NXT 安装手册 51
气源配管的连接
基座的连接
完成信号电缆的连接及气源管的配管后,用专用支架连接相邻基座。请参照 [3.8.13 增设的
固定 ]。

3. 机器的安装 QD023-07
52 NXT 安装手册
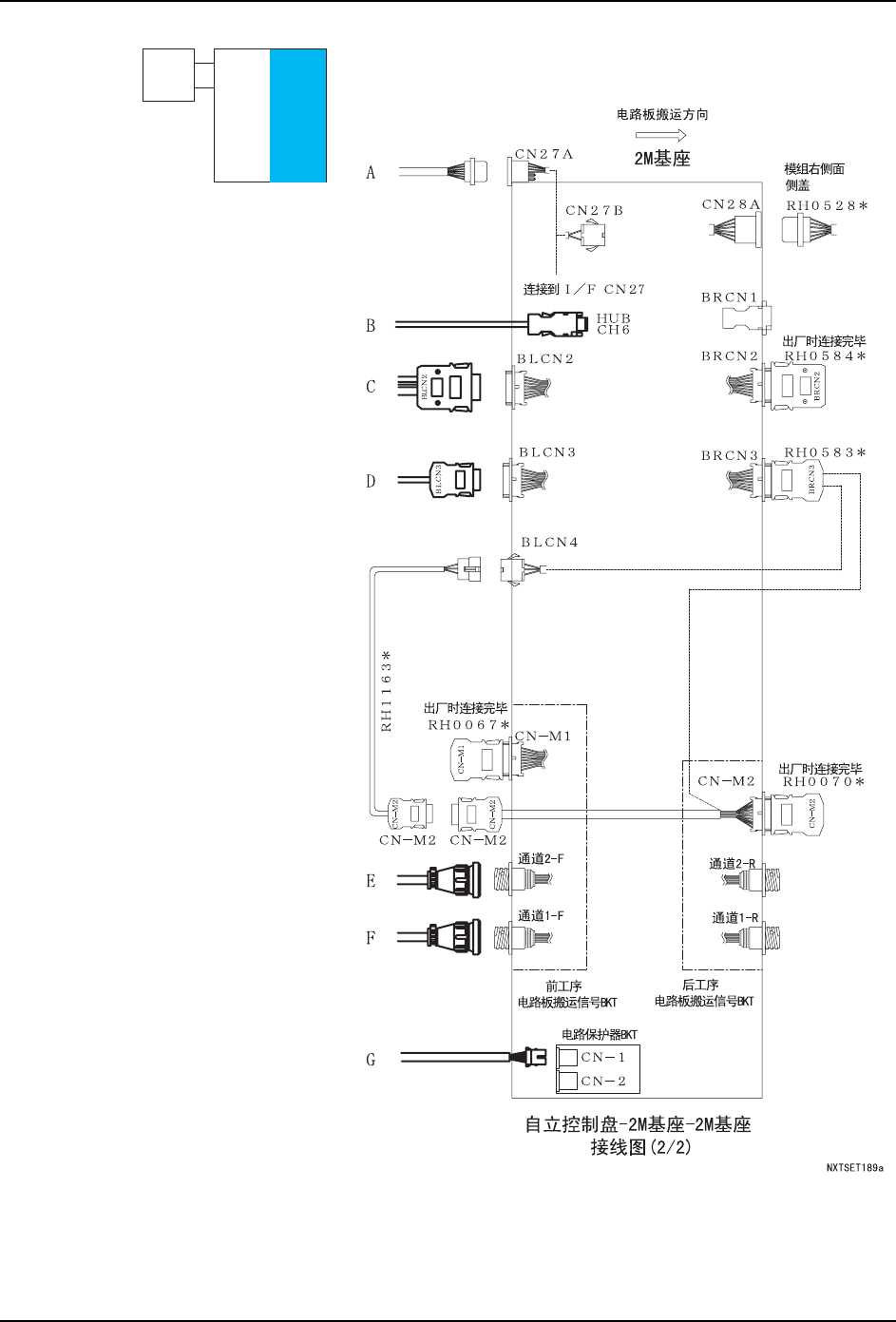
3.8.5 对 2M 基座增设 2M 基座 (2)
跨接开关及双列直插开关的设定
请按照以下设定基座内的接口电路板和远程控制 I/O 电路板上的跨接开关及双列直插开关。
各电路板的位置请参照 NXT 机械手册。
注意
在进行操作前,必须切断机器的电源。