NM-8224A,B,C PARTS LIST(EC TYPE)_.pdf - 第105页
揷入于 ” 夕部 TFI INSERTION CHUCK SECTION 1 m 考 部 個 数 備 名 番 品 品 No . Q ' TY REMARKS REF PART No . PART NAME No M 5 XT 0 WT 六 角 : h 卜 HEXAGON NUT XNG 3 AFP 1 MIF V 511 XVE 5 B 10 FP HEXAGON SOCKET HEAD SCREW PX 00 K 04 - …

揷入子
”
夕部
Tol
INSERTION
CHUCK
SECTION
0
PX
00
K
04
-
V
500
-
A

揷入于
”
夕部
TFI
INSERTION
CHUCK
SECTION
1
m
考
部
個数
備
名
番
品
品
No
.
Q
'
TY
REMARKS
REF
PART
No
.
PART
NAME
No
M
5
XT
0
WT
六角
:
h
卜
HEXAGON
NUT
XNG
3
AFP
1
MIF
V
511
XVE
5
B
10
FP
HEXAGON
SOCKET
HEAD
SCREW
PX
00
K
04
-
V
500
-
A
M
90

PX
00
K
04
-
600
-
E
_
A
M
91
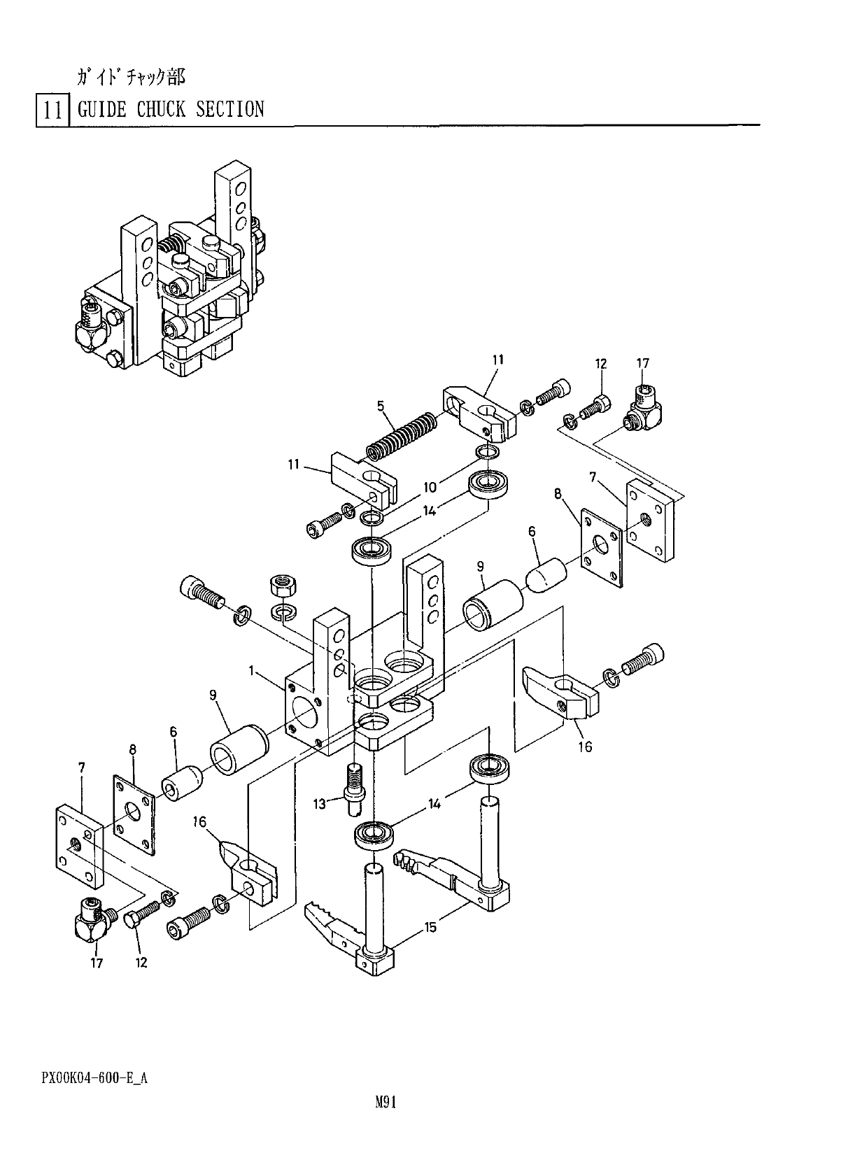
力仆于
”
夕部
TTI
GUIDE
CHUCK
SECTION
(
9
c
>
(
:
1014
o
Lol
<
>