NM-8224A,B,C PARTS LIST(EC TYPE)_.pdf - 第123页
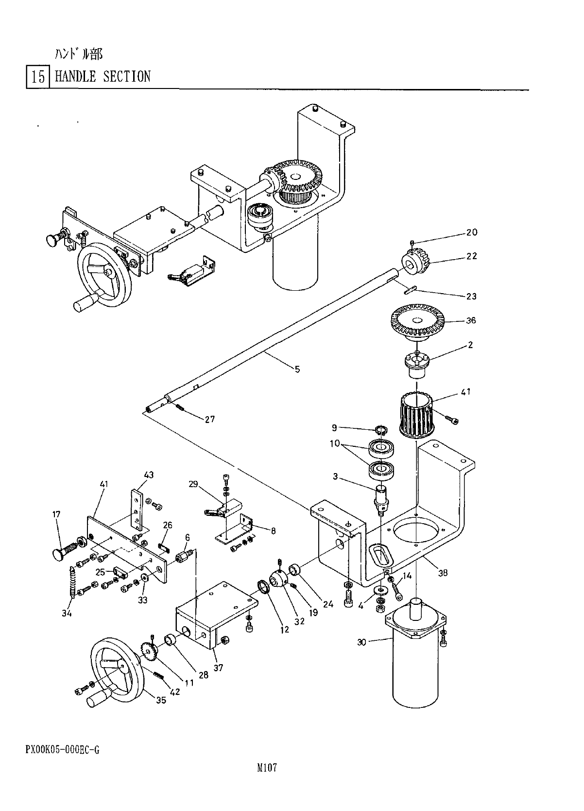
/ 、 > K 几部 ill HANDLE SECTION 個 数 考 部 備 番 品 名 品 No . PART NAME Q ' TY REMARKS REF PART No . No . W ETP 7 ' m ETP - A - 24 2 N 645 ETPA 24 ETP BUSHING F 7 PIN 3 X 00 K 05007 COLLAR 4 X 00 K 05008 MFT 5 X 00 K…

/
、
>
卜
、
、
几部
Isl
HANDLE
SECTION
20
22
23
36
43
30
37
PX
00
K
05
-
000
EC
-
G
M
107

/
、
>
K
几部
ill
HANDLE
SECTION
個数
考
部
備
番
品
名
品
No
.
PART
NAME
Q
'
TY
REMARKS
REF
PART
No
.
No
.
W
ETP
7
'
m
ETP
-
A
-
24
2
N
645
ETPA
24
ETP
BUSHING
F
7
PIN
3
X
00
K
05007
COLLAR
4
X
00
K
05008
MFT
5
X
00
K
05009
卜
F
7
6
X
00
K
05011
PIN
Ql
>
T
7
'
竹
.
y
卜
8
XOOKO
8509
A
BRACKET
軸用
C
形止
)
SNAP
RING
(
0
I
XUB
20
FP
v
m
夕
'
I
6304
ZZ
TO
XLC
6304
ZZ
BEARING
平歯車
SPUR
GEAR
11
X
00
B
92166
COLLAR
T
2
X
00
K
05026
力卜
W
13
VW
-
/
,
M
6
X
80
六角穴付本
’
几
h
XVEN
6
B
80
FPZ
HEXAGON
SOCKET
HEAD
SCREW
14
W
15
W
16
iW
7
'
V
-
INDEX
PLUNGER
PXZ
-
6
AK
17
N
986
PXZ
6
AK
<
41
>
18
六角穴付止
/
本
'
>
’
2
M
5
X
8
,
tm
19
XXE
5
C
8
FP
SET
SCREW
六角穴付止
;
i
衫
’
M
6
X
10
,
丽
20
XXE
6
C
10
FP
SET
SCREW
2
<
m
'
3
><
DELETE
>
21
M
歯車
22
X
00
H
05231
BEVEL
GEAR
平行
4
-
PARALLEL
KEY
'
JH
^
JK
6
X
6
X
30
23
XPA
6
L
6
F
30
D
U
.
24
N
520
MB
2012
DU
DU
BUSHING
MB
2012
DU
25
X
00
B
92167
77
?
REK
SR
卜
300
26
X
00
B
921
T
9
于
7
卜
m
NUT
PLATE
Ifl
>
TTT
Mxl
6
27
XPL
5
A
16
WFW
SPRING
PIN
Dm
28
N
520
MB
2015
DU
D
U
BUSHING
MB
2015
DU
29
N
300
AT
01
-
017
LIMIT
SWITCH
AT
0
-
11
-
1
-
I
/
WR
AC
廿
—
击
‘
i
-
9
s
30
N
606
SGMS
-
094
AC
SERVO
MOTOR
SGMS
-
20
A
6
A
31
32
X
005
-
114
MS
DfF
MS
RETAINER
33
X
005
-
130
IF
COLLAR
X
005
-
135
引張
/
V
本
SPRING
WI
35
X
005
-
316
HANDLE
M
歯車
36
XOOKO
5038
BEVEL
GEAR
37
X
00
K
05039
TWi
\
BRACKET
fvM
t
-
H
38
BRACKET
(
MAIN
MOTOR
)
X
00
K
05043
39
X
00
K
05041
A
IEVER
40
w
夕
O
夕
’
7
、
1
卜
41
X
00
K
05037
TIMING
PULLEY
7
.
TW
42
XPL
5
A
20
WFW
SPRING
PIN
"
050
43
X
00
K
05044
nWTTT
LOCK
PLATE
PXOOK
05
-
OOOEC
-
G
M
108

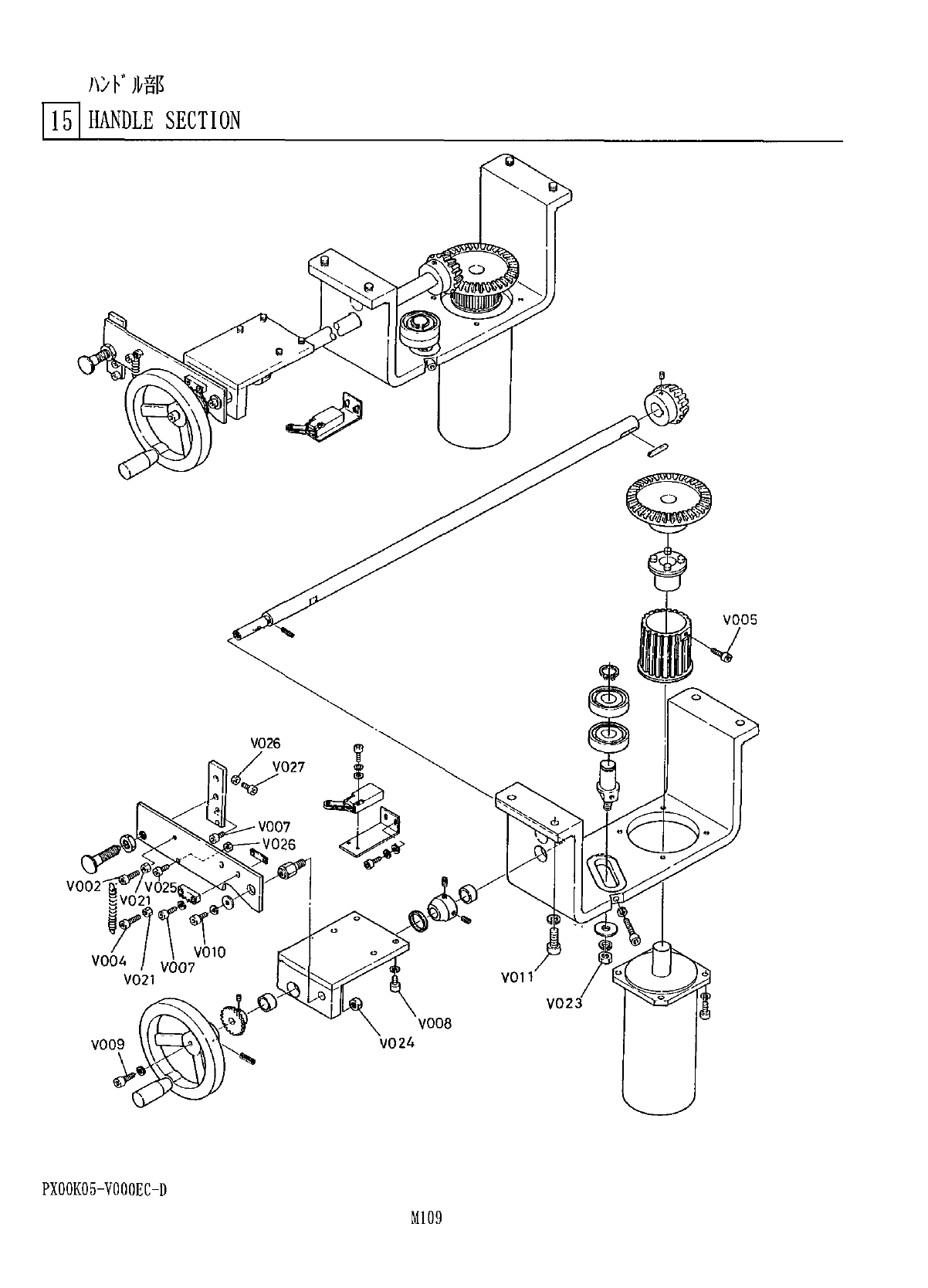
,
、
>
K
几部
15
l
HANDLE
SECTION
V
005
V
002
V
004
V
007
V
021
V
009
PX
00
K
05
-
V
000
EC
-
D
M
109