NM-8224A,B,C PARTS LIST(EC TYPE)_.pdf - 第146页
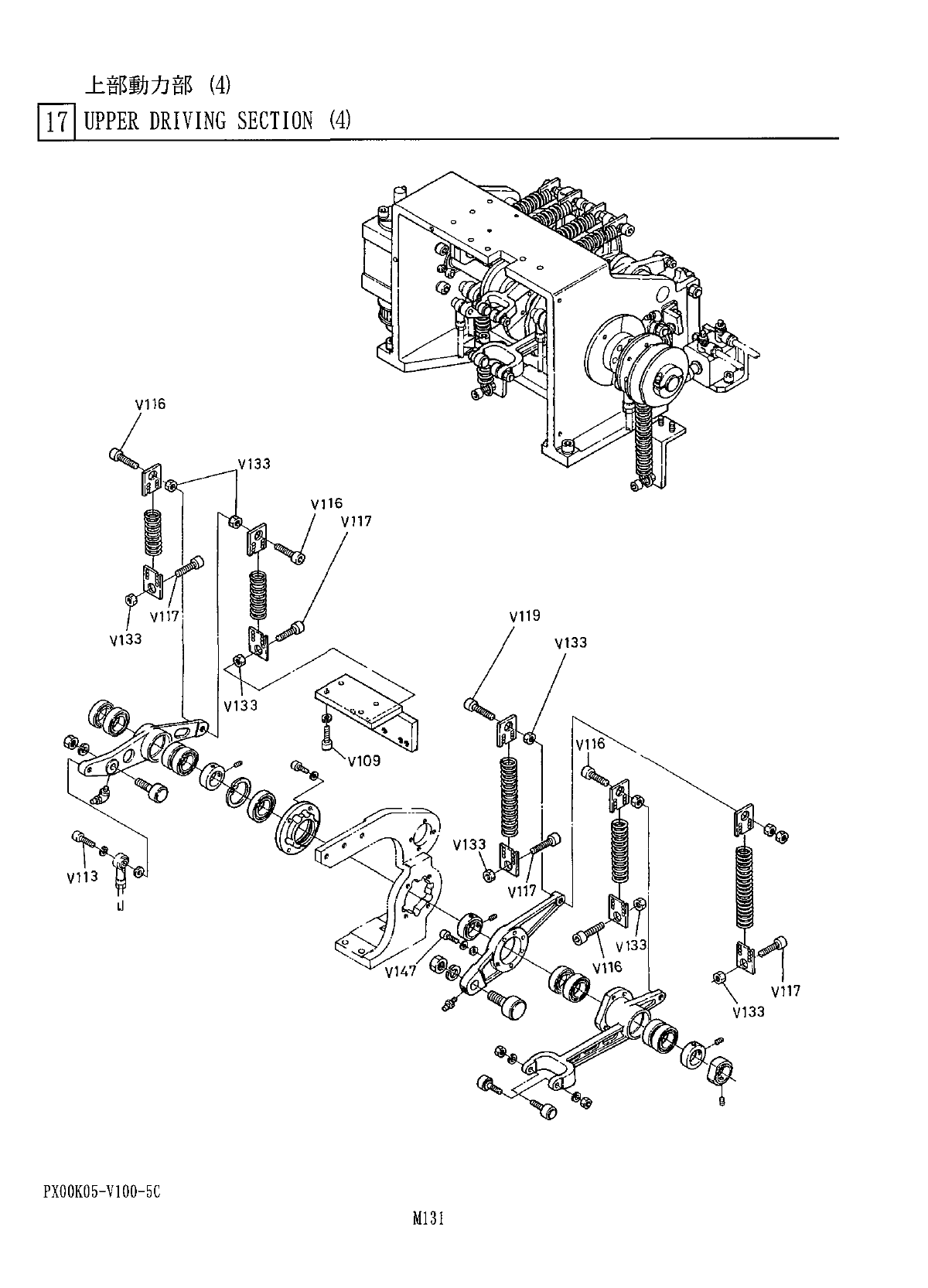
上 部 動 力 部 ( 4 ) 171 UPPER DRIVING SECTION ⑷ V 116 V 117 V 133 % PX 00 K 05 - V 1 OO - 5 C

上 部 動 力 部
⑷
171
UPPER
DRIVING
SECTION
(
4
)
部
考
個数
備
番
品
名
品
No
.
PART
NAME
Q
'
TY
REMARKS
REF
PART
No
.
No
.
CFN
12
R
-
A
N
531
CFN
12
RA
.
力
r
7
才
07
CAM
FOLLOWER
CAM
FOLLOWER
2
N
531
CFN
1
-
042
U
7
才口
7
CFN
18
R
-
A
5
T
?
(
揷入丽上下用
)
SPRING
(
INSERTION
CHUCK
)
X
00
K
05152
3
八
本
(
揷入丽上下用
)
SPRING
(
INSERTION
CHUCK
)
2
4
X
00
K
05153
A
.
本
(
移潜工子
”
夕用
)
SPRING
(
SHIFT
CHUCK
)
5
X
00
KO
5154
2
KlW
XLC
6006
ZZ
BEARING
M
6
ZZ
XUA
55
FP
SNAP
RING
7
r
\
糖
7
*
yM
X
0
OKO
5168
SPRING
HOOK
BRACKET
TO
8
挿 入 上 下
W
、
-
(
A
)
INSERTION
CHUCK
LEVER
(
A
)
9
X
00
K
05175
挿 入
ft
-
?
?
上 下
W
、
’
-
(
B
)
INSERTION
CHUCK
LEVER
(
B
)
10
XOOK
05176
移
-
>
替工
f
-
rv
!
)
WV
-
XOOK
05177
SHIFT
CHUCK
LEVER
11
12
XO
0
KO
5181
FLANGE
A
'
丰
#
Hr
7
’
X
00
KO
5182
SPRING
HOOK
BRACKET
13
IF
14
X
00
KO
5183
COLLAR
3
15
X
00
KO
5184
COLLAR
6
六角穴付止
;
i
W
T
6
XXE
6
C
8
FP
SET
SCREW
8
MBX
8
,
丽
六角穴付水
’
朴
TT
XVE
6
B
15
FP
HEXAGON
SOCKET
HEAD
SCREW
4
M
6
X
15
六角于外
T
8
XNG
10
FFP
HEXAGON
NUT
2
M
10
,
3
-
19
N
531
CFN
8
RA
力
A
7
才
Q
7
CAM
FOLLOWER
2
CFN
8
R
-
A
W
20
FH
5
*
171
IT
N
560
A
6
MT
1
BN
GREASE
NIPPLE
A
-
MT
6
X
1
*
'
9
YU
二
d
22
N
560
B
6
MT
1
BN
GREASE
NIPPLE
B
-
MT
6
X
1
力
.
夕
23
N
560
SSWA
-
028
W
7
COLLAR
SSWA
15
-
2
.
0
v
fW
24
XLC
6906
Z
BEARING
I
M
6
Z
il
7
-
COLLAR
25
X
00
K
05424
座金
SPRING
WASHER
丽
26
XWD
18
BFP
PXOOKO
5
-
1
O
0
-
5
C
M
130

上部動力部
(
4
)
171
UPPER
DRIVING
SECTION
⑷
V
116
V
117
V
133
%
PX
00
K
05
-
V
1
OO
-
5
C

上 部 動 力 部
⑷
71
UPPER
DRIVING
SECTION
(
4
)
考
個数
備
部
名
番
品
No
.
ca
Q
,
TY
REMARKS
PART
NAME
PART
No
.
REF
No
.
16
XM
六角穴付本
'
奸
HEXAGON
SOCKET
HEAD
SCREW
4
XVE
6
B
20
FP
V
109
HEXAGON
SOCKET
HEAD
SCREW
M
10
X
30
六 角 穴 付 於
4
XVE
10
B
30
FP
VI
16
MI
0
X
35
六角穴付
HEXAGON
SOCKET
HEAD
SCREW
4
XVE
10
B
35
FP
VI
17
M
10
X
60
六角穴付扩朴
HEXAGON
SOCKET
HEAD
SCREW
XVE
10
B
60
FP
VI
19
六角
t
分
HEXAGON
NUT
8
MiO
.
lia
XNH
10
DFP
V
133
六角穴付矿朴
HEXAGON
SOCKET
HEAD
SCREW
6
M
6
X
30
V
147
XVE
6
B
30
FP
PX
00
K
05
-
V
100
-
5
C
M
132