NM-8224A,B,C PARTS LIST(EC TYPE)_.pdf - 第129页
上下連結部 l 6 l UPPER & UNDER JOINT SECTION 考 部 個 数 備 番 品 名 品 No . PART NAME Q ' TY REMARKS REF PART No . No . 六角穴付 S ’ 於 HEXAGON SOCKET HEAD SCREW M 4 X 5 V 05 T XVE 4 B 5 FP IT 六角穴付 C M V 052 XVE 6 B 15 FP HEXAGON…

上下連結部
III
UPPER
&
UNDER
JOINT
SECTION
V
053
V
053
miiiiiftMiiiiioii
V
051
PX
00
K
05
-
VO
5
O
-
B
M
113

上下連結部
l
6
l
UPPER
&
UNDER
JOINT
SECTION
考
部
個数
備
番
品
名
品
No
.
PART
NAME
Q
'
TY
REMARKS
REF
PART
No
.
No
.
六角穴付
S
’
於
HEXAGON
SOCKET
HEAD
SCREW
M
4
X
5
V
05
T
XVE
4
B
5
FP
IT
六角穴付
C M
V
052
XVE
6
B
15
FP
HEXAGON
SOCKET
HEAD
SCREW
M
6
X
15
六角穴付东
’
瓜卜
M
6
X
30
HEXAGON
SOCKET
HEAD
SCREW
V
053
XVE
6
B
30
FP
7
六角穴付
^
V
054
XVE
8
B
20
FP
HEXAGON
SOCKET
HEAD
SCREW
2
M
8
X
20
PX
00
K
05
-
V
050
-
B
M
114

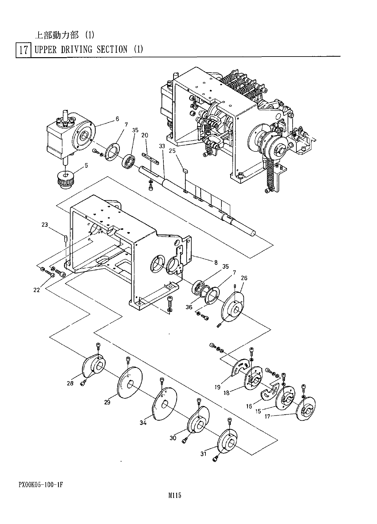
上 部 動 力 部
⑴
171
UPPER
DRIVING
SECTION
⑴
PX
00
K
05
-
100
-
1
F
M
115