NM-8224A,B,C PARTS LIST(EC TYPE)_.pdf - 第71页
A ° - 7 力七外 J ] COMPONENT FEEDER UNIT { C - 21 B TYPE ) 考 部 個 数 備 番 名 品 品 No . Q ’ TY REMARKS PART No . PART NAME REF No . 卜 二 外 COMPONENT FEEDER UNIT X 00 K 03540 MW FEED BODY X 00 K 03541 A F 7 2 X 00 K 03542 PIN mV YW…

)
\
°
-
7
力切卜
H
COMPONENT
FEEDER
UNIT
(
C
-
21
B
TYPE
)
PX
00
K
03
-
540
-
C

A
°
-
7
力七外
J
]
COMPONENT
FEEDER
UNIT
{
C
-
21
B
TYPE
)
考
部
個数
備
番
名
品
品
No
.
Q
’
TY
REMARKS
PART
No
.
PART
NAME
REF
No
.
卜 二 外
COMPONENT
FEEDER
UNIT
X
00
K
03540
MW
FEED
BODY
X
00
K
03541
A
F
7
2
X
00
K
03542
PIN
mV
YW
X
00
K
03503
SLIDE
BLOCK
3
F
7
F
7
FF
GUIDE
PLATE
4
X
00
K
03504
COVER
5
X
00
K
03505
Wm
6
X
00
K
03506
RETAINER
PLATE
支 点
O
7
X
0
OKO
3507
FULCRUM
PIN
2
支 点
py
I
X
0
OKO
35
O
8
FULCRUM
PIN
2
rf
7
P
>
粘 着
F
7
9
N
986
N
90
-
738
TAPE
NO
.
903
UL
送
1
J
爪
㈧
FEED
PAWL
(
A
)
TO
X
00
K
03510
送
1
J
爪
⑻
FEED
PAWL
(
B
)
11
X
00
K
03511
送
y
爪
(
C
)
FEED
PAffL
(
C
)
X
00
K
03512
2
12
十字穴付皿小衫
'
U
XSS
26
+
5
FY
SCREW
M
2.6
X
5
L
4
十 字 穴 付 小 衫
’
XSN
3
+
5
FY
SCREff
2
M
3
X
5
L
14
FTTH
X
003
-
073
GUIDE
SHAFT
15
YW
<
1
W
16
N
540
MB
0712
DU
BEARING
2
MB
0712
DU
圧 縮 本
X
003
-
075
SPRING
17
圧縮乃
.
本
18
X
003
-
083
-
1
SPRING
圧縮
;
V
本
SPRING
19
X
003
-
083
-
2
圧縮
;
、
.
木
X
003
-
084
SPRING
20
圧縮
A
’
不
21
X
003
-
085
SPRING
六 角 于 外
22
XNG
4
FFP
HEXAGON
NUT
M
4
,
3
-
>
i
23
八
’
本 受
!
r
24
X
00
K
03515
CAP
又
h
'
yA
■
-
25
X
00
K
03517
A
STOPPER
26
XWA
4
BFY
SPRING
WASHER
14
1
PX
00
K
03
-
540
-
C
M
56

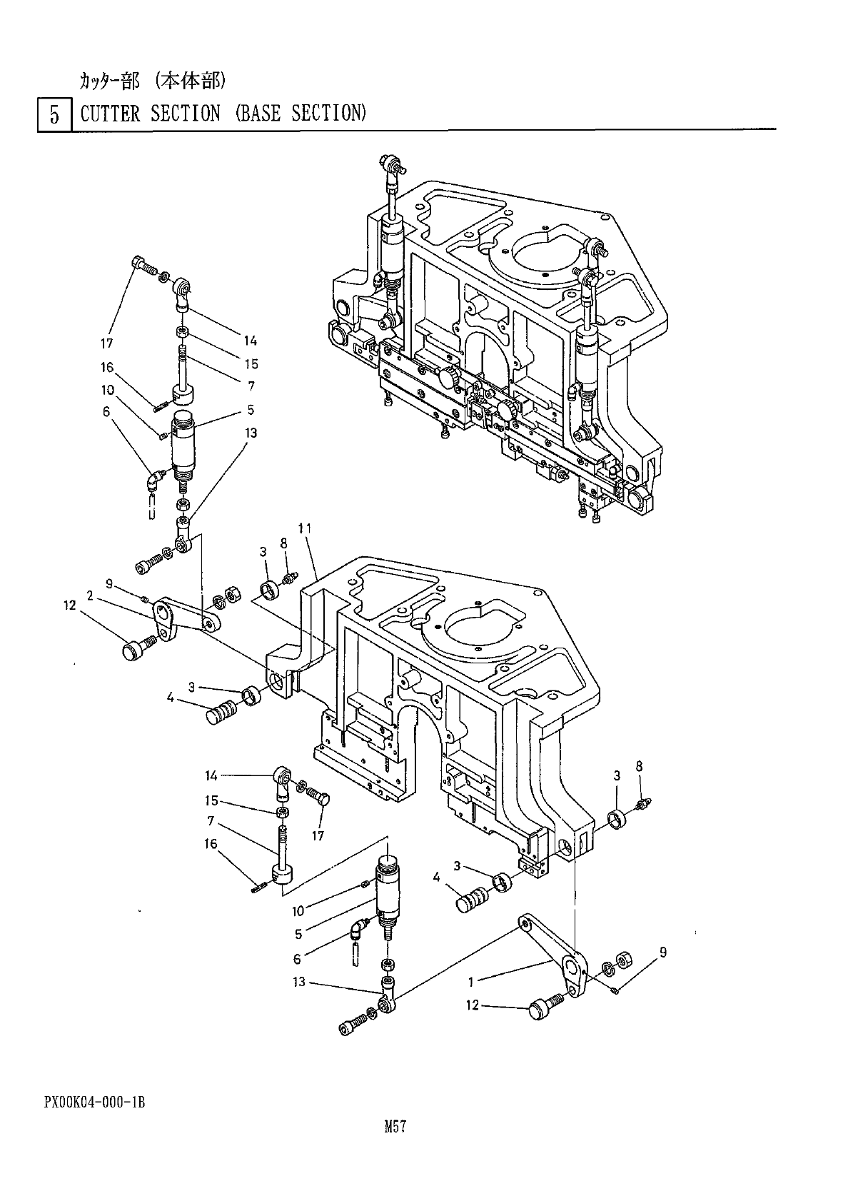
力士部
(
本体部
)
5
~
|
CUTTER
SECTION
(
BASE
SECTION
)
PX
00
K
04
-
000
-
1
B