NM-8224A,B,C PARTS LIST(EC TYPE)_.pdf - 第118页
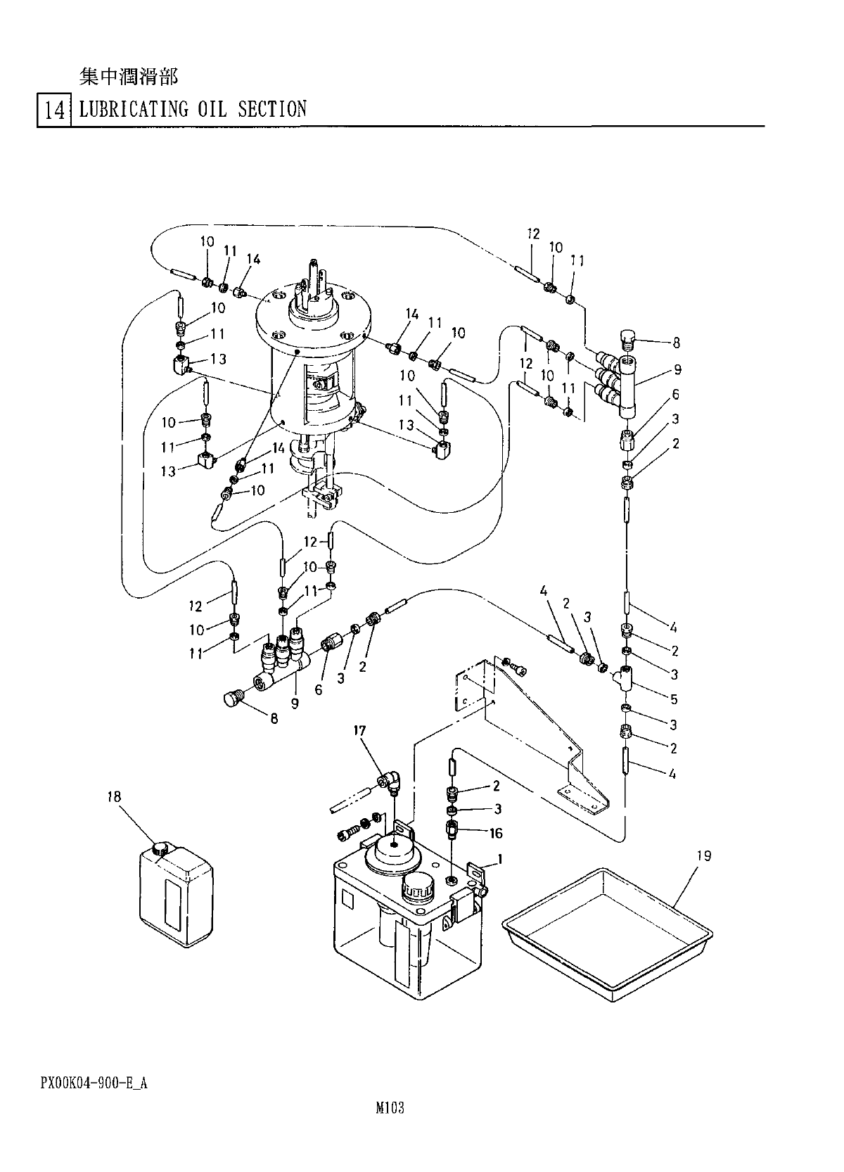
集中潤滑部 Til LUBRICATING OIL SECTION PX 00 K 04 - 900 - E _ A M 103

終端検出部
13
]
PARTS
DETECT
SECTION
個数
考
備
部
番
品
名
品
No
.
PART
NAME
Q
’
TY
REMASKS
REF
PART
No
.
No
.
六角穴付
iHH
7
I
M
5
M
im
XVE
5
B
16
FP
HEXAGON
SOCKET
HEAD
SCREW
六角穴付扩針
14
X
8
"
V
802
XVE
4
B
8
FP
HEXAGON
SOCKET
HEAD
SCREW
4
PX
00
K
04
-
V
800
-
B
M
102

集中潤滑部
Til
LUBRICATING
OIL
SECTION
PX
00
K
04
-
900
-
E
_
A
M
103

集中潤滑部
u
\
LUBRICATING
OIL
SECTION
倒
考
部
個数
備
番
名
品 品
No
.
Q
'
TY
REMARKS
REF
PART
No
.
PART
NAME
No
.
•
外对伤
,
NO
.
2
,
1
5
IJ
分
ft
MW
N
990
YYYY
-
016
LUBRICATING
OIL
N
452
HP
8
W
-
119
工
7
-
>
7
。
AIR
PUMP
HP
8
W
180101
2
MWTW
6
丽
N
433
PA
6
PLUG
vFr
3
N
431
PB
6
SLEEVE
6
PB
6
4
N
434
YYYY
-
039
求一又
HOSE
5
m
D
6
5
N
431
PK
6
T
-
JOINT
PK
6
亍尸
I
主管
ivT
)
\
NIPPLE
2
PD
6
I
2
N
431
PD
612
<
9
>
7
TTTW
PG
12
8
N
433
PG
12
SEAL
PLUG
2
r
19
-
7
°
7
>
y
F
DPB
23
-
0
.
1
-
0
.
1
-
0
.
1
9
N
415
DPB
2
-
194
PLUNGER
2
締付
TW
10
N
433
PA
4
PLUG
12
PA
4
vFf
N
431
PB
4
SLEEVE
12
PB
4
11
12
N
434
YYYY
-
038
HOSE
10
m
D
4
PH
4
M
6
P
1
.
0
W
13
N
431
PH
4
M
-
088
ELBOW
3
二
7
?
。
几
14
N
431
PD
4
M
-
1
Q
9
NIPPLE
3
PD
4
M
6
P
1
0
<
»
y
3
><
DELETE
>
15
T
6
N
431
PD
6
NIPPLE
PD
6
DW
Jity
KQL
06
-
01
S
17
N
431
KQL
0601
S
ELBOW
UNION
T
8
N
9864503803
SQUARE
BOTTLES
45
-
038
-
03
,
/
夕 写 真 四
7
切
19
N
9864518203
ABS
TRAYS
FOR
DEVELOPMENT
45
-
182
-
03
PX
00
K
04
-
900
-
E
.
A
M
104