NM-8224A,B,C PARTS LIST(EC TYPE)_.pdf - 第149页
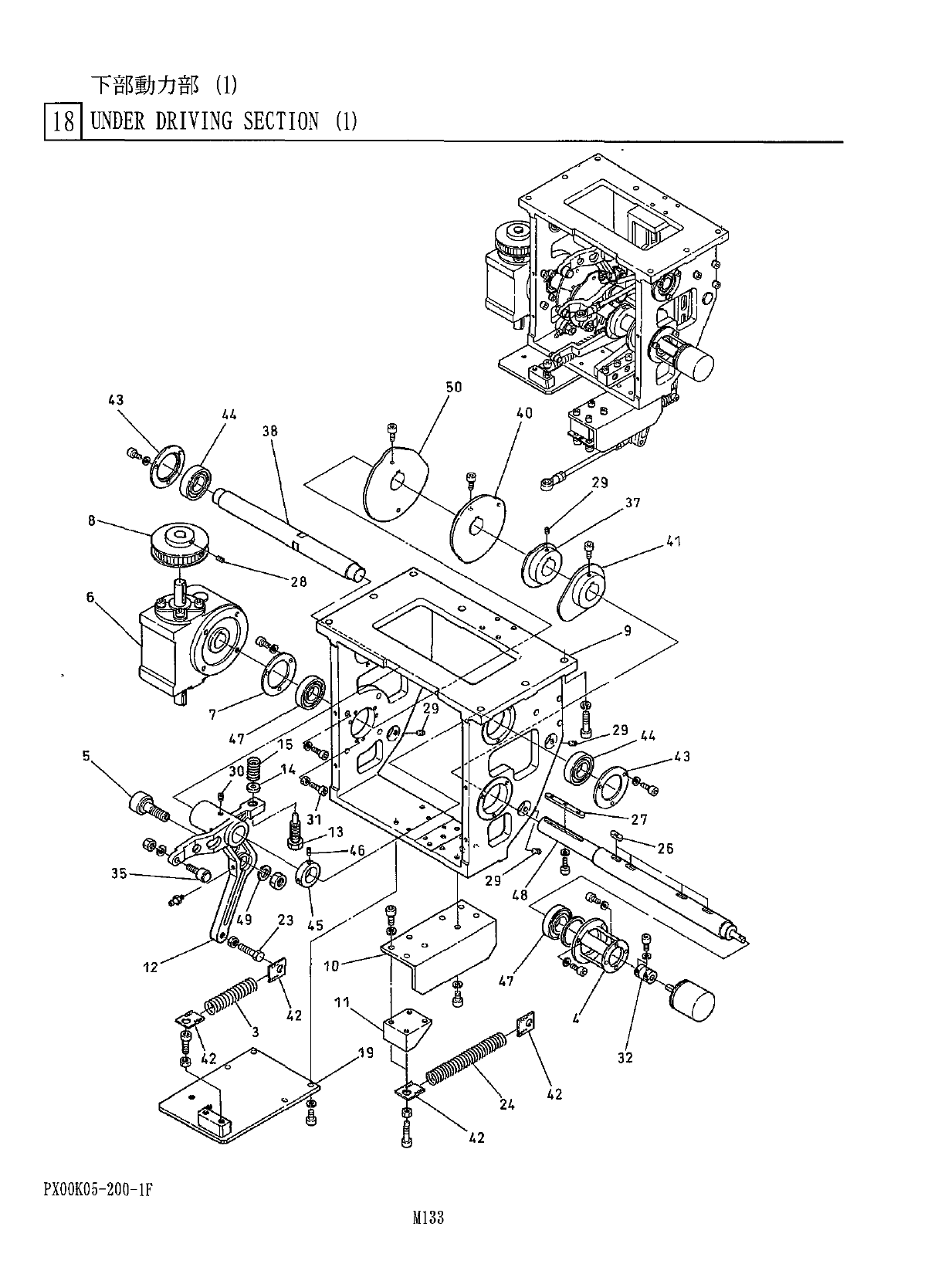
下 部 動 力 部 ⑴ 181 UNDER DRIVING SECTION ( 1 ) 考 個 数 部 備 名 品 番 品 No . Q ' TY REMARKS PART NAME REF PART No . No . W 2 SPRING ( ANVIL UP / DOWN TYPE ) 丰 ( 7 > 匕 1 上 下 用 ) XOOK 05210 3 ENCODER BRACKET X 00 K 05219 4 &…

下部動力部
(
1
)
181
UNDER
DRIVING
SECTION
⑴
PX
00
K
05
-
200
-
1
F
M
133

下部 動 力 部
⑴
181
UNDER
DRIVING
SECTION
(
1
)
考
個数
部
備
名
品
番
品
No
.
Q
'
TY
REMARKS
PART
NAME
REF
PART
No
.
No
.
W
2
SPRING
(
ANVIL
UP
/
DOWN
TYPE
)
丰
(
7
>
匕
1
上下用
)
XOOK
05210
3
ENCODER
BRACKET
X
00
K
05219
4
'
CAM
FOLLOWER
CFN
38
R
-
A
JA
7
才
D
7
N
531
CFN
1
-
042
5
SM
22
EB
10
-
1
-
1
-
EF
240
-
S
-
72000
REDUCTION
GEAR
6
N
620
SM
22
-
009
BEARING
RETAINER
X
00
K
05241
7
TIMING
PULLEY
66
-
S
5
M
-
0250
夕
⑼
,
7
。
十
8
X
00
K
05248
下部扩
UNDER
CAM
BOX
X
00
K
05251
9
SPRING
HOOK
BRACKET
X
00
K
05256
10
1
'
BLOCK
X
00
K
0525
T
11
12
jyt
'
)
\
上下
VK
-
ANVIL
UP
/
DOWN
LEVER
X
00
K
05259
¥
IF
Mr
X
00
K
05266
T
3
WASHER
X
00
K
05267
14
A
*
%
SPRING
SWL
22
-
65
N
986
SWL
2265
15
W
T
6
W
17
w
18
YVT
PLATE
T
9
XOOK
05272
20
<
w
-
y
3
><
DELETE
>
21
<
W
/
3
>
<
DELETE
>
22
六角敢於
HEXAGON
BOLT
M
10
X
20
23
XYH
10
B
20
FP
4
/
T
|
(
7
>
f
A
旋回用
>
SPRING
(
ANVIL
ROTATION
)
2
X
00
K
05297
24
25
KEY
4
10
X
8
X
25
,
Ua
'
JWvjV
XPA
10
L
8
F
25
26
平行丰
-
PARALLEL
KEY
X
00
K
05289
27
六角穴付止
ji
W
M
5
X
10
,
tm
SET
SCREW
2
XXE
5
CI
0
FP
28
六角穴付止厂衫
’
SET
SCREW
M
6
X
15
,
tm
XXE
6
C
15
FP
5
29
六角穴付止
;
i
衫
’
SET
SCREW
2
M
8
X
10
,
丽
XXE
8
C
10
FP
30
六角穴付本
’
M
HEXAGON
SOCKET
HEAD
SCREW
I
M
5
X
30
,
m
:
/
XVG
5
B
30
FP
31
\
mlvTW
HELICAL
COUPLING
3005
M
-
10
-
10
32
N
6443005
-
053
<
43
>
33
<
44
>
<
47
>
力
A
7
才卩
7
N
531
CFN
10
RA
CAM
FOLLOWER
CFN
10
R
-
A
35
<
52
>
36
JvVWfJh
X
00
K
05309
CUT
CLINCH
CAM
37
W
、
■
-
軸
LEVER
SHAFT
X
00
K
05302
38
W
39
ft
上下贴
ANVIL
UP
/
DOWN
CAM
40
X
00
K
05308
力
仆
•
O
麵力
i
X
00
K
05307
GUIDE
PIN
ROTATION
CAM
41
乃
.
獅
7
-
7
^
X
00
K
05299
SPRING
HOOK
BRACKET
42
6
BEARING
RETAINER
43
X
00
K
05304
2
A
*
nw
BEARING
XLC
5206
ZZ
2
5206
ZZ
44
4
T
XOOK
05278
W
7
COLLAR
I
六角穴付止厂转
’
XXE
6
C
8
FP
SET
SCREW
46
2
M
6
X
8
.
v
jm
'
BEARING
XLC
6206
ZZ
2
6206
ZZ
,
NS
7
S
47
力
A
軸
48
X
00
K
05312
CAM
SHAFT
XWD
18
BFP
A
'
I
座金
SPRING
WASHER
H
8
49
F
7
TT
>
上下力
A
X
00
K
05313
GUIDE
PIN
UP
/
DOWN
CAM
50
1
次頁八続
〈
"
"
Continued
to
the
next
page
.
”
PX
00
K
05
-
200
-
1
F
M
134

I
-
SSIH
ae
-
ooz
-
sosooxd
⑴
mum
mmm
mm
[
81
^
(
i
)
腊
¥
權 腊 土