NM-8224A,B,C PARTS LIST(EC TYPE)_.pdf - 第142页
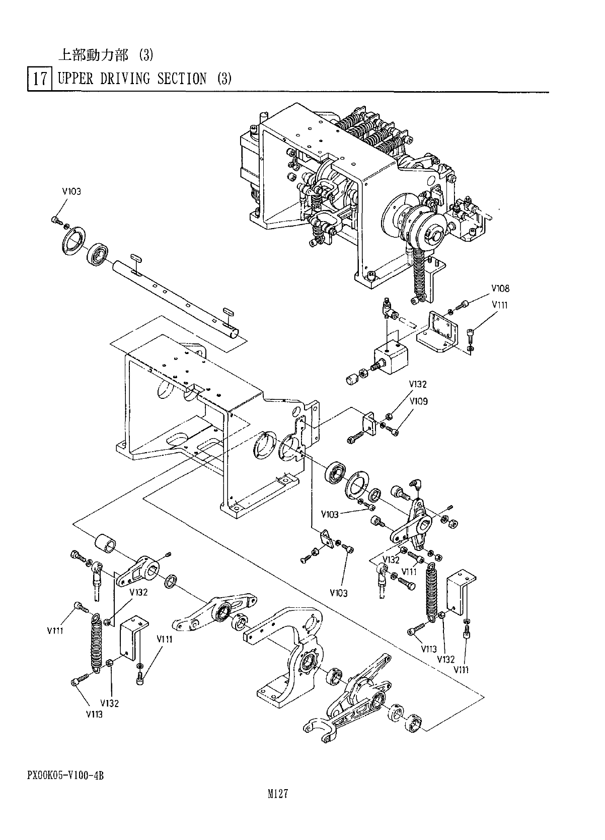
上 部 動 力 部 ⑶ 171 UPPER DRIVING SECTION ( 3 ) V 103 V 108 vm V 132 V 109 _ vm V 132 V 103 U f v w V 132 V 111 V 132 V 113 PX 00 K 05 - V 1 Q 0 - 4 B M 127

上部 動 力 部
⑶
17
|
UPPER
DRIVING
SECTION
(
3
)
丽
個数
備
考
部
名
番
品
品
No
.
Q
'
TY
REMARKS
PART
NAME
PART
No
.
REF
No
.
力
》
/
(
夕一
l
/
A
'
-
CUTTER
LEVER
X
00
K
05102
2
SPRING
HOOK
BRACKET
2
X
00
K
05121
7
°
V
'
A
~
PUSHER
X
00
K
05130
3
CYLINDER
BRACKET
MW
X
00
K
05131
4
■
w
CYLINDER
CDQ
2
A
40
-
15
DCM
-
F
79
N
401
CDQ
2
-
825
5
NF
04
先端于
*
;
卜
NUT
6
N
401
NT
04
CFN
12
R
-
A
j
)
h
im
CAM
FOLLOWER
7
N
531
CFN
12
RA
SPRING
(
CUTTER
TYPE
)
2
rH
.
(
力夕
-
用
)
8
X
00
K
05148
B
<
26
>
9
力
,
夕
-
CUTTER
LEVER
TO
X
00
K
05159
CFN
8
R
-
A
力
A
7
才
D
7
CAM
FOLLOWER
11
N
531
CFN
8
RA
又匕
°
-
卜
’
AS
2201
F
-
01
-
08
SPEED
CONTROLLER
2
12
N
406
AS
22
-
019
〈
27
〉
13
WV
-
軸
LEVER
SHAFT
14
X
00
K
05187
六角穴付止彡
W
M
6
X
10
,
丽
SET
SCREW
4
XXE
6
C
10
FP
15
六角本
‘
W
2
110
X
30
XVH
10
B
30
FP
4
HEXAGON
BOLT
16
m
>
17
2
8
X
7
X
35
,
'
J
3
T
8
XPA
8
L
7
F
35
KEY
r
丽
T
9
X
945
-
210
BRACKET
N
986
UST
830
STOPPER
BOLT
UST
8
-
30
20
YI
IT
N
980
C
30
RK
12
RUBBER
C
-
30
-
RK
-
12
W
22
23
YW
BlOCK
24
X
945
-
284
YU
zvt
)
1
B
-
MT
6
X
1
力
’
夕
25
N
560
B
6
MT
1
BN
GREASE
NIPPLE
IF
26
X
00
K
05183
COLLAR
押工
27
X
00
K
05413
BEARING
RETAINER
2
7
E
>
28
v
JW
29
XLC
5206
ZZ
BEARING
2
5206
ZZ
30
X
00
K
05431
IF
COLLAR
IT
X
00
G
05316
JF
COLLAR
PX
00
K
05
-
100
-
4
F
M
126

上 部 動 力 部
⑶
171
UPPER
DRIVING
SECTION
(
3
)
V
103
V
108
vm
V
132
V
109
_
vm
V
132
V
103
U
f
vw
V
132
V
111
V
132
V
113
PX
00
K
05
-
V
1
Q
0
-
4
B
M
127

上 部 動 力 部
⑶
171
UPPER
DRIVING
SECTION
(
3
)
考
部
個数
備
品
名
番
品
No
.
Q
’
TY
REMARKS
PART
NAME
PART
No
.
REF
No
.
六角穴付
Of
HEXAGON
SOCKET
HEAD
SCREW
8
15
X
10
Trn
XVE
5
B
10
FP
六角穴付
HEXAGON
SOCKET
HEAD
SCREW
4
MBX
15
V
108
XVE
6
B
15
FP
六角穴付友肿
HEXAGON
SOCKET
HEAD
SCREW
2
16
M
rm
XVE
6
B
20
FP
六角穴付
I
MW
VTTI
XVE
8
B
20
FP
HEXAGON
SOCKET
HEAD
SCREW
六角穴付扩
W
2
IsxM
vm
HEXAGON
SOCKET
HEAD
SCREW
XVE
8
B
30
FP
六角
:
b
卜
HEXAGON
NUT
4
M
8
,
\
VJ
V
132
XNG
8
DFP
PX
00
K
05
-
V
100
-
4
B
M
128