NM-8224A,B,C PARTS LIST(EC TYPE)_.pdf - 第79页
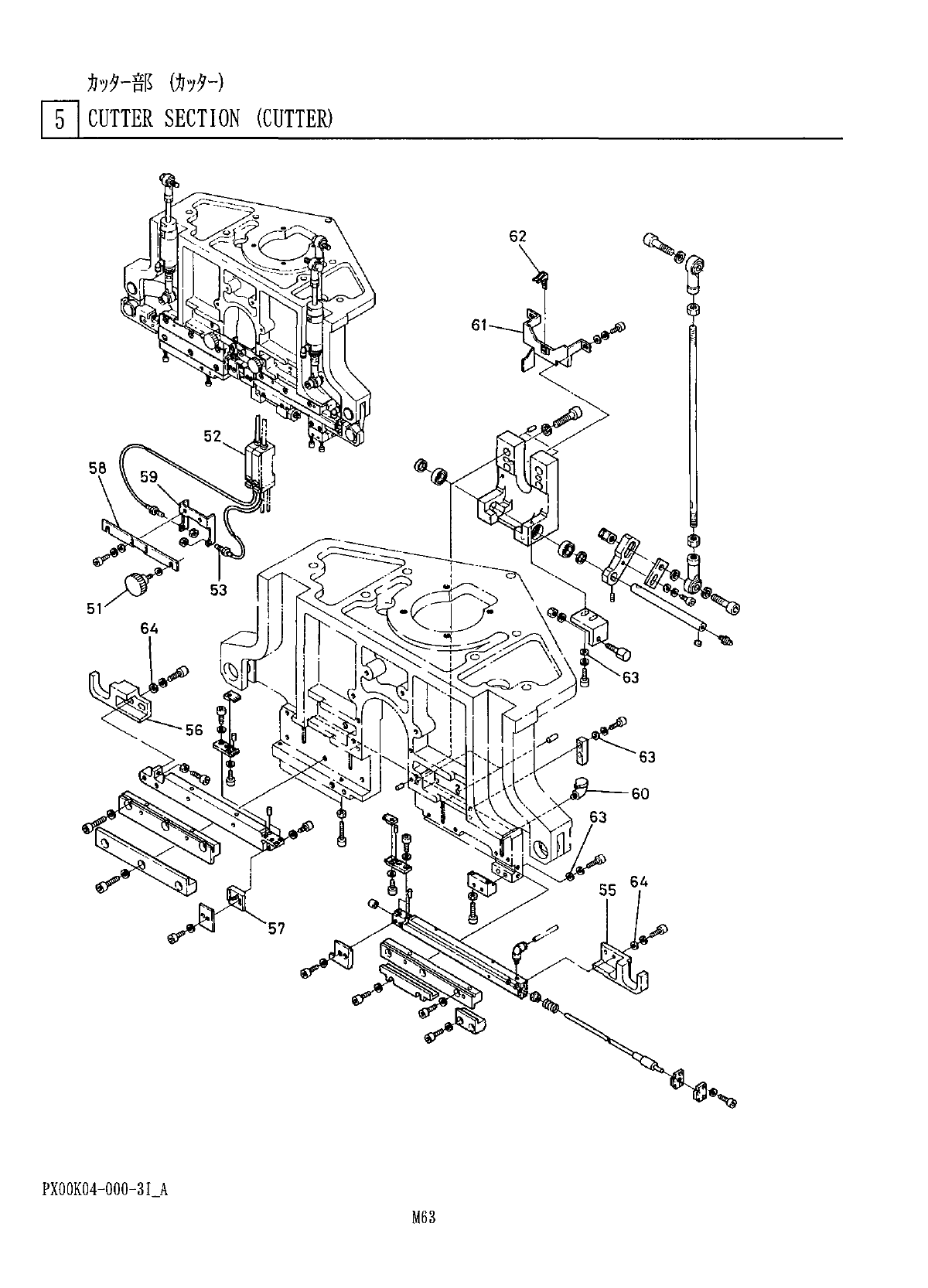
力 7 夕 - 部 ( 力 7 夕 - ) n CUTTER SECTION ( CUTTER ) 個 数 考 部 名 備 番 品 品 No . PART NAME Q ’ TY REMARKS REF PART No . No . 2 KS 15 X 10 B MK 11 ' KNOB N 984 KS 1510 S 5 T WirWlyf E 3 X - A 21 - 5 LIGHT FIBER AMP N 310 E 3…

力
7
夕
-
部
(
力
7
夕
-
)
Y
\
CUTTER
SECTION
(
CUTTER
)
63
60
PX
0
QK
04
-
000
-
3
LA
M
63

力
7
夕
-
部
(
力
7
夕
-
)
n
CUTTER
SECTION
(
CUTTER
)
個数
考
部
名
備
番
品
品
No
.
PART
NAME
Q
’
TY
REMARKS
REF
PART
No
.
No
.
2
KS
15
X
10
B
MK
11
'
KNOB
N
984
KS
1510
S
5
T
WirWlyf
E
3
X
-
A
21
-
5
LIGHT
FIBER
AMP
N
310
E
3
XA
215
52
光
77
仆
,
LIGHT
FIBER
E
32
-
T
31
-
5
53
N
310
E
32
T
315
<
61
X
62
〉
54
M
夕
’
■
'
⑴
HOLDER
(
1
)
55
X
00
K
04
D
09
ur
-
(
2
)
HOLDER
(
2
)
56
X
00
K
04023
M
-
本体用
7
’
口分
X
00
K
04063
CUTTER
BODY
BLOCK
57
7
。
!
/
—
卜
X
00
K
04061
PLATE
58
rwr
X
0
QK
04062
BRACKET
1
59
LFTWFTO
m
hr
N
5601030
OIL
CUP
4
60
jbF
屑
ia
-
卜
7
’
竹
■
?
卜
SHUTE
BRACKET
61
X
0
OK
04
O
65
'
爪
SHUTE
NAIL
62
X
0
OKO
4
O
66
M
5
W
WASHER
I
63
X
001
-
040
-
2
WASHER
丽
64
4
X
001
-
040
-
1
7
r
>
t
PX
00
K
04
-
OQ
0
-
3
LA
M
64

加夕
-
部
(
力
7
夕
-
)
n
CUTTER
SECTION
(
CUTTER
)
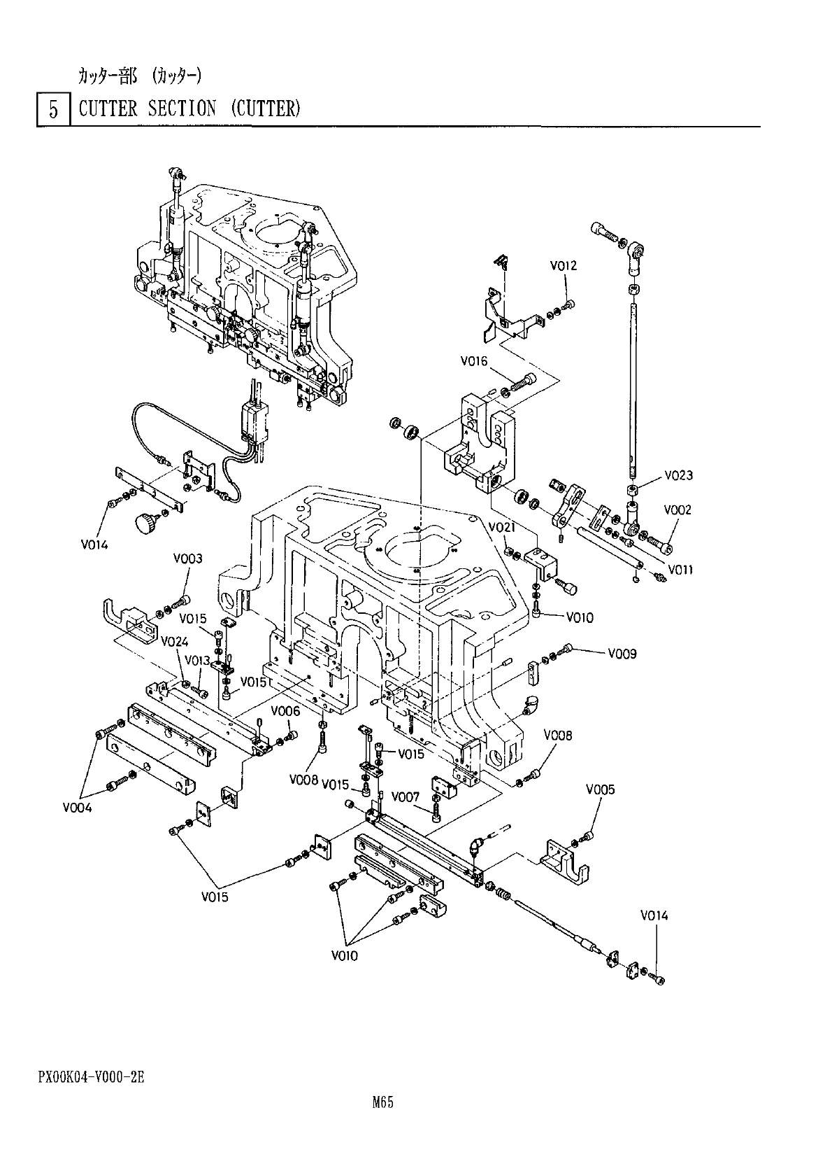
V
012
V
023
V
002
V
014
V
003
V
011
V
010
V
008
V
005
V
007
V
004
V
015
V
014
V
010
PX
0
CK
04
-
V
000
-
2
E
M
65