NM-8224A,B,C PARTS LIST(EC TYPE)_.pdf - 第158页
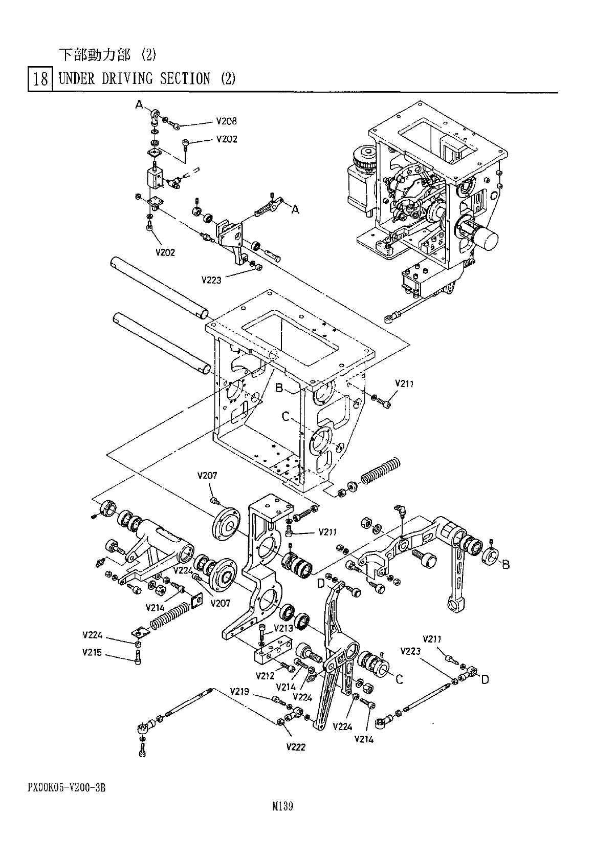
下 部 動 力 部 ⑵ 181 UNDER DRIVING SECTION ( 2 ) V 208 V 202 V 223 V 211 V 224 V 207 V 2 t 3 V 224 V 211 V 215 V 212 V 214 V 224 i V 2 t 4 V 222 PX 00 K 05 - V 200 - 3 B M 139

下部 動 力 部
⑵
181
UNDER
DRIVING
SECTION
⑵
Am
個数
備
考
部
名
品
品
番
No
.
Q
'
TY
REMARKS
PART
NAME
REF
PART
No
.
No
.
SPRING
(
CUT
CLINCH
TYPE
)
X
00
K
05223
于分
NUT
2
X
00
K
05224
y
3
-
f
'
y
t
'
-
ft
PBRL
6
JOIN
BALL
3
N
533
PBRL
6
V
3
-
f
>
-
)
!
<
JOIN
BALL
PBR
6
4
N
533
PBR
6
2
CFN
18
R
-
A
iA
7
*
07
CAM
FOLLOWER
5
N
531
CFN
1
-
042
CAM
FOLLOWER
CFM
2
R
-
A
6
N
531
CFN
12
RA
IhJiuT
M
6
L
,
lyi
六角
t
外
HEXAGON
NOT
7
XNGN
6
DFPL
MI
2
X
75
,
'
my
六角穴付扩糾
HEXAGON
SOCKET
HEAD
SCREW
8
XVEN
12
B
75
FPZ
CFN
88
-
A
力
A
7
才
a
?
CAM
FOLLOWER
3
9
N
531
CFN
8
RA
CAM
FOLLOWER
CFN
6
R
-
A
TO
N
531
CFN
6
RA
力
A
7
才口
7
-
K
3
>
hD
-
7
AS
1201
F
-
M
5
-
06
SPEED
CONTROLLER
2
11
N
406
AS
12
-
011
六角
:
h
卜
HEXAGON
NUT
M
12
,
lva
12
XNH
12
DFP
中間軸受
BEARING
HOLDER
13
X
00
K
05252
/
夕
BLOCK
14
X
00
K
05253
1
W
FLANGE
X
00
K
05254
15
1
W
16
X
00
K
05255
FLANGE
7
>
f
)
\
旋回
WV
-
X
00
K
05258
ANVIL
ROTATION
LEVER
17
力
.
仆
.
!
;
•
>
上下
W
-
GUIDE
PIN
UP
/
DOWN
LEVER
T
8
XOOKO
5260
A
u
-
jH
WV
-
1
'
竹外
LOCK
LEVER
BRACKET
19
X
00
K
05261
20
X
00
K
05262
CONNECTING
ROD
V
1
W
21
XLA
6901
NR
BEARING
2
6901
NR
22
X
00
K
05264
A
卜
SHAFT
M
丽
wv
-
23
X
00
KO
5265
CUT
CLINCH
LEVER
WV
-
m
24
X
00
K
05273
LEVER
SHAFT
W
、
-
軸
25
X
00
K
05275
LEVER
SHAFT
26
X
00
K
05278
IF
COLLAR
4
TFT
PLATE
27
X
00
K
05279
2
B
X
00
K
05280
WV
URETHANE
29
X
00
K
05281
NUT
w
X
00
K
05298
A
‘
本
(
力
MK
O
上下用
)
SPRING
(
GUIDE
PIN
DP
/
BOWN
)
A
"
WTW
3
T
X
00
K
05288
SPRING
HOOK
BRACKET
2
六角穴付止
?
衫
’
32
XXE
6
C
8
FP
SET
SCREW
8
M
6
X
8
,
tm
六角
M
33
XNG
12
FFP
HEXAGON
NIT
M
12
.
3
i
/
a
34
X
00
B
05404
A
F
7
PIN
35
X
00
B
05409
IF
COLLAR
36
XXE
5
C
6
FP
六角穴付止彡衫
'
SET
SCREW
4
M
5
X
6
,
钟
y
3
"
f
>
f
37
N
533
PHS
6
JOIN
BALL
38
N
4
Q
1
CDQ
2
-
826
CYLINDER
CDQ
2
A
16
-
10
DCM
-
F
79
对
77
°
W
39
XUB
6
FP
SNAP
RING
STW
-
6
TWA
40
X
00
B
05416
A
BRACKET
㈣
W
\
'
-
41
X
00
B
053
O
7
A
LOCK
LEVER
42
W
43
N
533
PBR
8
y
si
>
^
JOIN
BALL
PBR
8
44
N
533
PBRL
8
JOIN
BALL
Mu
45
XNGN
8
DFPL
于分
NUT
M
8
.
I
-
/
2
46
X
945
-
322
CONNECTING
ROD
々
.
K
A A
-
MT
6
XW
.
夕
47
N
560
A
6
MT
1
BN
GREASE
NIPPLE
2
YWyHh
48
N
560
B
6
MT
1
BN
B
-
MT
6
X
1
力
’
夕
GREASE
NIPPLE
V
m
夕
'
49
XLC
6906
Z
BEAKING
T
2
6
M
6
l
50
XWD
18
BFP
八
’
本座金
SPRING
WASHER
2
H
18
PX
00
K
05
-
200
-
3
F
_
A
M
138

下 部 動 力 部
⑵
181
UNDER
DRIVING
SECTION
(
2
)
V
208
V
202
V
223
V
211
V
224
V
207
V
2
t
3
V
224
V
211
V
215
V
212
V
214
V
224
i
V
2
t
4
V
222
PX
00
K
05
-
V
200
-
3
B
M
139

下 部 動 力 部
⑵
l
8
l
UNDER
DRIVING
SECTION
(
2
)
部
個数
備
考
番
品
名
品
No
.
PART
NAME
Q
,
TY
REF
PART
No
.
REMARKS
No
.
六角穴付
f
JH
7
V
202
XVE
4
B
10
FP
HEXAGON
SOCKET
HEAD
SCREW
6
M
4
X
10
六角穴付栌
JI
4
V
207
XVE
6
B
15
FP
HEXAGON
SOCKET
HEAD
SCREW
8
M
6
X
15
六角穴付
f
朴
V
208
XVE
6
B
20
FP
HEXAGON
SOCKET
HEAD
SCREW
M
6
X
20
六角穴付
tnn
V
211
XVE
8
B
25
FP
HEXAGON
SOCKET
HEAD
SCREW
12
M
8
X
25
V
212
XVE
8
B
35
FP
六角穴付私讣
HEXAGON
SOCKET
HEAD
SCREW
3
M
8
X
35
V
213
六角穴付
tnn
HEXAGON
SOCKET
HEAD
SCREW
XVE
8
B
45
FP
3
M
8
X
45
Y
214
六角穴付本
,
JV
卜
HEXAGON
SOCKET
HEAD
SCREW
XVE
10
B
30
FP
2
M
10
X
30
六角穴付
V
215
XVE
10
B
35
FP
冊
XAGON
SOCKET
HEAD
SCREW
2
M
10
X
35
HEXAGON
SOCKET
HEAD
SCREW
V
219
六角穴付扩
W
XVE
6
B
35
FP
M
6
X
35
V
222
六角于
7
卜
XNG
6
DFP
HEXAGON
NUT
M
6
,
lvi
六角
:
hh
V
223
XNG
8
DFP
HEXAGON
NUT
2
M
8
t
lya
V
224
XNH
10
DFP
六 角 于 卜
HEXAGON
NUT
MltUia
6
PXO
0
K
05
-
V
200
-
3
B
MHO