NM-8224A,B,C PARTS LIST(EC TYPE)_.pdf - 第143页
上 部 動 力 部 ⑶ 171 UPPER DRIVING SECTION ( 3 ) 考 部 個 数 備 品 名 番 品 No . Q ’ TY REMARKS PART NAME PART No . REF No . 六 角 穴 付 Of HEXAGON SOCKET HEAD SCREW 8 15 X 10 Trn XVE 5 B 10 FP 六 角 穴 付 HEXAGON SOCKET HEAD SCREW 4 MBX 15 V…

上 部 動 力 部
⑶
171
UPPER
DRIVING
SECTION
(
3
)
V
103
V
108
vm
V
132
V
109
_
vm
V
132
V
103
U
f
vw
V
132
V
111
V
132
V
113
PX
00
K
05
-
V
1
Q
0
-
4
B
M
127

上 部 動 力 部
⑶
171
UPPER
DRIVING
SECTION
(
3
)
考
部
個数
備
品
名
番
品
No
.
Q
’
TY
REMARKS
PART
NAME
PART
No
.
REF
No
.
六角穴付
Of
HEXAGON
SOCKET
HEAD
SCREW
8
15
X
10
Trn
XVE
5
B
10
FP
六角穴付
HEXAGON
SOCKET
HEAD
SCREW
4
MBX
15
V
108
XVE
6
B
15
FP
六角穴付友肿
HEXAGON
SOCKET
HEAD
SCREW
2
16
M
rm
XVE
6
B
20
FP
六角穴付
I
MW
VTTI
XVE
8
B
20
FP
HEXAGON
SOCKET
HEAD
SCREW
六角穴付扩
W
2
IsxM
vm
HEXAGON
SOCKET
HEAD
SCREW
XVE
8
B
30
FP
六角
:
b
卜
HEXAGON
NUT
4
M
8
,
\
VJ
V
132
XNG
8
DFP
PX
00
K
05
-
V
100
-
4
B
M
128

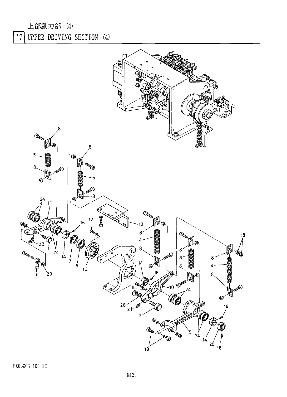
上 部 動 力 部
⑷
171
UPPER
DRIVING
SECTION
(
4
)
PXOOK
05
-
100
-
5
C
M
129